GM Service Manual Online
For 1990-2009 cars only

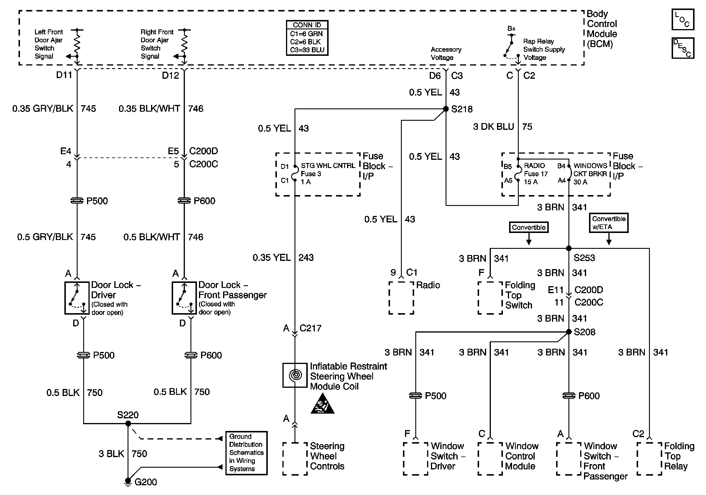
Retained Accessory Power Schematic


Object Number: 775561  Size: FS
Master Electrical Component List
Retained Accessory Power (RAP) Description and Operation
SIR Handling Caution
G200 Page 1 of 3