GM Service Manual Online
For 1990-2009 cars only

Removal Procedure

  1. If the vehicle is equipped with power steering, refer to Power Steering Pump Replacement in Power Steering for the following removal procedures:
  2. • The power steering pump
    • The mounting bracket

    Object Number: 354646  Size: SH
  3. Disconnect the compressor clutch electrical connector (6).
  4. Raise and suitably support the vehicle. Refer to Lifting and Jacking the Vehicle in General Information.
  5. Remove the engine splash shield. Refer to Engine Splash Shield Replacement in Body Front End.

  6. Object Number: 354744  Size: SH
  7. Loosen the idler pulley locknut (4).
  8. Loosen the idler pulley adjusting bolt (1).

  9. Object Number: 354647  Size: SH
  10. Remove the compressor drive belt (2) from the clutch pulley.

  11. Object Number: 354693  Size: MH
  12. Remove the 3 bolts (1,4,5) from the compressor.
  13. Set the compressor aside.

  14. Object Number: 354694  Size: MH
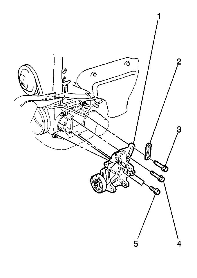
  15. Remove the 4 bolts (3,4,5) and the compressor mounting bracket from the vehicle.

Installation Procedure


    Object Number: 354694  Size: MH
  1. Install the compressor mounting bracket to the engine block.
  2. Important: The correct torque sequence is essential in order to prevent damage to the engine block or to the compressor bracket.

    Notice: Use the correct fastener in the correct location. Replacement fasteners must be the correct part number for that application. Fasteners requiring replacement or fasteners requiring the use of thread locking compound or sealant are identified in the service procedure. Do not use paints, lubricants, or corrosion inhibitors on fasteners or fastener joint surfaces unless specified. These coatings affect fastener torque and joint clamping force and may damage the fastener. Use the correct tightening sequence and specifications when installing fasteners in order to avoid damage to parts and systems.

  3. Secure the compressor bracket with 4 bolts. Tighten the bolts in the following sequence:
  4. 2.1. The bolt (4)
    2.2. The bolt (5)
    2.3. The bolt (3)
  5. Tighten the bolts.
  6. Tighten
    Tighten the compressor bracket bolts to 34.3-39.2 N·m (25.2-28.8 lb ft).


    Object Number: 354693  Size: MH

    Important: The correct torque sequence is essential in order to prevent damage to the compressor or to the compressor bracket.

  7. Install the compressor to the compressor bracket.
  8. Secure the compressor with 3 bolts (1,4,5). Tighten the bolts in the following sequence:
  9. 5.1. The bolt (4)
    5.2. The bolt (5)
    5.3. The bolt (1)
  10. Tighten the bolts.
  11. Tighten
    Tighten the compressor bolts to 22.5-27.4 N·m (16.5-20.1 lb ft).


    Object Number: 354743  Size: SH
  12. Install the compressor drive belt (2).
  13. Verify that the belt is correctly aligned on the compressor, on the power steering, and on the crankshaft pulleys.

  14. Object Number: 354744  Size: SH
  15. Adjust the drive belt tension.
  16. 9.1. Turn the idler pulley adjusting bolt (1) in order to obtain belt deflection that measures 7-9 mm (0.28-0.35 in) at 10 kg (22 lb) of force.
    9.2. Tighten the idler pulley locknut (4).

    Tighten
    Tighten the idler pulley locknut to 44.1-49 N·m (32.4-36 lb ft).


    Object Number: 354646  Size: SH
  17. Connect the compressor clutch electrical connector (6).
  18. Secure the electrical connector wire with the clamps (5).
  19. Install the engine splash shield. Refer to Engine Splash Shield Replacement in Body Front End.
  20. Lower the vehicle.
  21. Install the power steering pump and the bracket, if removed, Refer Power Steering Pump Replacement to in Power Steering.