GM Service Manual Online
For 1990-2009 cars only
Makes
🢒
Pontiac
🢒
2008
🢒
G3
🢒
Body Systems
🢒
Vehicle Access
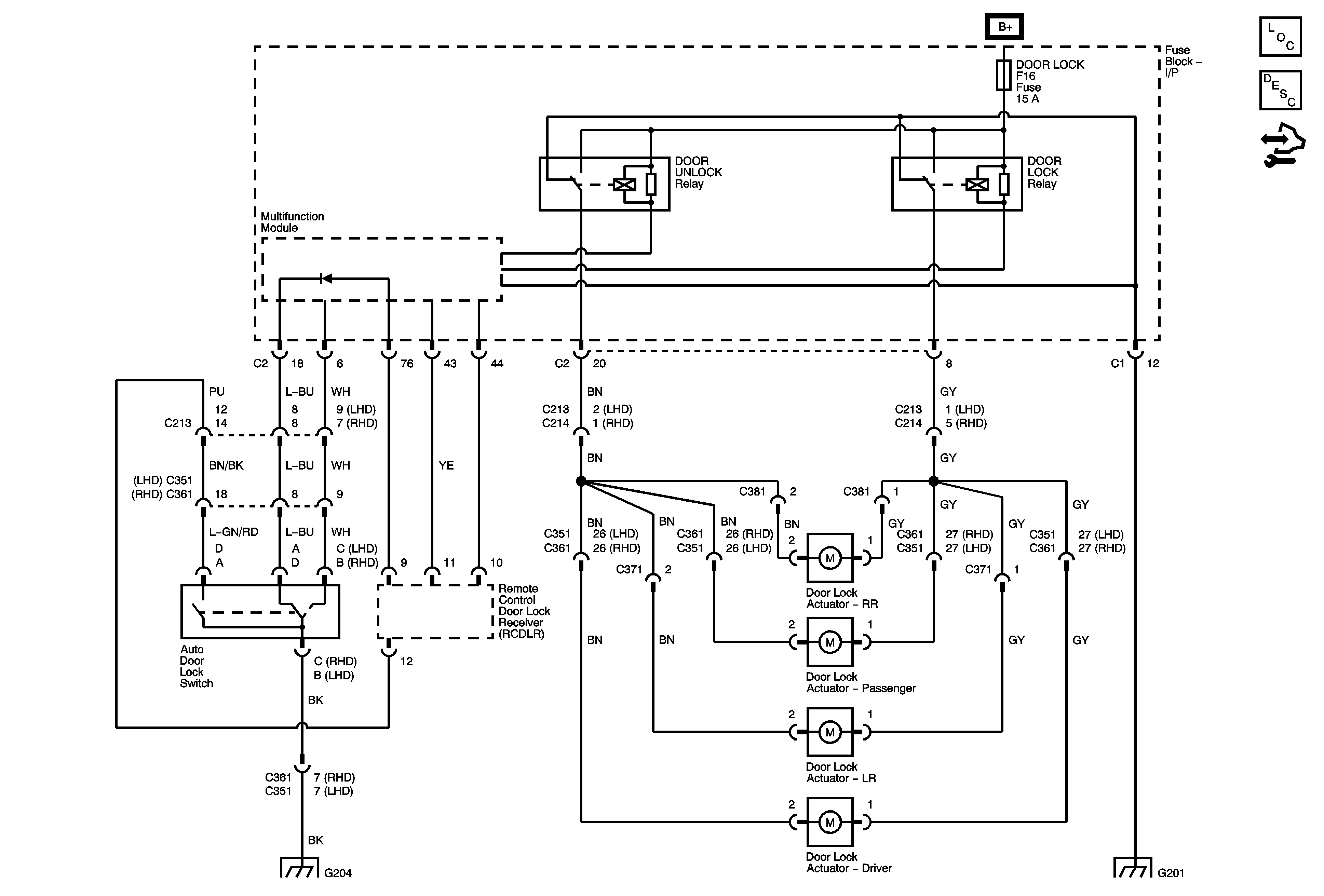
🢒 Door Lock/Indicator Schematics
Door Lock/Indicator Schematics Notchback
Master Electrical Component List Notchback
Power Door Locks Description and Operation
Control Module References
G204, G301
G201 - 1 of 3
Door Lock/Indicator Schematics Hatchback
Master Electrical Component List (Hatchback)
Battery Feed
Ground Distribution G101, G102 - 1 of 2 and G105
Ground Distribution G301