GM Service Manual Online
For 1990-2009 cars only
Makes
🢒
Pontiac
🢒
2009
🢒
G3
🢒
Body Systems
🢒
Mirrors
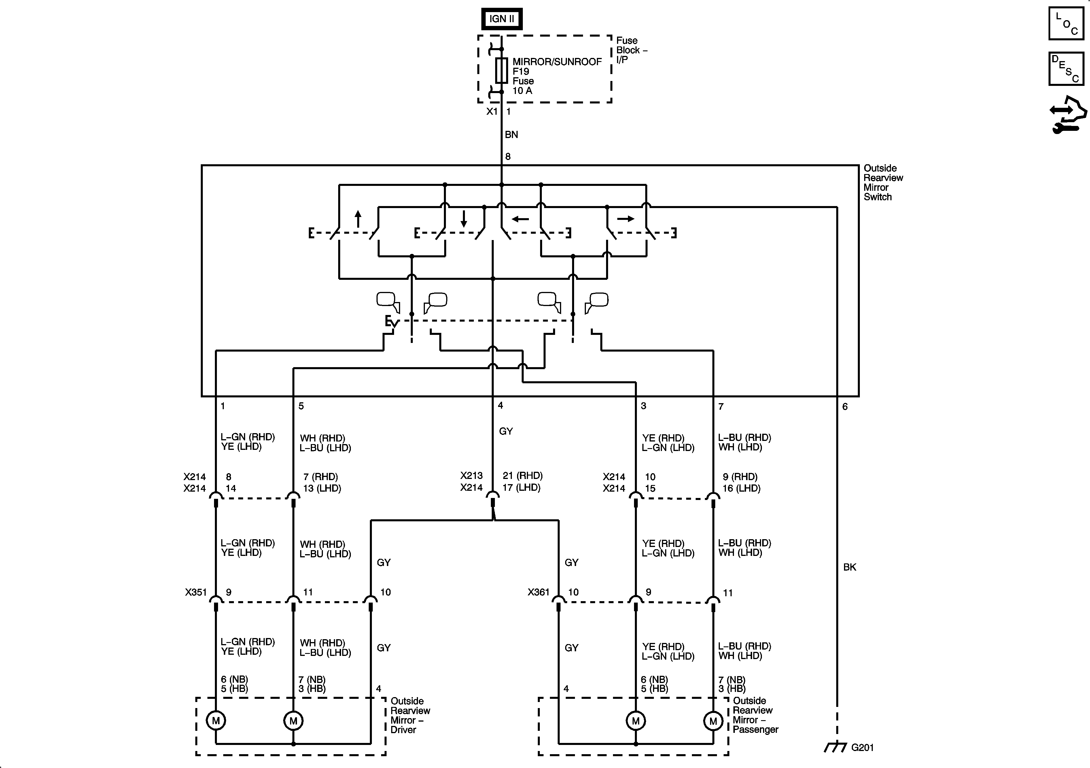
🢒 Outside Rearview Mirror Schematics
Master Electrical Component List
Outside Mirror Description and Operation Power Mirrors
Control Module References