GM Service Manual Online
For 1990-2009 cars only
Figure 1:

G101, G102, G109


Object Number: 1549137  Size: LF
(1)Left Front Strut Tower
(2)Upper Tie Bar
(3)G102
(4)G101
(5)G109
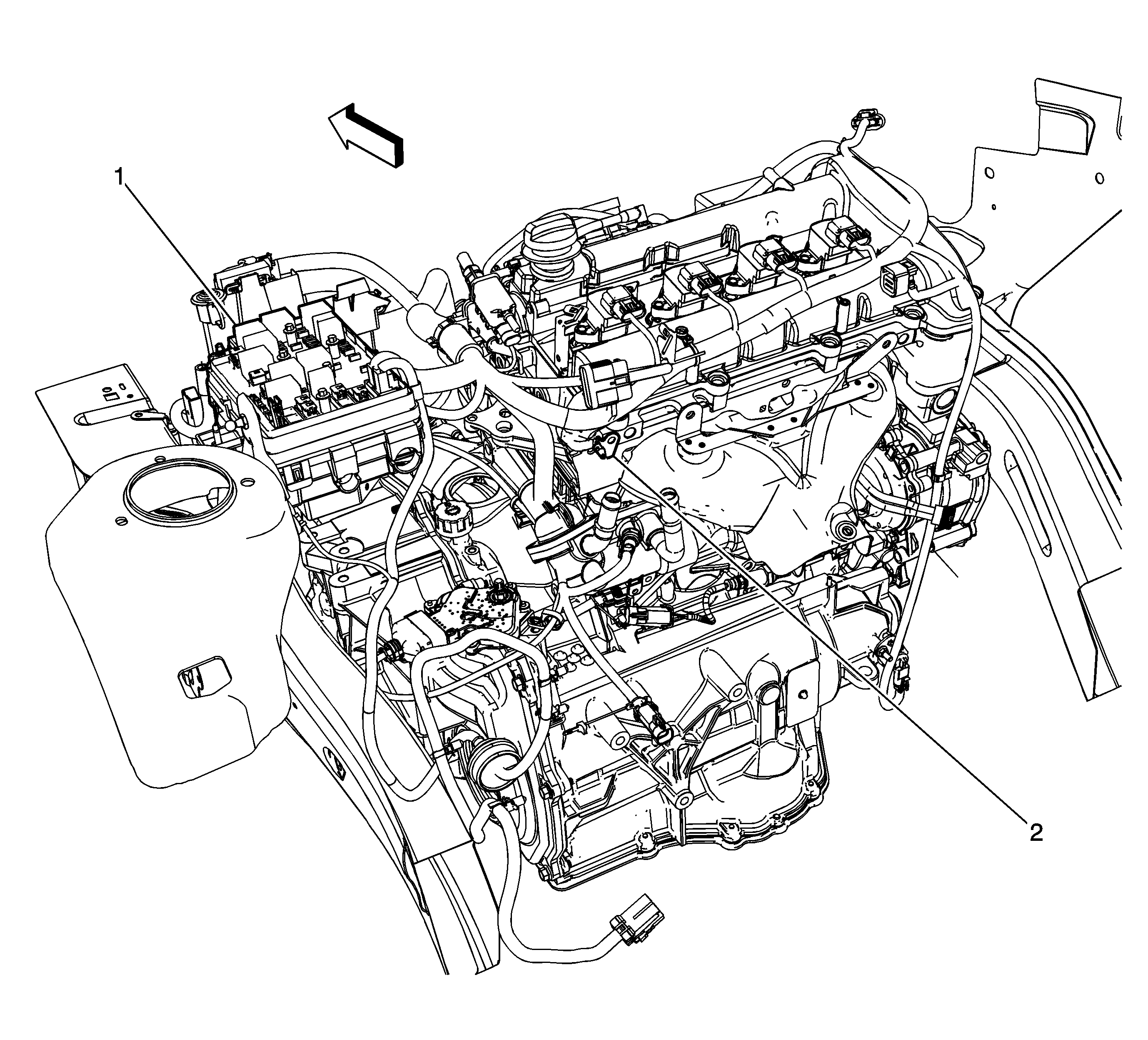
Figure 2:

Engine Harness Routing - L61


Object Number: 1857056  Size: LF
(1)Electronic Power Steering (EPS) Harness
(2)G109
(3)Fuse Block - Underhood
(4) G103
(5)Battery Cable Harness
(6)C100
(7)G105
(8)G111
(9)C160
Figure 3:

Fuel Injector Harness Ground


Object Number: 1857116  Size: LF
(1)Fuse Block - Underhood
(2)G107
Figure 4:

I/P Support -- G201 and G203


Object Number: 1543933  Size: LF
(1)Air Outlet -- Driver
(2)I/P Tie Bracket
(3)Air Outlet -- Passenger
(4)I/P Carrier Trim
(5)G203
(6)G201
Figure 5:

G105


Object Number: 1546027  Size: LF
(1)Transmission Case
(2)C100
(3)G105
(4)Engine Harness
Figure 6:

Floor Pan Components and Grounds


Object Number: 1543928  Size: LF
(1)PRNDL Lamp
(2)Floor Pan
(3)A/T Shift Lock Control Solenoid (MN5)
(4)Inflatable Restraint Sensing and Diagnostic Module (SDM)
(5)G306
(6)Park Brake Switch
(7)G301
Figure 7:

Rear Compartments and Shelf Components


Object Number: 1543935  Size: LF
(1)G401 Coupe/Sedan
(2)G402 Coupe
(3)Digital Radio Receiver (U2K)
(4)Vehicle Communication Interface Module (VCIM) (UE1)
(5)G402 (Sedan)
(6)Rear Window Shelf
(7)Floor Pan
(8)Rear Compartment Coutesty Light
(9)Speaker - Left Rear
Figure 8:

Rear Floor Pan Components and G403


Object Number: 1549037  Size: LF
(1)Battery
(2) Fuse Holder 50A
(3)Battery Current Sensor
(4)G403
(5)C400
(6)Spare Tire Well
Figure 9:

Steering Wheel and Column Components


Object Number: 1543927  Size: LF
(1)Turn Signal/Multifunction Switch
(2)Inflatable Restraint Steering Wheel Module Coil
(3)Windshield Wiper/Washer Switch
(4)Steering Wheel
(5)Steering Wheel Controls - Right (UK3/K34)
(6)Horn Switchs
(7)Steering Wheel Controls - Left (UK3/K34)
(8)Electronic Power Steering Control Module (EPS)
(9)Electronic Power Steering (EPS) Control Module Motor
(10)Ignition Switch
(11)Ignition Lock Cylinder Control Solenoid
Figure 10:

Fuse Block - Underhood


Object Number: 1549068  Size: LF
(1)Fuse Block - Underhood
(2)Fuse Block Cover
(3) G101
(4)Bracket Assembly