GM Service Manual Online
For 1990-2009 cars only

Stabilizer Shaft Insulator Replacement FE5


Object Number: 1626670  Size: SF

Callout

Component Name

Notice: Refer to Fastener Notice in the Preface section.

Fastener Tightening Specifications: Refer to Fastener Tightening Specifications.

Preliminary Procedure

Raise and support the vehicle. Refer to Lifting and Jacking the Vehicle.

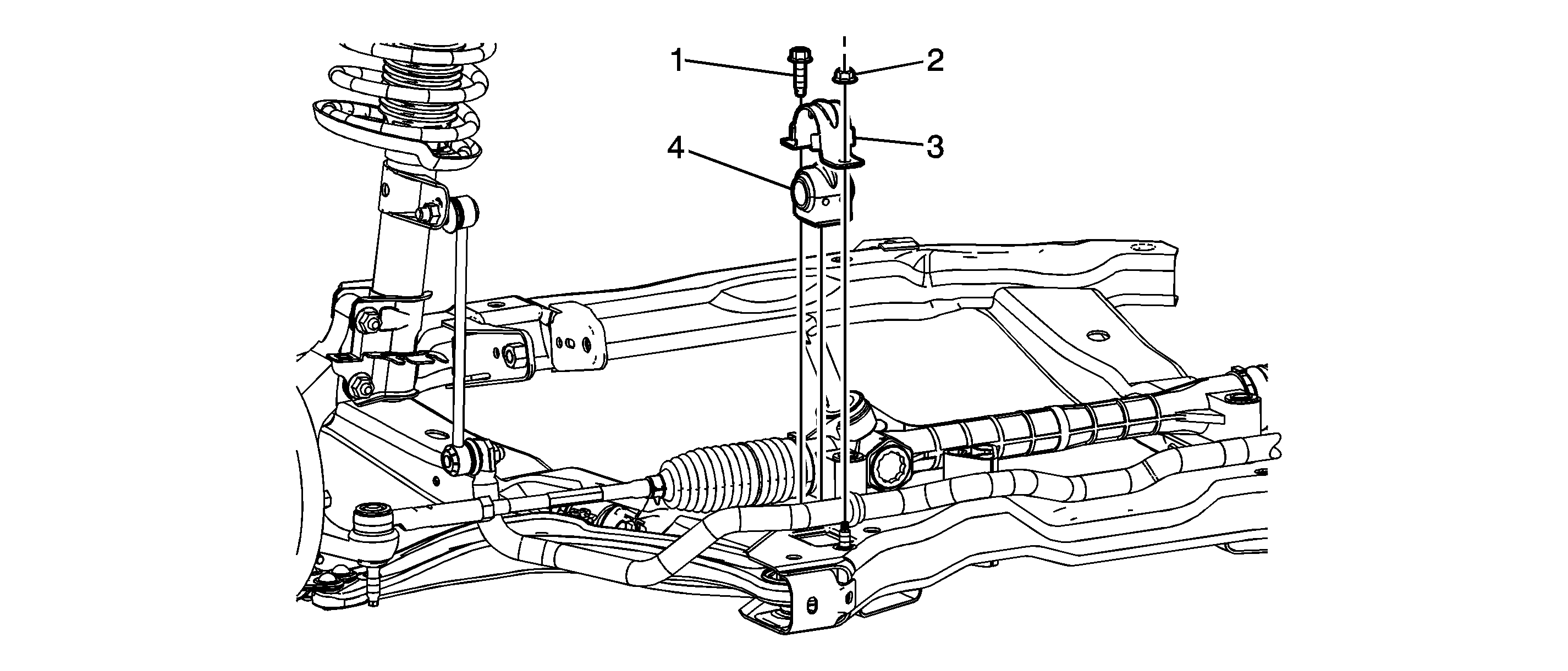
1

Front Stabilizer Shaft Clamp Bolt

Tighten
50 N·m (37 lb ft)

2

Front Stabilizer Shaft Clamp Nut

Tighten
50 N·m (37 lb ft)

3

Front Stabilizer Shaft Clamp

4

Front Stabilizer Shaft Insulator

Tip
Place the cut line of the insulator facing the rear of the vehicle.

Stabilizer Shaft Insulator Replacement FE1/FE3

Removal Procedure

  1. Raise and support the vehicle. Refer to Lifting and Jacking the Vehicle.
  2. Remove the front wheels. Refer to Tire and Wheel Removal and Installation .

  3. Object Number: 851715  Size: SH
  4. Remove the stabilizer shaft mounting clamp bolts and clamps from both sides of the vehicle.

  5. Object Number: 851718  Size: SH
  6. Remove the bushings from the stabilizer shaft.

Installation Procedure


    Object Number: 851718  Size: SH
  1. Install the stabilizer bushings on the stabilizer shaft with the cut line facing rearward.
  2. Notice: Refer to Fastener Notice in the Preface section.


    Object Number: 851715  Size: SH
  3. Install the stabilizer shaft clamps and bolts.
  4. Tighten
    Tighten the bolts to 50 N·m (37 lb ft).

  5. Install the front wheels. Refer to Tire and Wheel Removal and Installation.
  6. Lower the vehicle.