GM Service Manual Online
For 1990-2009 cars only

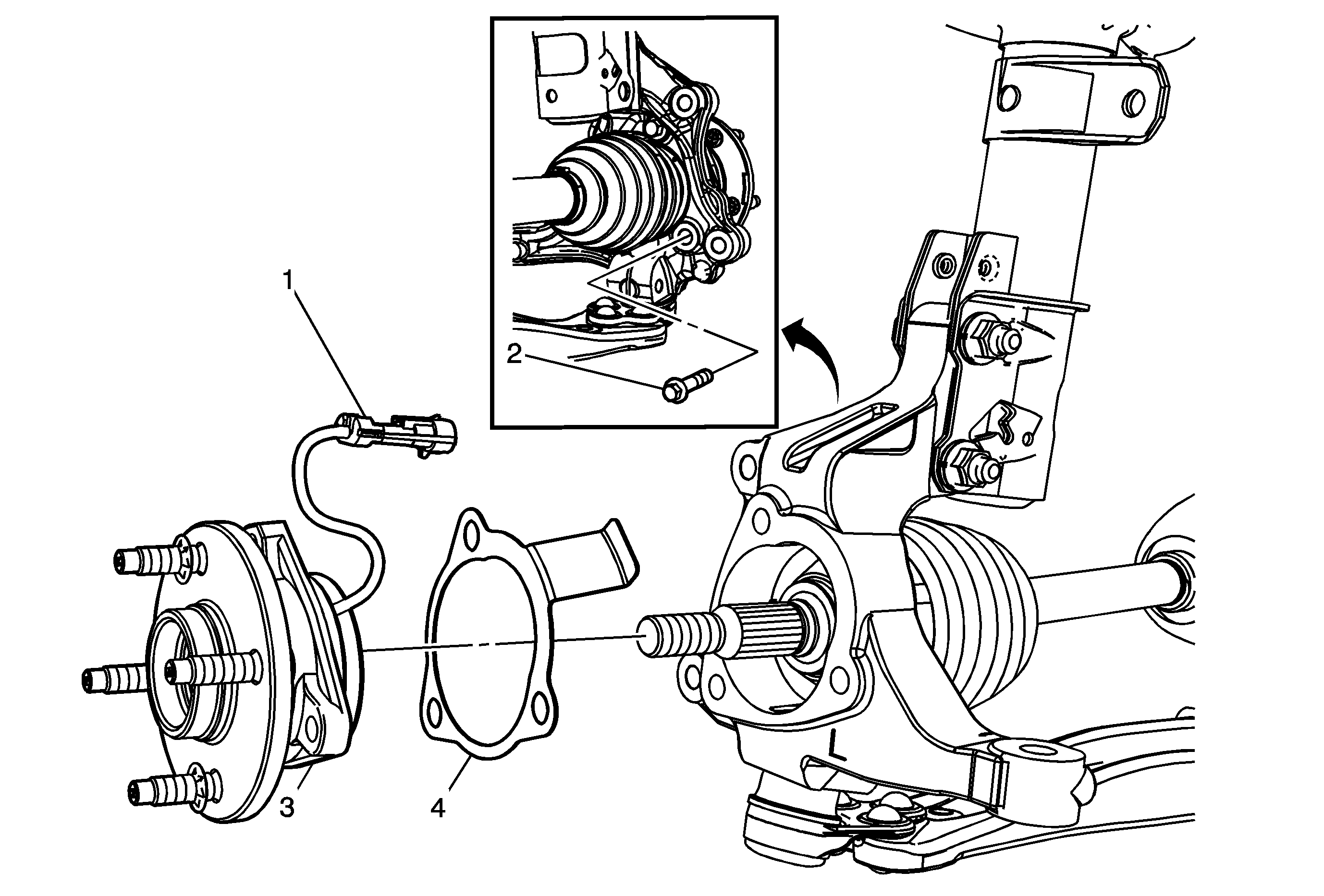
Front Wheel Bearing and Hub Replacement L61/LE5


Object Number: 1888018  Size: MF

Callout

Component Name

Preliminary Procedure

  1. Raise and support the vehicle. Refer to Lifting and Jacking the Vehicle.
  2. Remove the tire and wheel assembly. Refer to Tire and Wheel Removal and Installation.
  3. Remove the brake rotor assembly. Refer to Front Brake Rotor Replacement.
  4. Remove the wheel drive shaft assembly from the knuckle. Refer to Wheel Drive Shaft Replacement.

1

Speed Sensor Electrical Connector

2

Wheel Bearing/Hub Bolt (Qty: 3)

Notice: Refer to Fastener Notice in the Preface section.

Tighten
115 N·m (85 lb ft)

3

Wheel Bearing/Hub Assembly

4

Wheel Bearing/Hub Spacer

Front Wheel Bearing and Hub Replacement LSJ


Object Number: 1888026  Size: MF

Callout

Component Name

Preliminary Procedure

  1. Raise and support the vehicle. Refer to Lifting and Jacking the Vehicle .
  2. Remove the tire and wheel assembly. Refer to Tire and Wheel Removal and Installation .
  3. Remove the brake rotor assembly. Refer to Front Brake Rotor Replacement .
  4. Remove the wheel drive shaft assembly from the knuckle. Refer to Wheel Drive Shaft Replacement .

1

Speed Sensor Electrical Connector

2

Wheel Bearing/Hub Bolt (Qty: 3)

Notice: Refer to Fastener Notice in the Preface section.

Tighten
115 N·m (85 lb ft)

3

Wheel Bearing/Hub Assembly

4

Wheel Bearing/Hub Spacer