GM Service Manual Online
For 1990-2009 cars only
Makes
🢒
Pontiac
🢒
2007
🢒
G5
🢒
HVAC
🢒
Heating, Ventilation, and Air Conditioning
🢒 Floor Air Outlet Duct Replacement - Center
Removal Procedure
Remove the floor console side extensions. Refer to
Front Floor Console Extension Replacement - Side
.
Remove the left floor outlet duct. Refer to
Floor Air Outlet Duct Replacement - Left Side
.
Remove the right floor outlet duct. Refer to
Floor Air Outlet Duct Replacement - Right Side
.
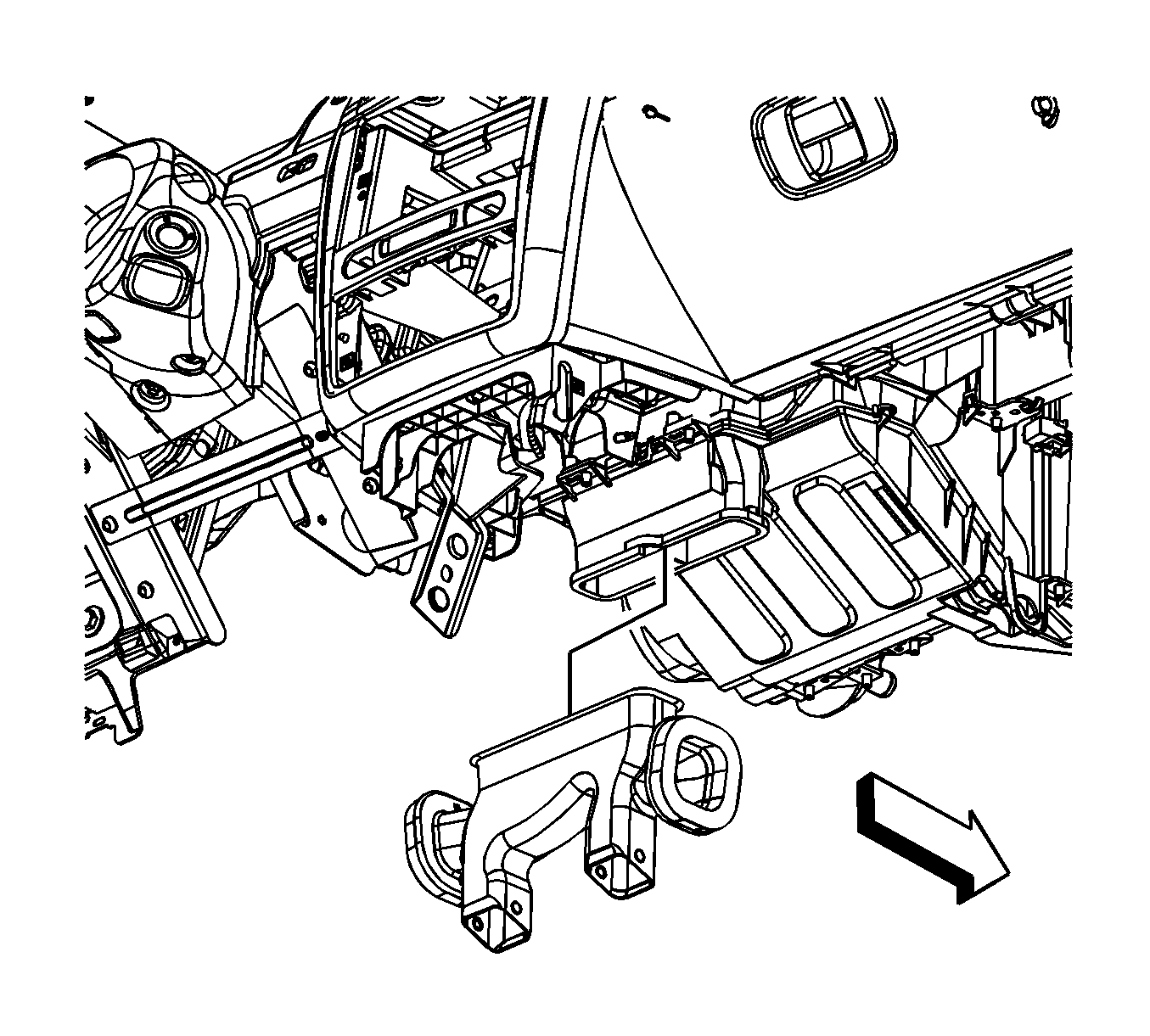
Remove the center floor air outlet duct.
Installation Procedure
Install the center floor air outlet duct.
Install the right floor outlet duct. Refer to
Floor Air Outlet Duct Replacement - Right Side
.
Install the left floor outlet duct. Refer to
Floor Air Outlet Duct Replacement - Left Side
.
Install the floor console side extensions. Refer to
Front Floor Console Extension Replacement - Side
.