GM Service Manual Online
For 1990-2009 cars only
Makes
🢒
Pontiac
🢒
2007
🢒
G5
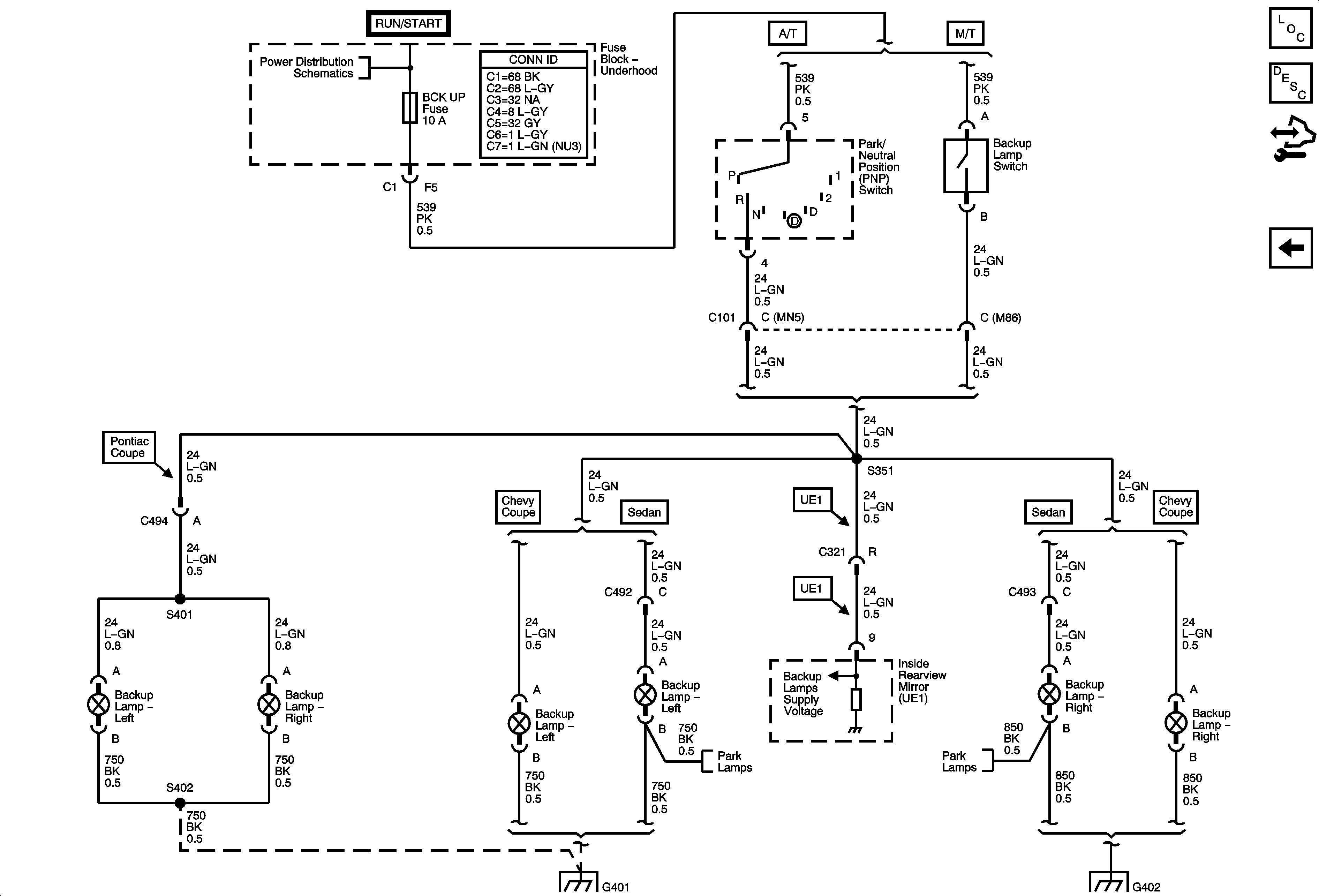
🢒 Backup Lamps
Backup Lamps
Backup Lamps
Master Electrical Component List
Exterior Lighting Systems Description and Operation
Control Module References
Stop Lamps
Underhood Fuse Block Fuses- ABS, ABS2, BCK UP, CNSTR VENT, ECM/TRANS, EPS, HTD SEATS, IP IGN, LTR, MIR, PRK/NEUT, S-BAND/ONSTAR, and RUN/CRANK Relay
G401
G402, G403