GM Service Manual Online
For 1990-2009 cars only
Makes
🢒
Pontiac
🢒
2007
🢒
G5
🢒 Ignition Controls - Ignition System
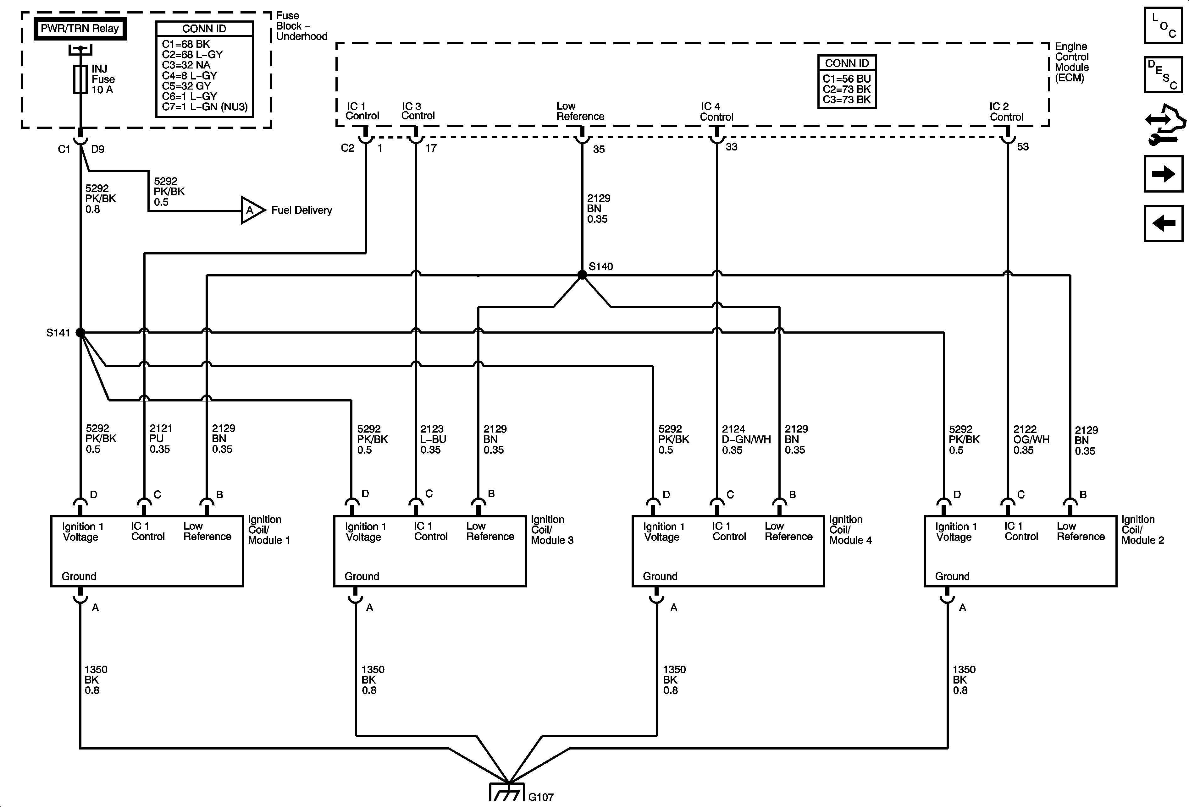
Ignition Controls - Ignition System
Ignition Controls - Ignition System
Master Electrical Component List
Electronic Ignition (EI) System Description
Control Module References
Ignition Controls - Ignition Sensors
Engine Data Sensors - Throttle Controls
Fuel Controls
G103, G105, G107