GM Service Manual Online
For 1990-2009 cars only
Makes
🢒
Pontiac
🢒
2007
🢒
G5
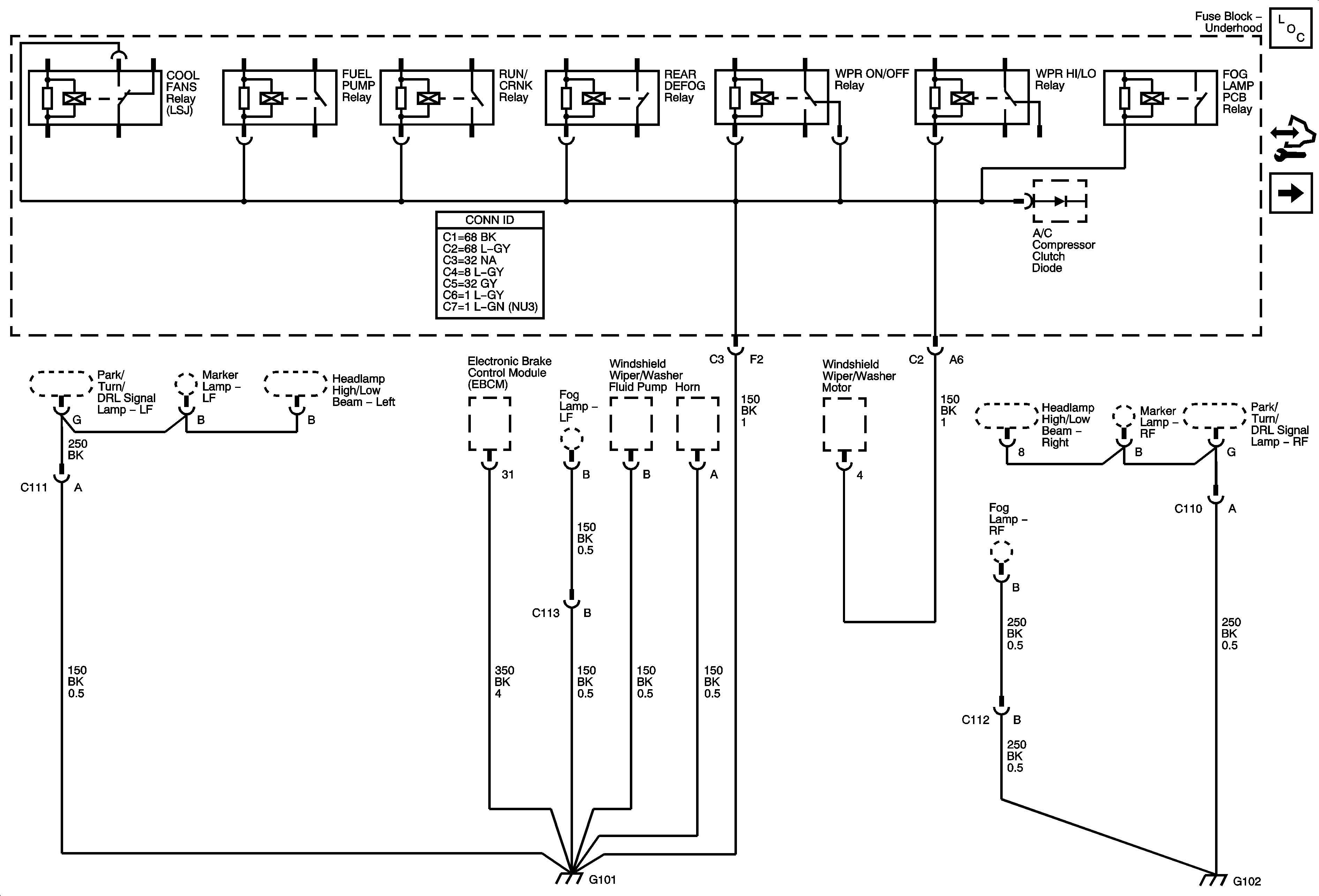
🢒 G101, G102
G101, G102
G101, G102
Master Electrical Component List
Control Module References
G103, G105, G107