GM Service Manual Online
For 1990-2009 cars only
Makes
🢒
Pontiac
🢒
2007
🢒
G5
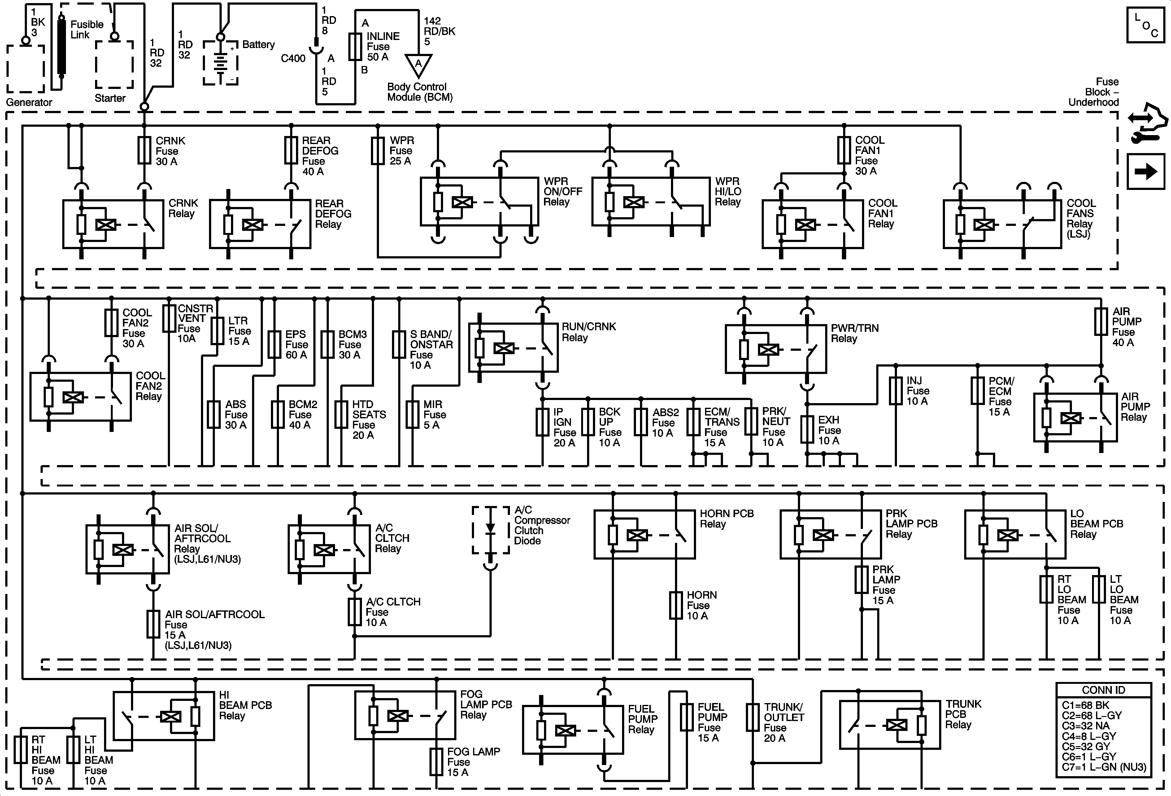
🢒 B+ Bussing, Underhood Fuse Block B+ Bus
B+ Bussing, Underhood Fuse Block B+ Bus
Underhood Fuse Block, B+ Bussing
Master Electrical Component List
Control Module References
BCM Fuses - DR LCK, ECM/TCM, INT LIGHT, PWR WNDW, RDO, SDM, S ROOF
BCM Fuses - DR LCK, ECM/TCM, INT LIGHT, PWR WNDW, RDO, SDM, S ROOF