GM Service Manual Online
For 1990-2009 cars only
Makes
🢒
Pontiac
🢒
2007
🢒
G5
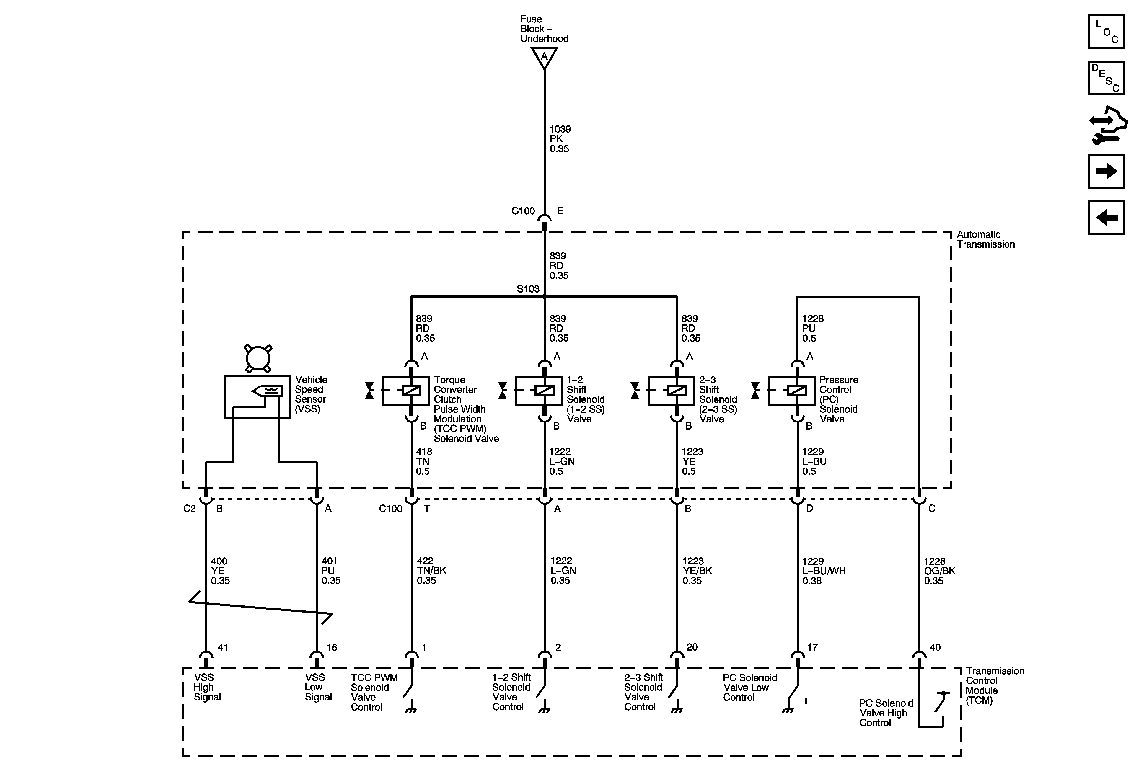
🢒 Solenoids, VSS
Solenoids, VSS
Solenoids, VSS
Master Electrical Component List
Electronic Component Description
Control Module References
Switches, TFT, ISS, Sensors
Power, Ground, PNP Switch
Power, Ground, PNP Switch