GM Service Manual Online
For 1990-2009 cars only
Makes
🢒
Pontiac
🢒
2008
🢒
G5
🢒
Diagnostic Navigation
🢒
Vehicle Diagnostic Information
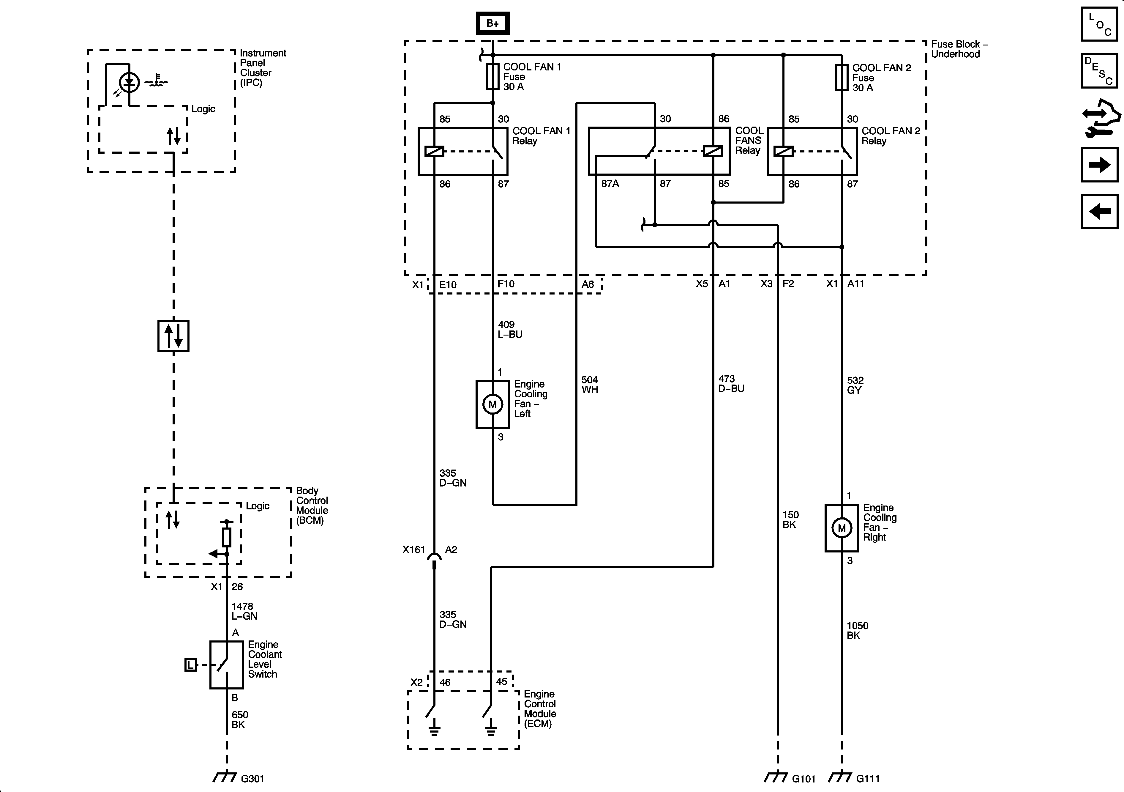
🢒 Engine Cooling Schematics
Figure
1:
L61
Master Electrical Component List
Cooling System Description and Operation
Control Module References
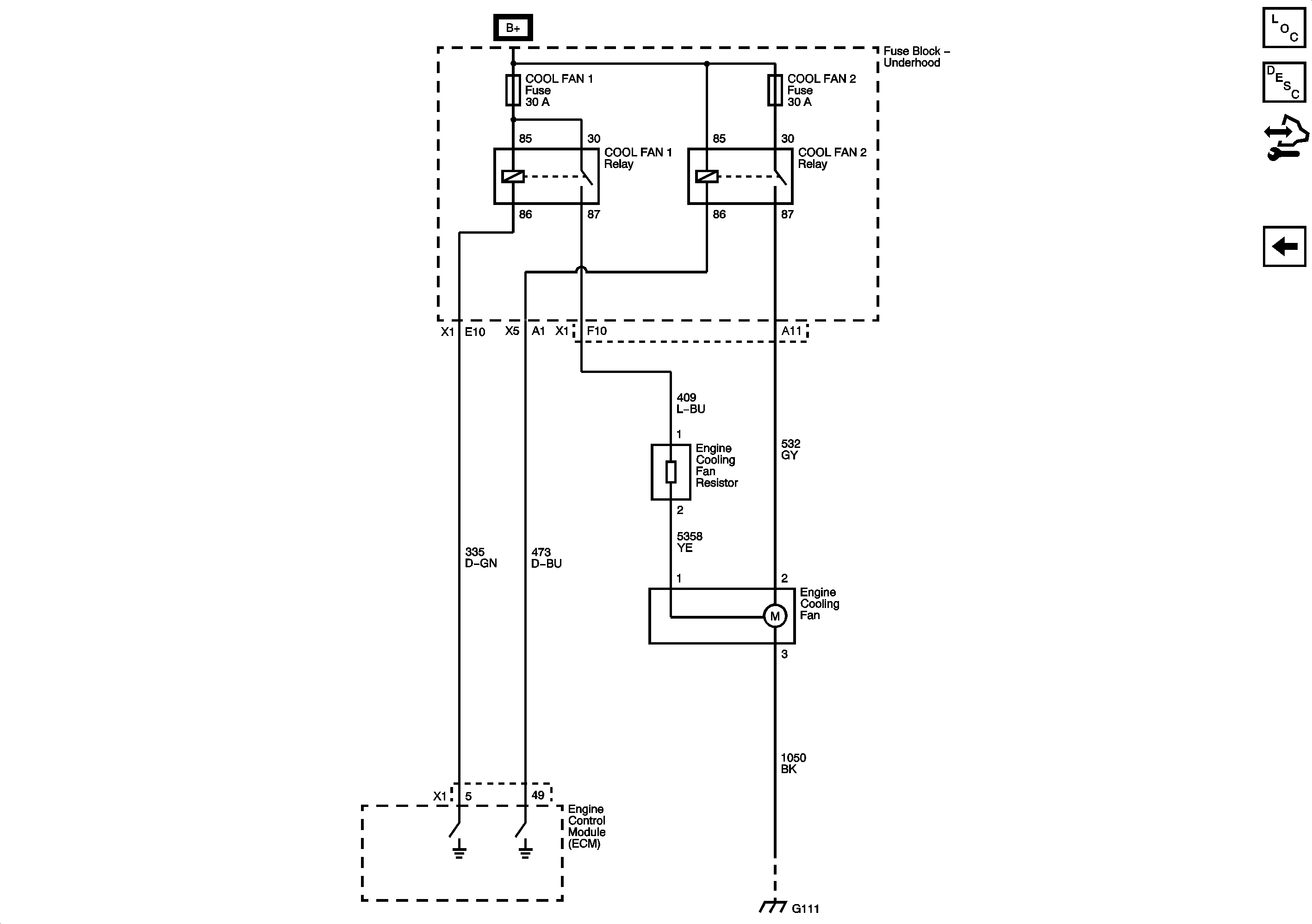
LNF
Figure
2:
LNF
Master Electrical Component List
Cooling System Description and Operation
Control Module References
LE5
L61
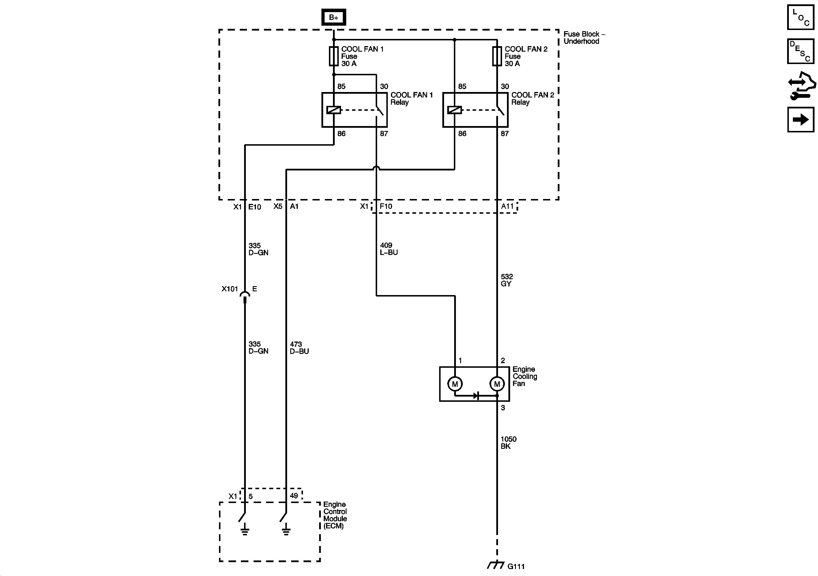
Figure
3:
LE5
Master Electrical Component List
Cooling System Description and Operation
Control Module References
LNF