GM Service Manual Online
For 1990-2009 cars only
Figure 1:

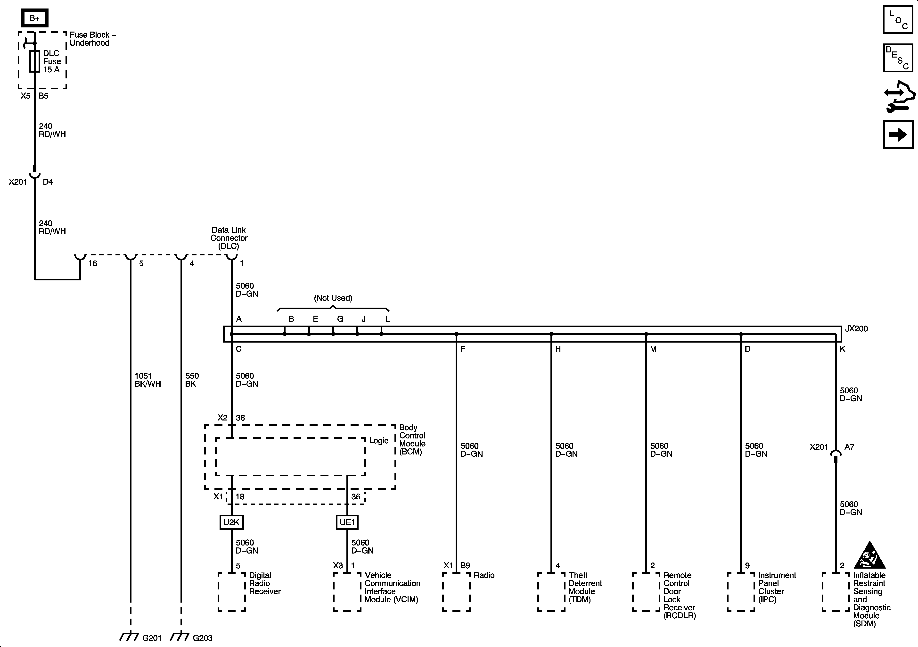
Power, Ground, Low Speed GMLAN


Object Number: 1963518  Size: FS
Master Electrical Component List
Data Link Communications Description and Operation
Control Module References
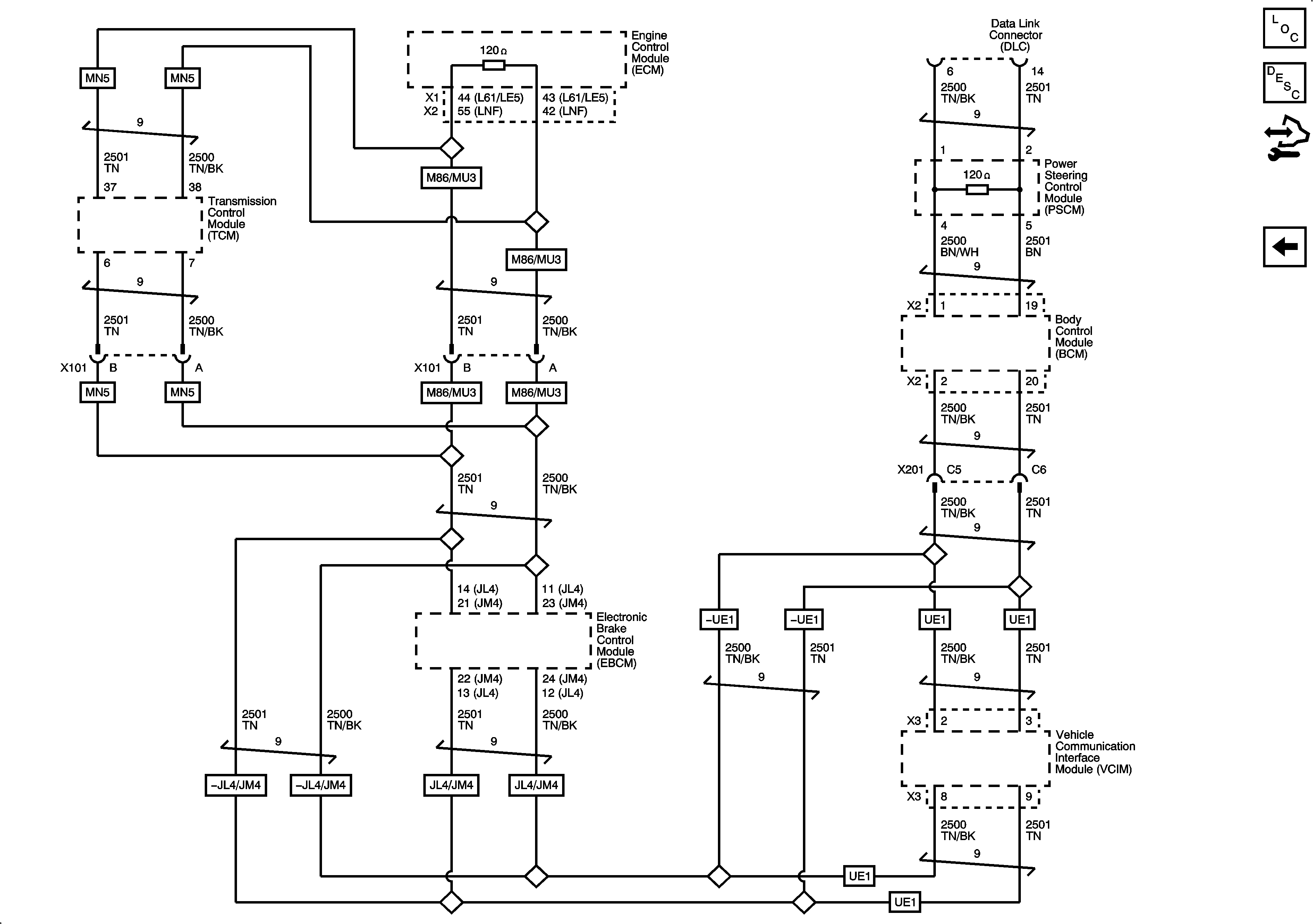
High Speed GMLAN
Figure 2:

High Speed GMLAN


Object Number: 1963522  Size: FS
Master Electrical Component List
Data Link Communications Description and Operation
Control Module References
Power, Ground, Low Speed GMLAN