GM Service Manual Online
For 1990-2009 cars only
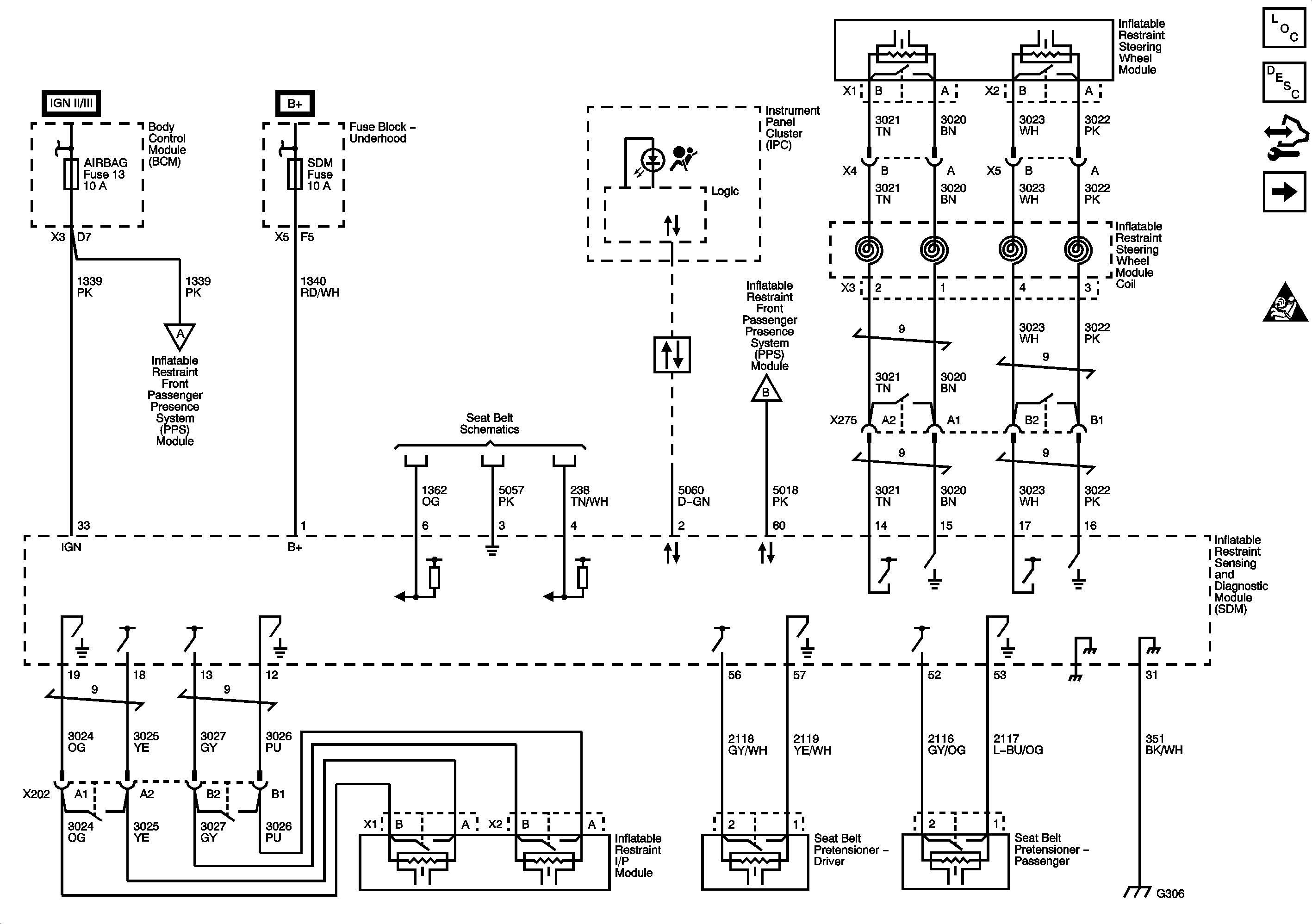
Figure 1:

Power, Ground, Indicators, Pretensioners, Front Modules


Object Number: 1963464  Size: FS
Master Electrical Component List
SIR System Description and Operation
Control Module References
Front and Side Sensors
Figure 2:

Front and Side Sensors


Object Number: 1963466  Size: FS
Master Electrical Component List
SIR System Description and Operation
Control Module References
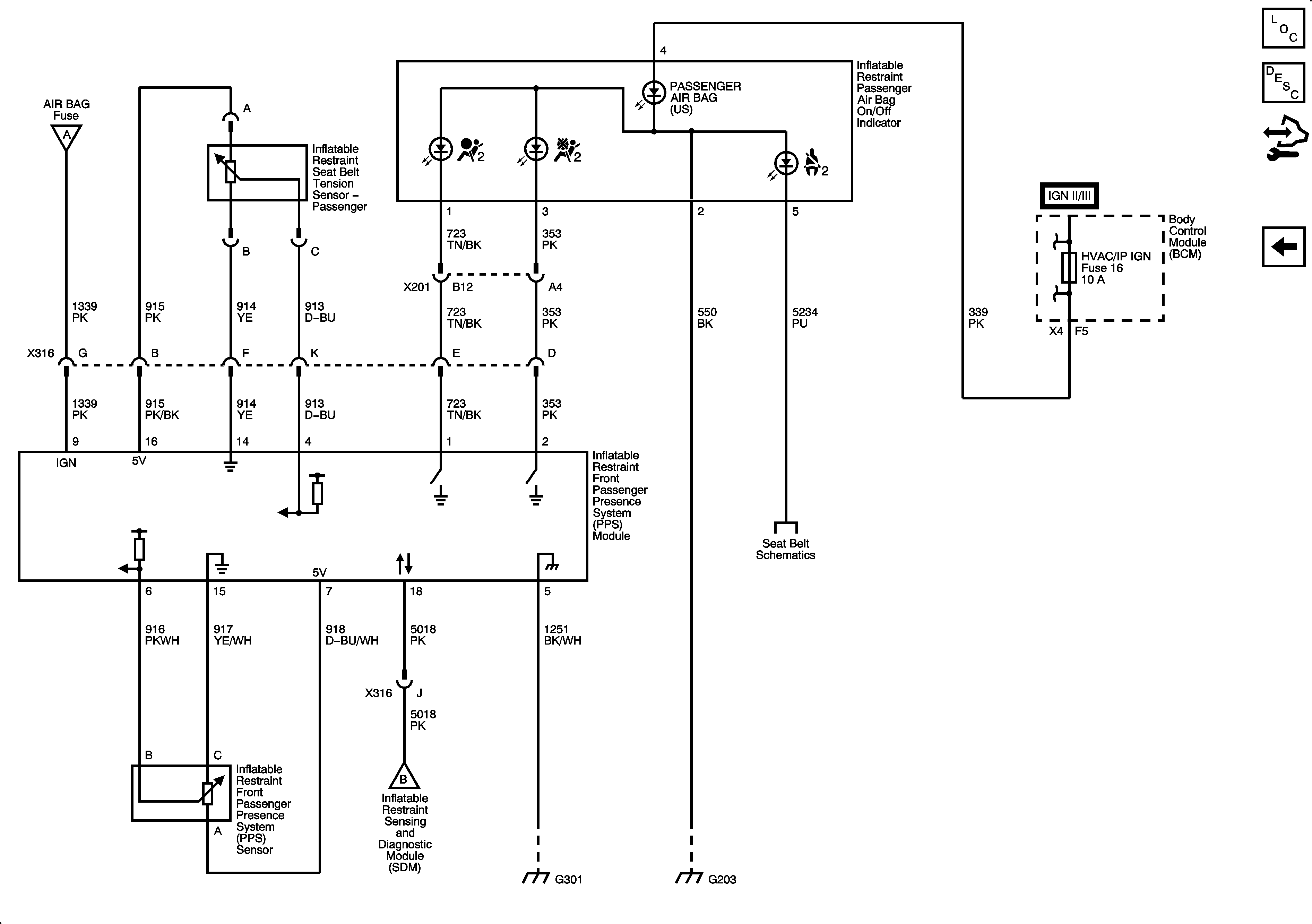
Passenger Presence System
Power, Ground, Indicators, Pretensioners, Front Modules
Figure 3:

Passenger Presence System


Object Number: 1963468  Size: FS
Master Electrical Component List
SIR System Description and Operation
Control Module References
Front and Side Sensors