GM Service Manual Online
For 1990-2009 cars only
Makes
🢒
Pontiac
🢒
2009
🢒
G5
🢒
Body Systems
🢒
Lighting
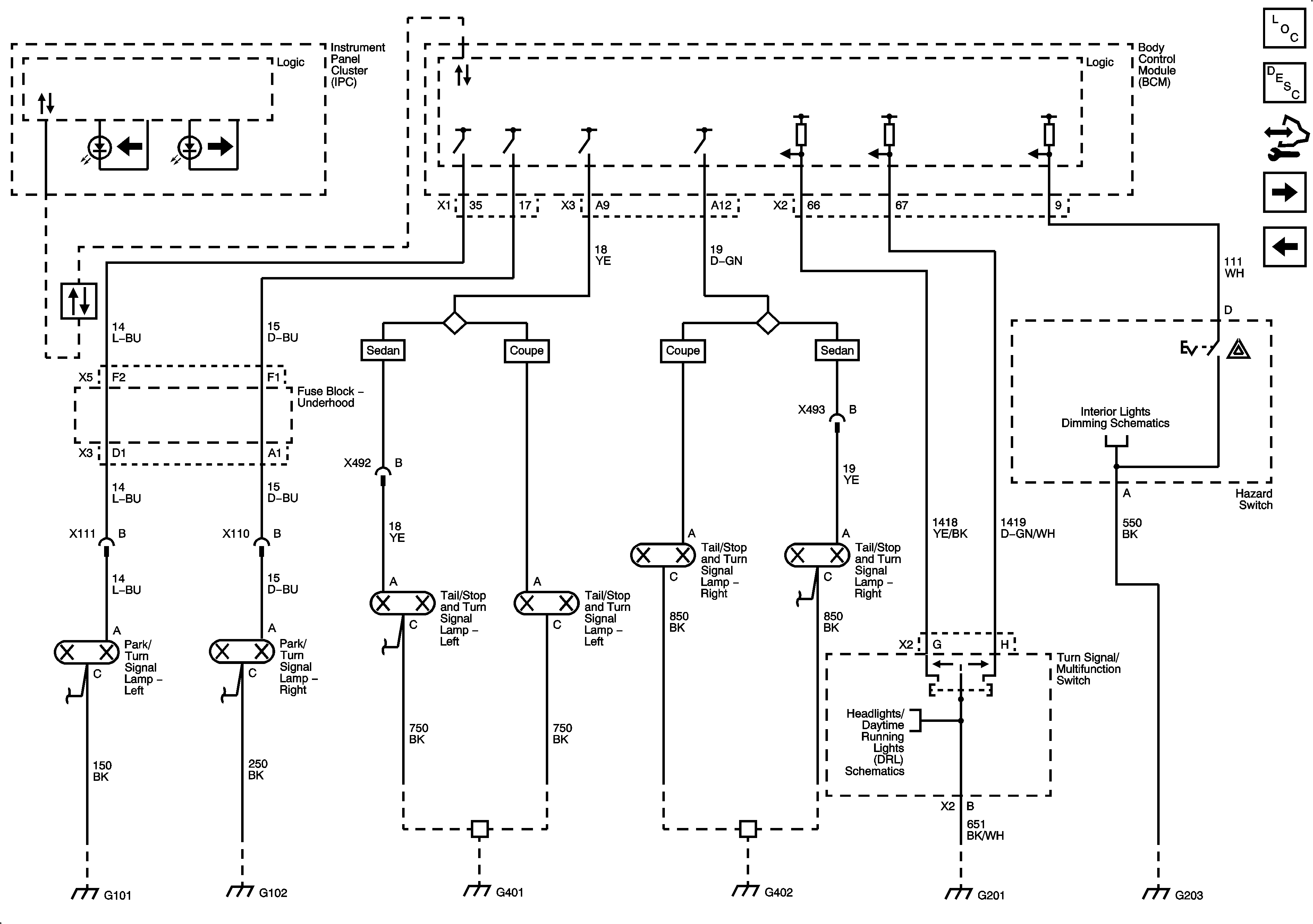
🢒 Exterior Lights Schematics
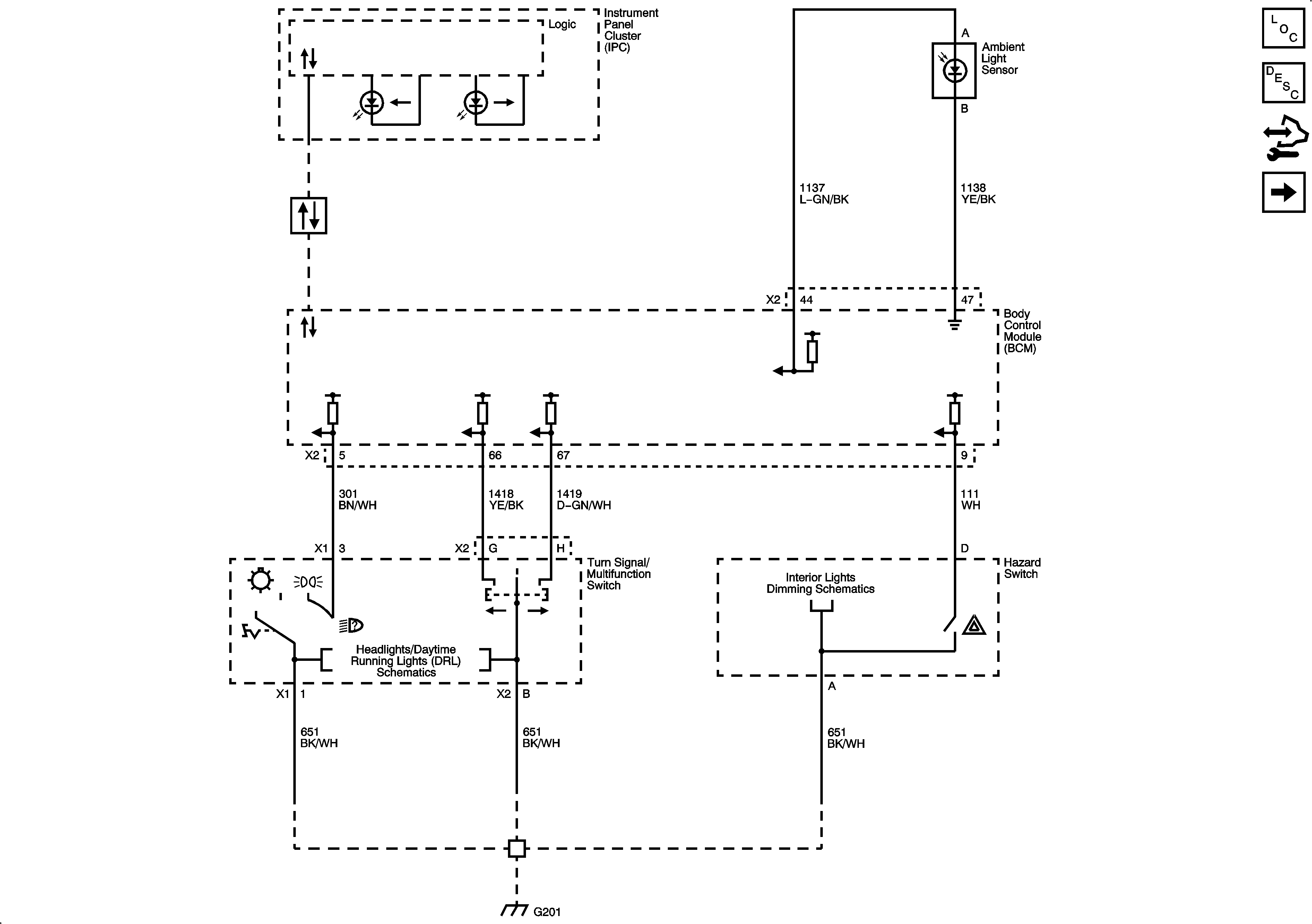
Figure
1:
Inputs
Figure
2:
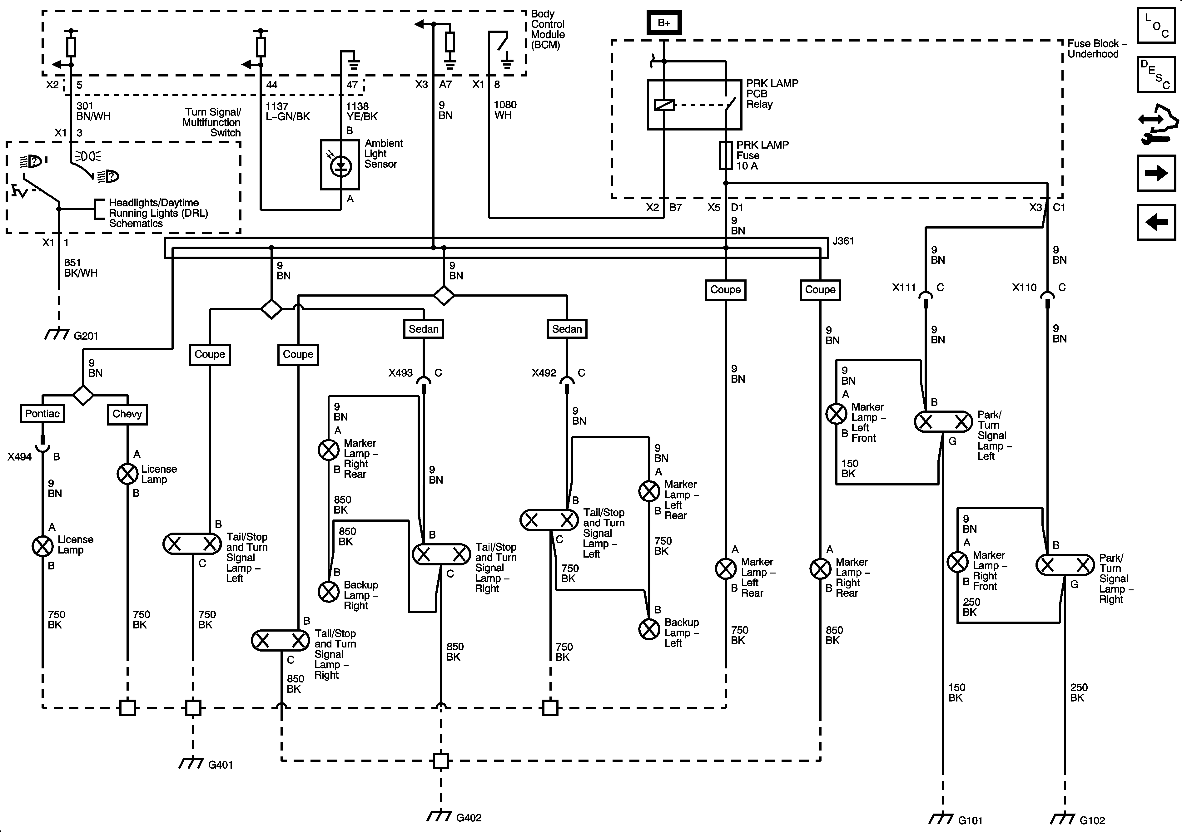
Park Lamps
Figure
3:
Hazards, Turn Signals
Figure
4:
Stop Lamps
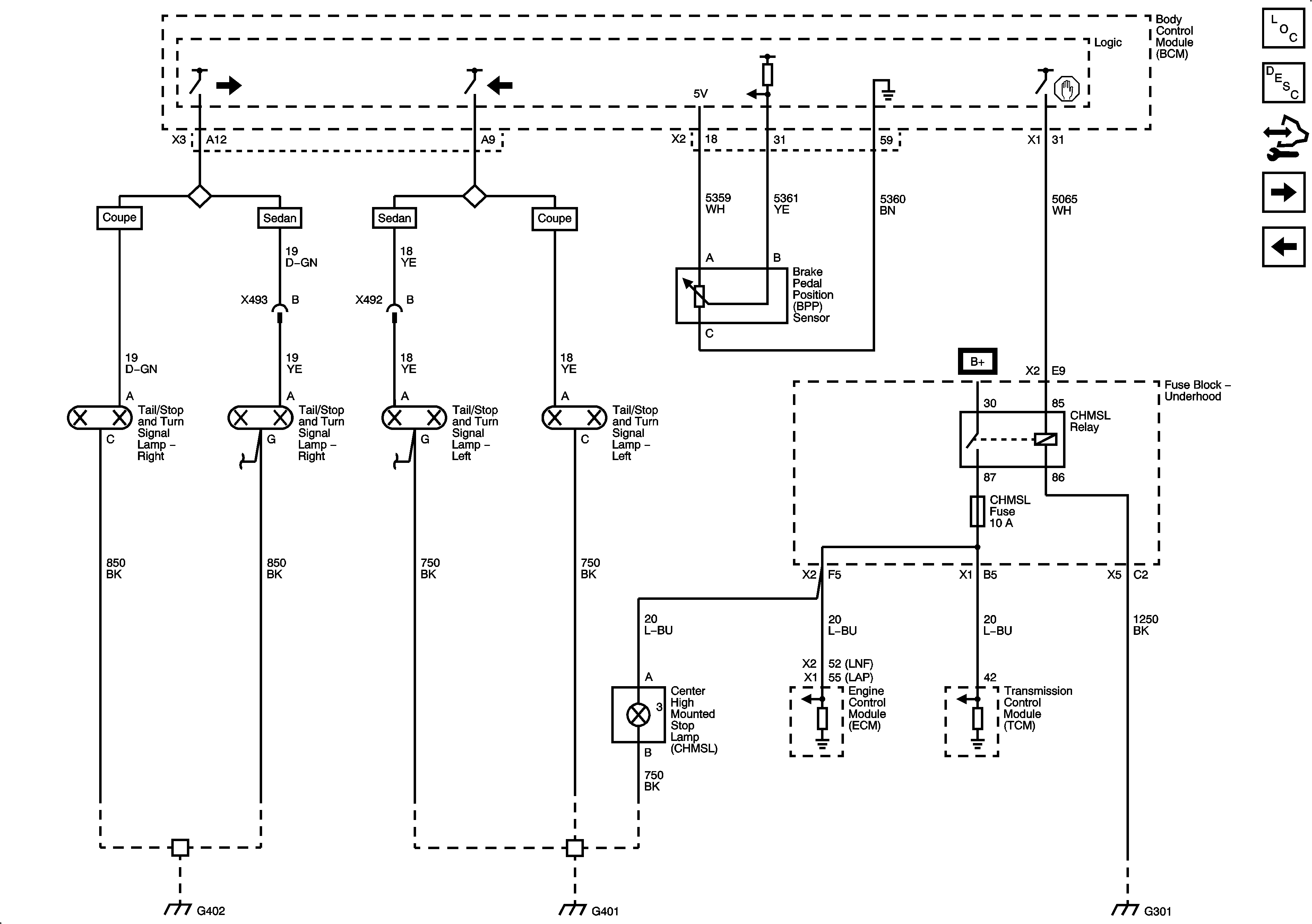
Figure
5:
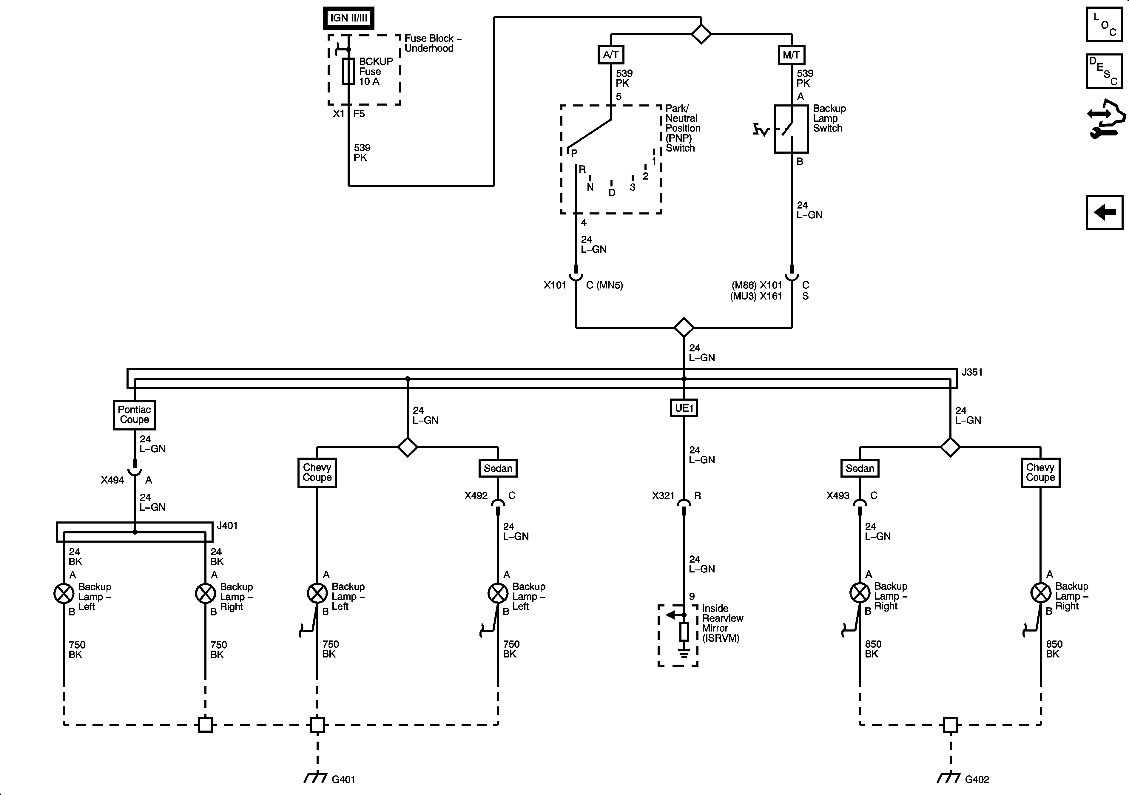
Backup Lamps