GM Service Manual Online
For 1990-2009 cars only
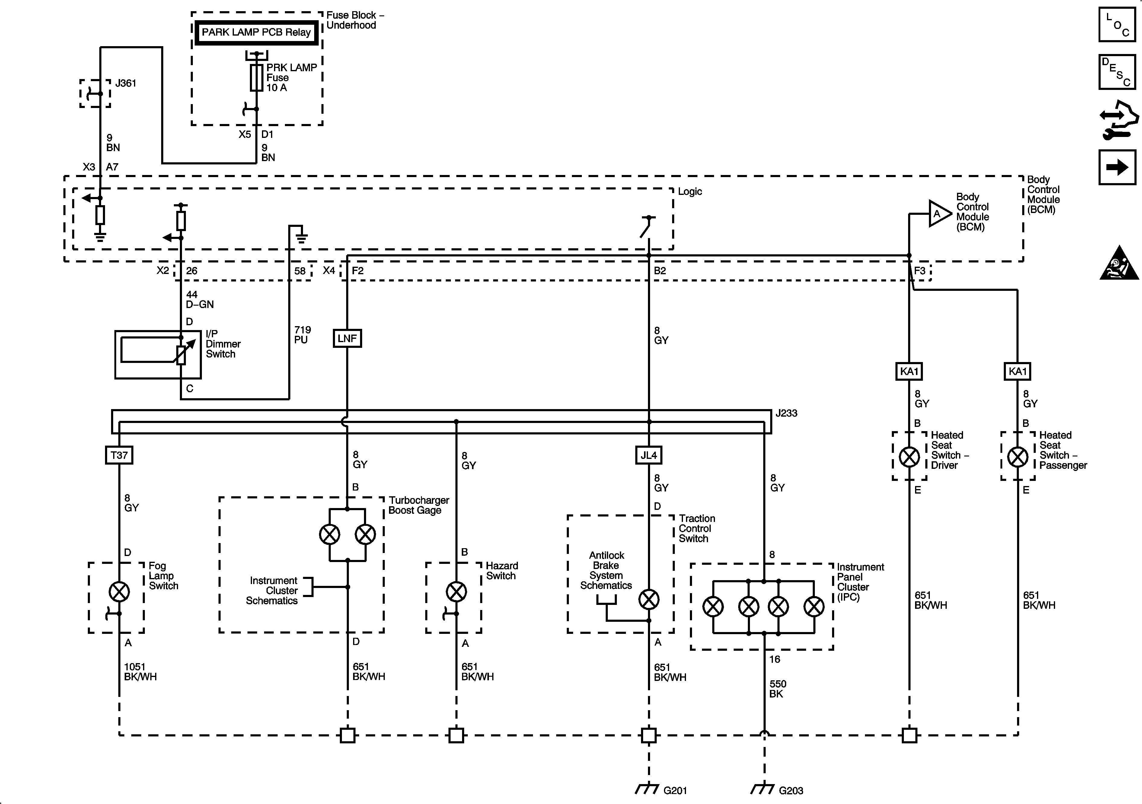
Figure 1:

Dimmer Switch Inputs


Object Number: 2077520  Size: FS
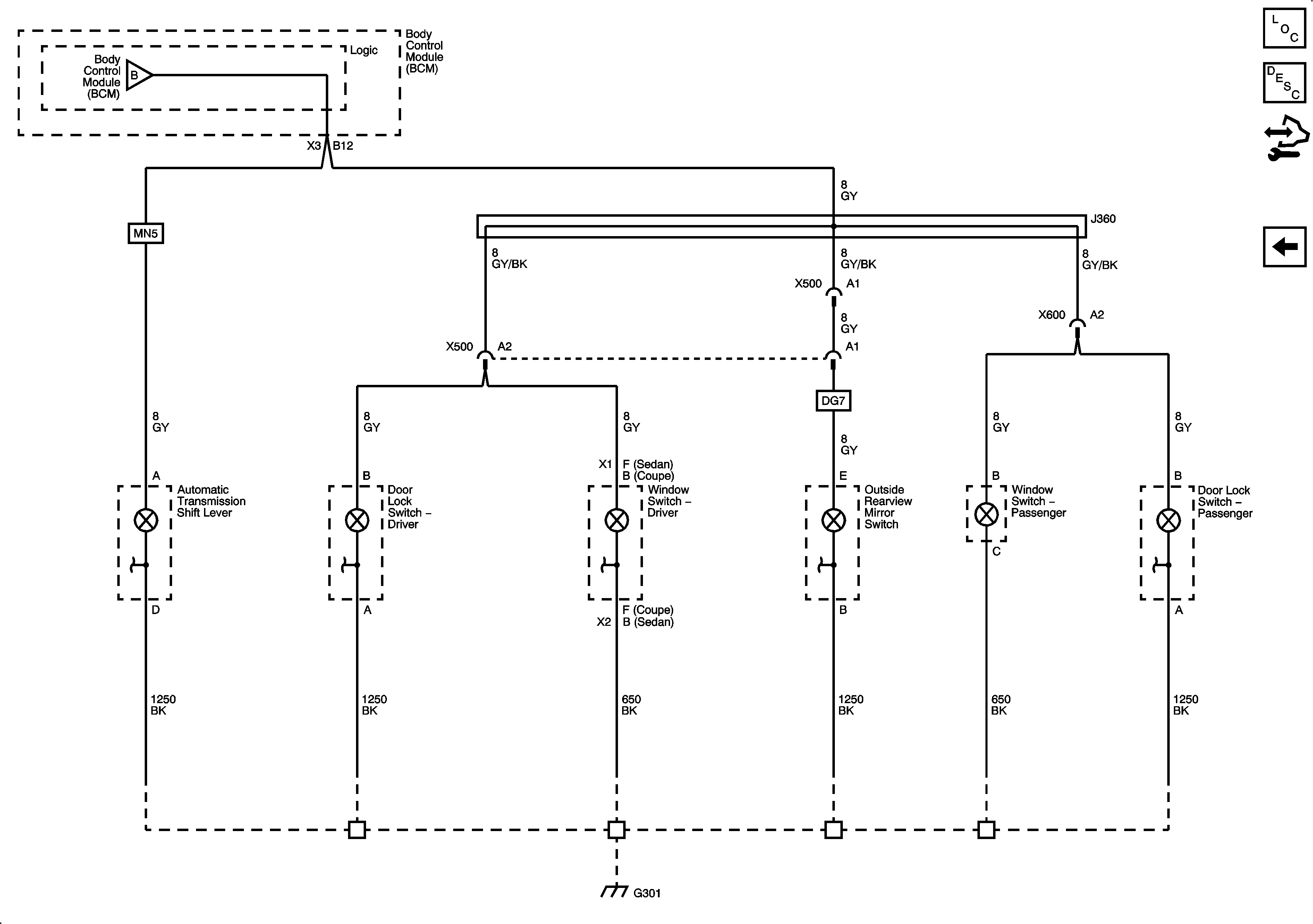
Figure 2:

I/P and Seat Lighting


Object Number: 2077522  Size: FS
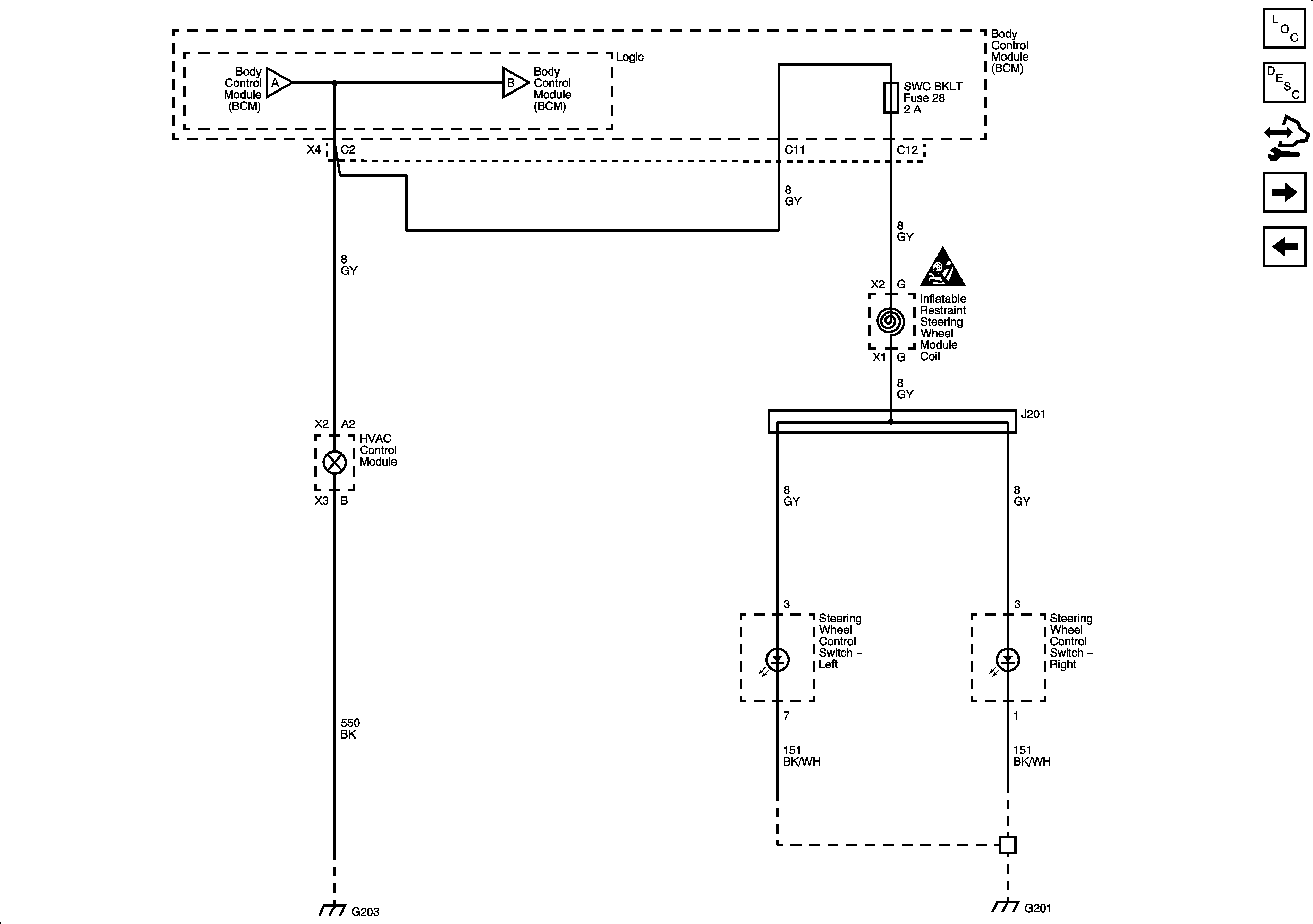
Figure 3:

Door and Seat Lighting


Object Number: 2077523  Size: FS