GM Service Manual Online
For 1990-2009 cars only
Makes
🢒
Pontiac
🢒
2009
🢒
G5
🢒
Power and Signal Distribution
🢒
Data Communications
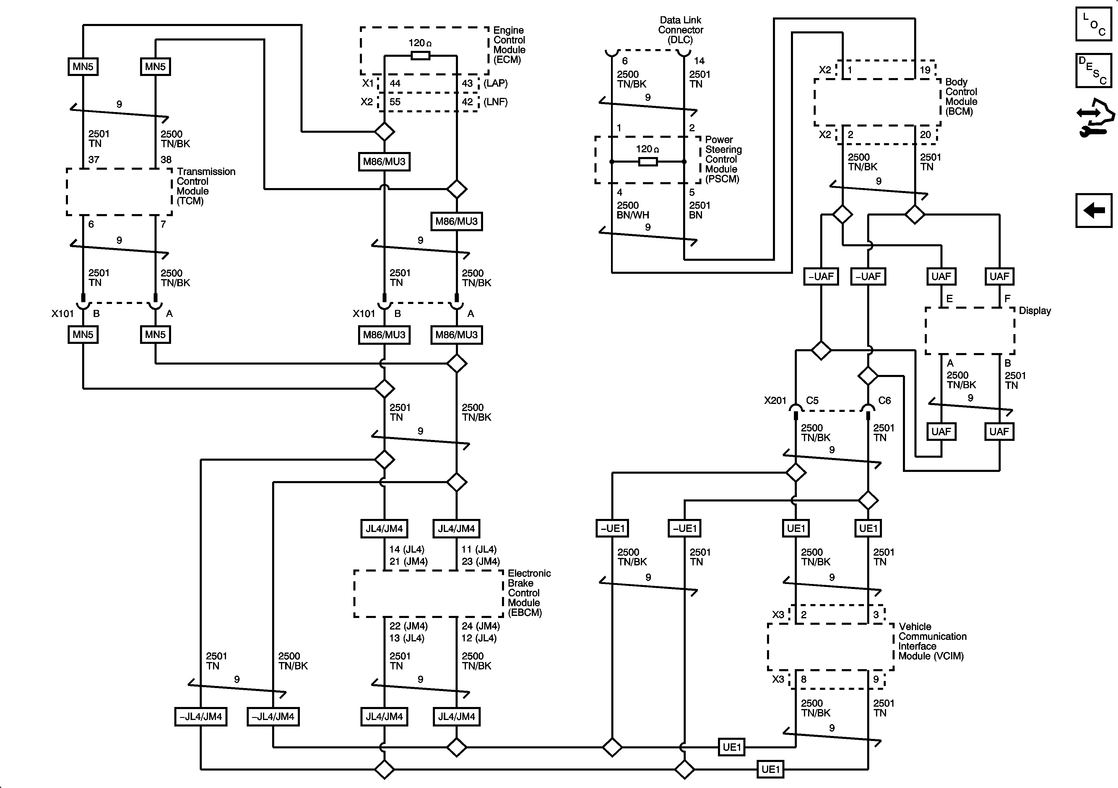
🢒 Data Communication Schematics
Figure
1:
Power, Ground, Low Speed GMLAN
Figure
2:
High Speed GMLAN