GM Service Manual Online
For 1990-2009 cars only

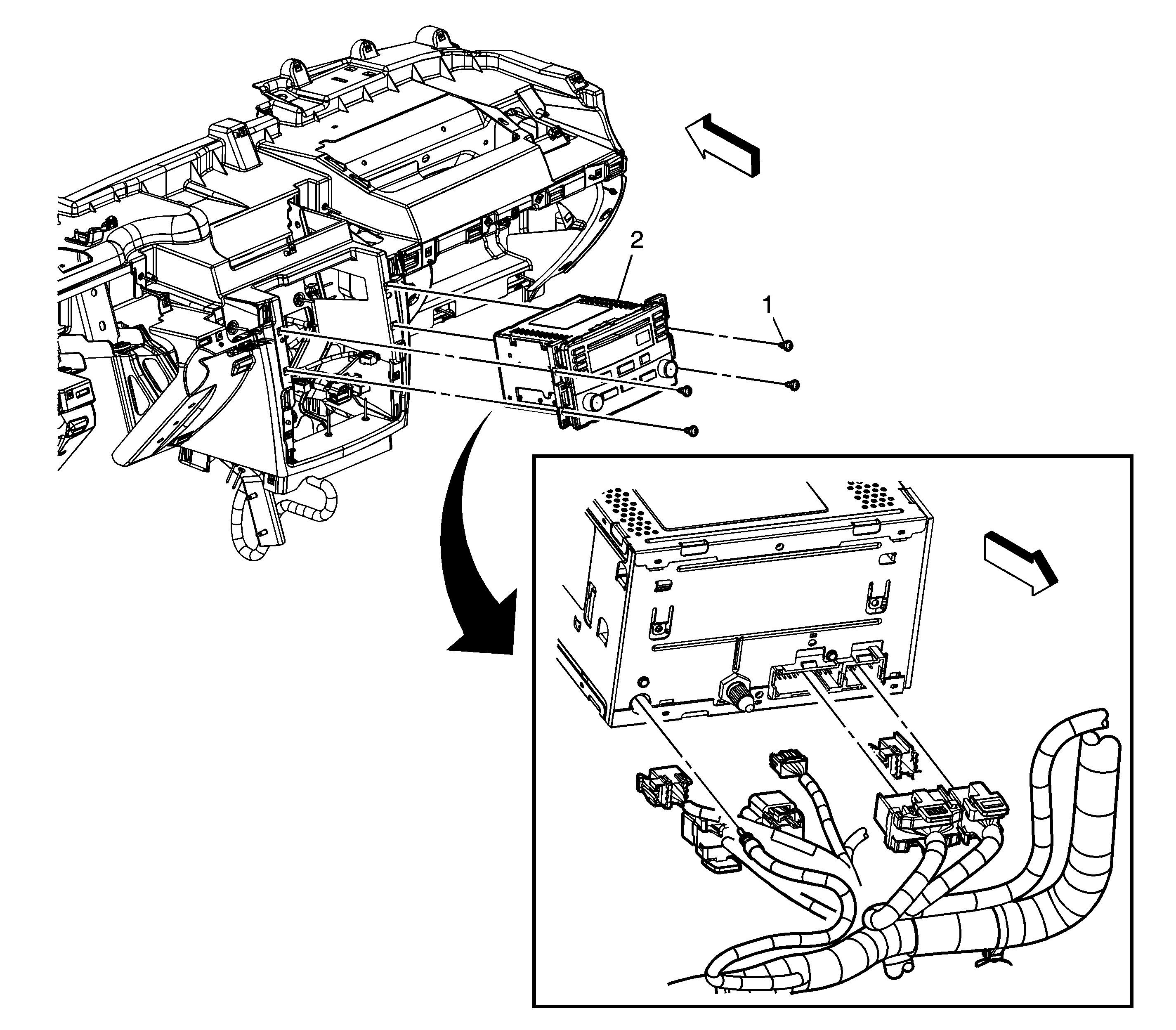
Object Number: 1545956  Size: LF

Callout

Component Name

Preliminary Procedures

  1. Remove the center instrument trim panel. Refer to Instrument Panel Center Trim Panel Replacement.
  2. Remove the HVAC controls.

1

Radio Screw (Qty: 4)

Caution: Refer to Fastener Caution in the Preface section.

Tighten
2 N·m (18 lb in)

2

Radio

Procedure

  1. Disconnect the electrical and antenna connectors.
  2. Reprogram the radio. Refer to Control Module References.

Tip
The HVAC control connector-1 and the radio connector-2 can be interchanged. Mark or place tape on the connector to avoid accidental interchange.