GM Service Manual Online
For 1990-2009 cars only
Makes
🢒
Pontiac
🢒
2009
🢒
G5
🢒
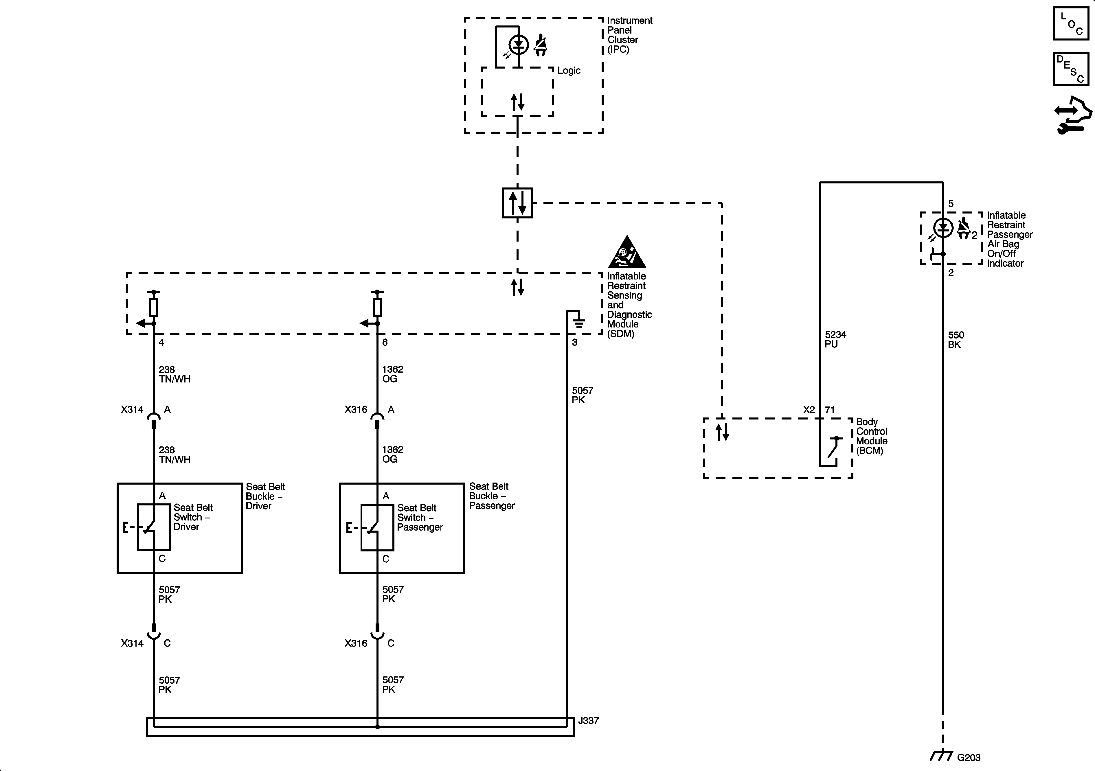
Safety and Security
🢒
Seat Belts
🢒 Seat Belt Schematics