GM Service Manual Online
For 1990-2009 cars only
Makes
🢒
Pontiac
🢒
2009
🢒
G5
🢒
Safety and Security
🢒
Supplemental Inflatable Restraints
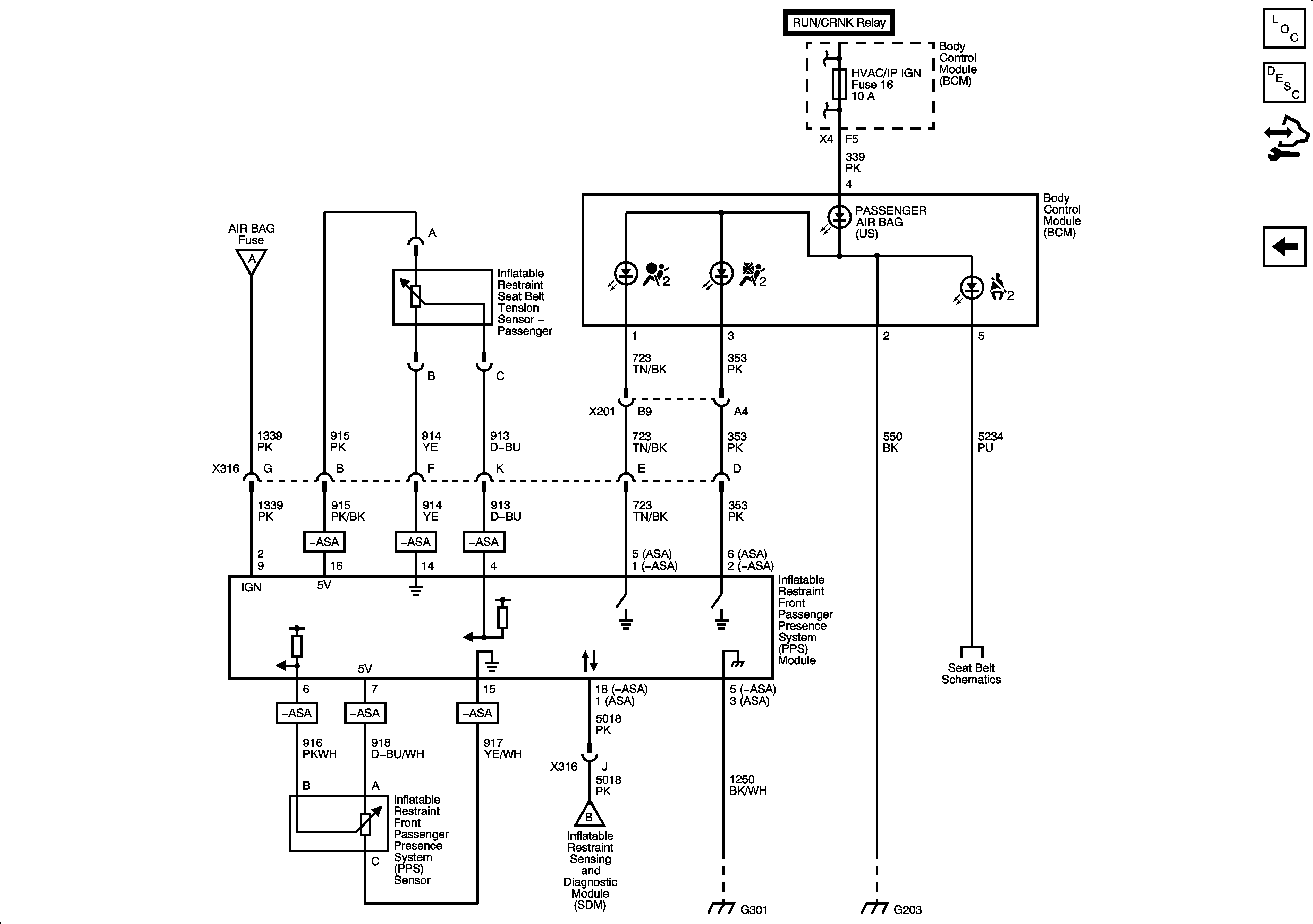
🢒 SIR Schematics
Figure
1:
Power, Ground, Indicators, Pretensioners, Front Modules
Figure
2:
Front and Side Sensors
Figure
3:
Passenger Presence System