GM Service Manual Online
For 1990-2009 cars only
Makes
🢒
Pontiac
🢒
2006
🢒
G6
🢒
Vehicle Control Systems
🢒
Computer/Integrating Systems
🢒 Retained Accessory Power (RAP) Schematics
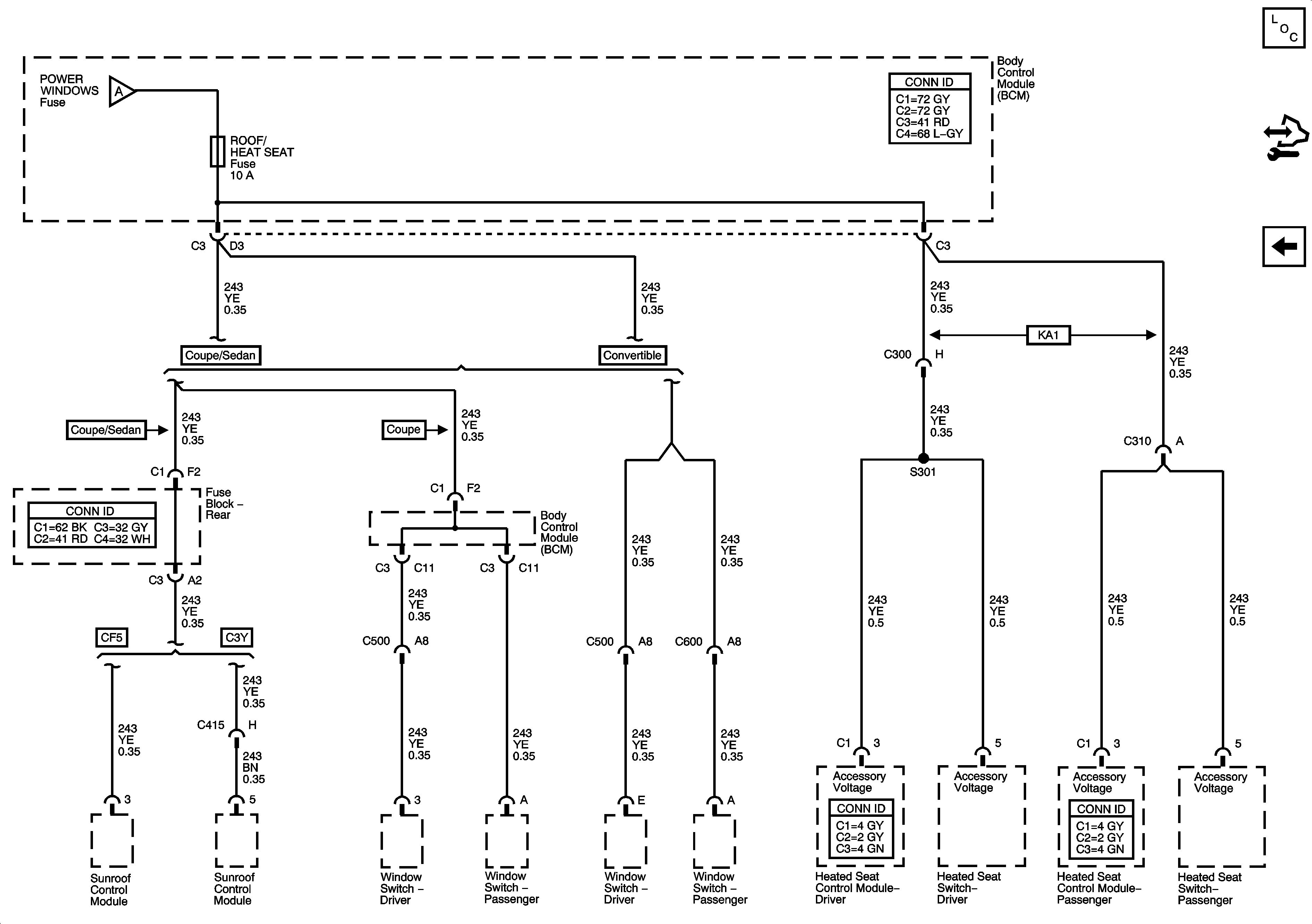
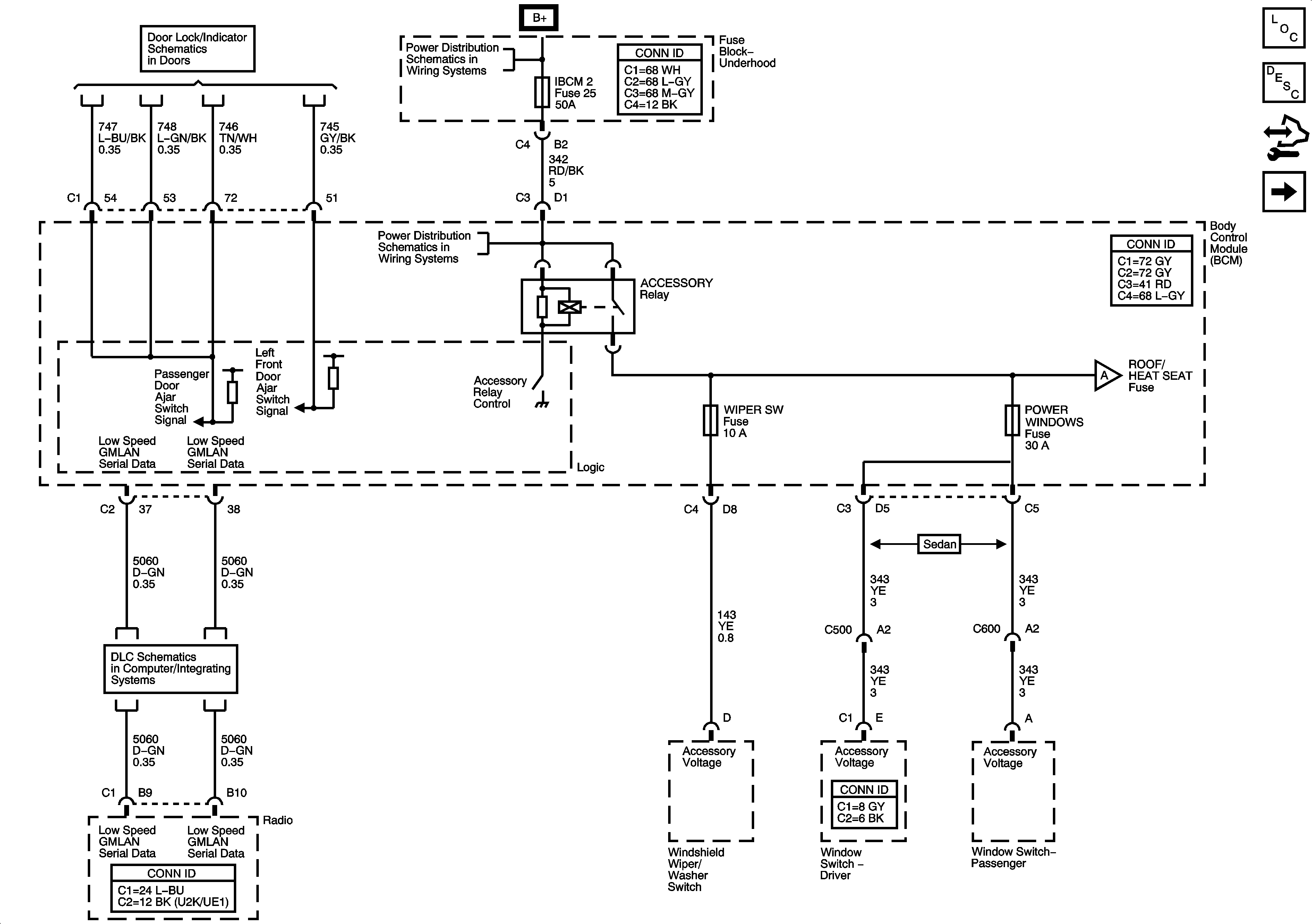
Figure
1:
DLC and Power
Master Electrical Component List
Retained Accessory Power (RAP) Description and Operation
Control Module References
Power
Door Ajar Indicators
Underhood Fuse Block IBCM 2, Body Control Module (BCM) ACCESSORY Relay, DOOR LOCK, POWER WINDOWS, ROOF/HEAT SEAT and WPR SW Fuses
Underhood Fuse Block DRL Relay, LO/BEAM Relay, HI/BEAM Relay, ABS, DRL, EPS, IBCM 1, IBCM 2, LT HI BEAM, LT LO BEAM, PCM, PWR WDO, CPE/CONV, RT HI BEAM, RT LOW BEAM, and TCM Fuses
Power
Low Speed Serial Data
Figure
2:
Power
Master Electrical Component List
Retained Accessory Power (RAP) Description and Operation
Control Module References
DLC and Power
DLC and Power