GM Service Manual Online
For 1990-2009 cars only
Makes
🢒
Pontiac
🢒
2006
🢒
G6
🢒
Accessories
🢒
Cellular Communication
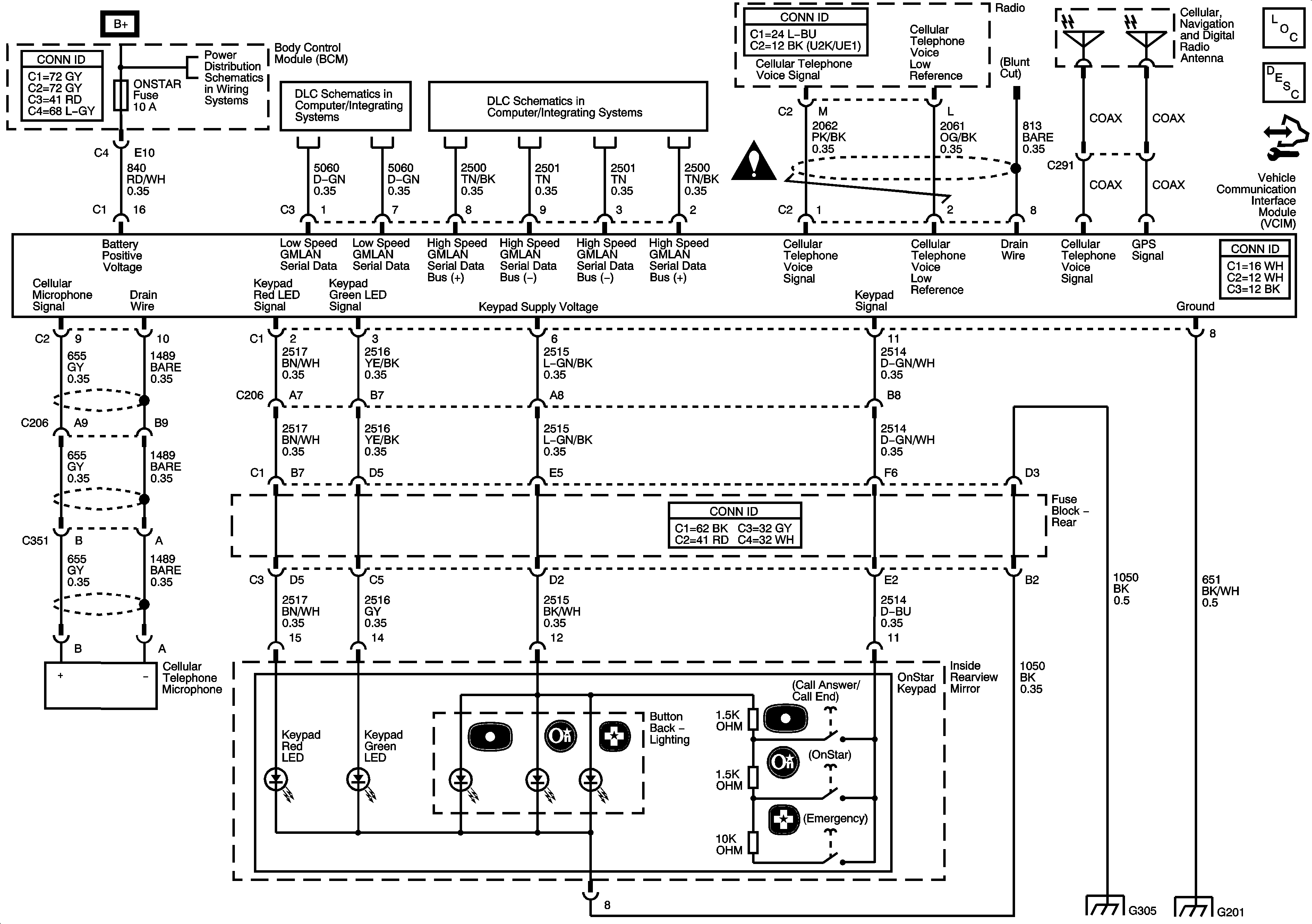
🢒 OnStar Schematics
Master Electrical Component List
OnStar Description and Operation
Control Module References
Body Control Module (BCM) INTERIOR LIGHTS, ONSTAR, PEDAL and POWER MIRRORS Fuses
Low Speed Serial Data
Power, Ground, Serial Data, High Speed GMLAN
G304 and G305
G304 and G305