GM Service Manual Online
For 1990-2009 cars only
Makes
🢒
Pontiac
🢒
2007
🢒
G6
🢒
Diagnostic Navigation
🢒
Vehicle Diagnostic Information
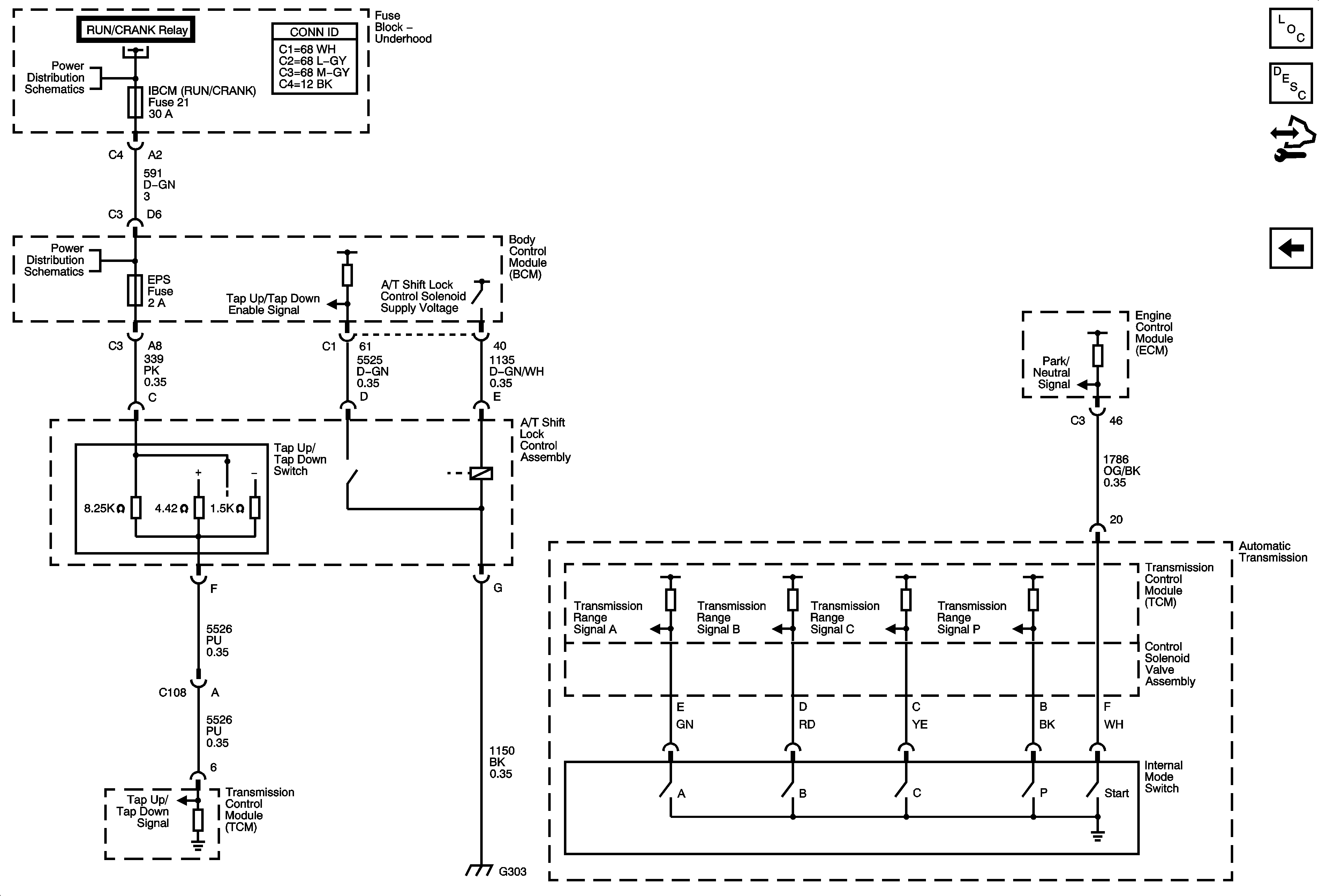
🢒 Automatic Transmission Controls Schematics
Figure
1:
Ground and Power
Master Electrical Component List
Transmission General Description
Control Module References
BCM, EBCM, ECM
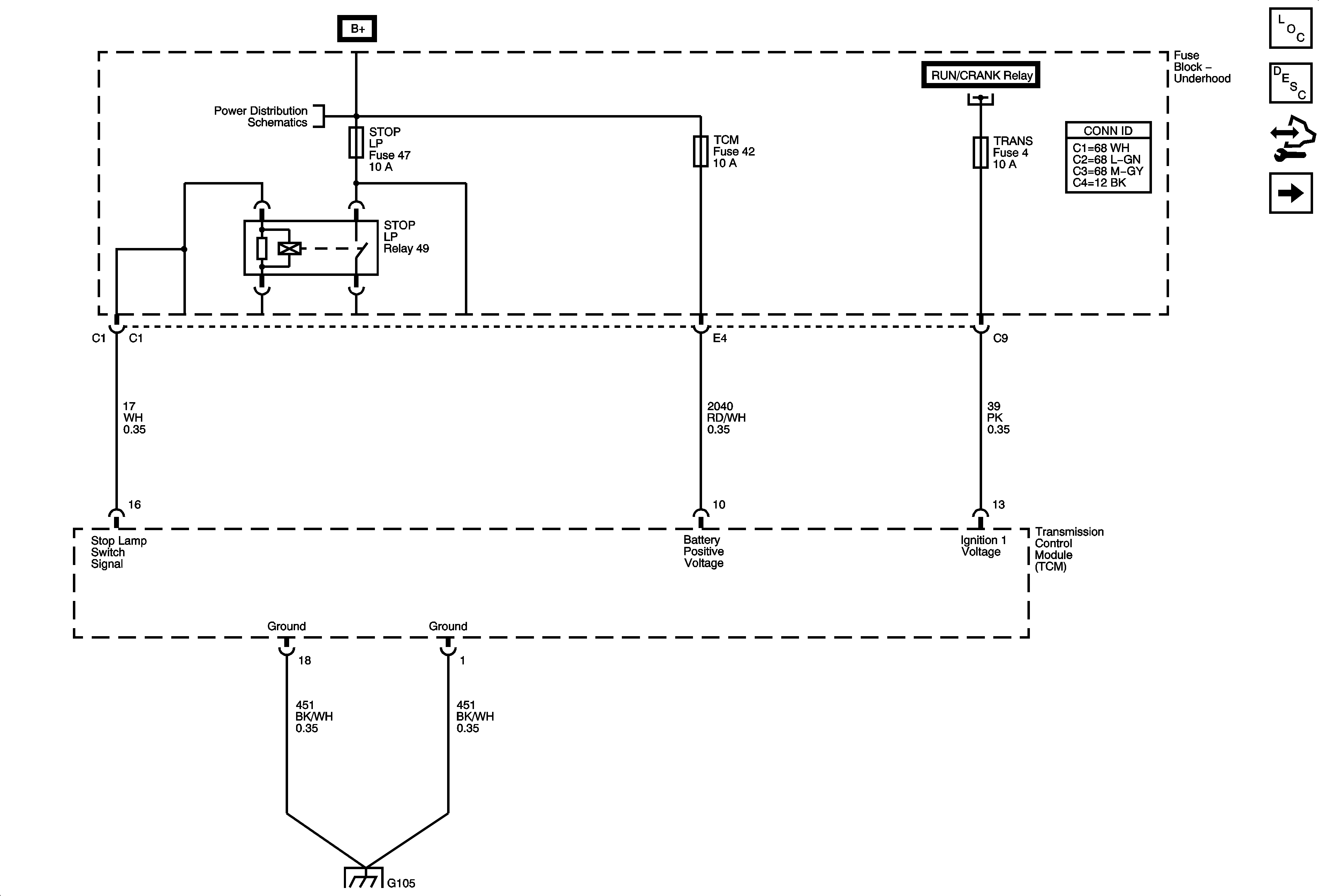
Underhood Fuse Block B+
Figure
2:
BCM, EBCM, ECM
Master Electrical Component List
Transmission General Description
Control Module References
BCM, Tap Up/Tap Down Switch
Ground and Power
Underhood Fuse Block IBCM 1 Fuse, BCM AIRBAG (BATT), CLUSTER/THEFT, HVAC CTRL (BATT), IGN SENSOR and RADIO Fuses and Ignition Switch
Figure
3:
BCM, Tap Up/Tap Down Switch
Master Electrical Component List
Transmission General Description
Control Module References
BCM, EBCM, ECM
Underhood Fuse Block RUN/CRANK Relay, ABS, IGN 1, INJ, PCM IGN 1 and TRANS Fuses
G303