GM Service Manual Online
For 1990-2009 cars only
Figure 1:

DLC, Ground and Power


Object Number: 1786688  Size: FS
Master Electrical Component List
Transmission General Description
Control Module References
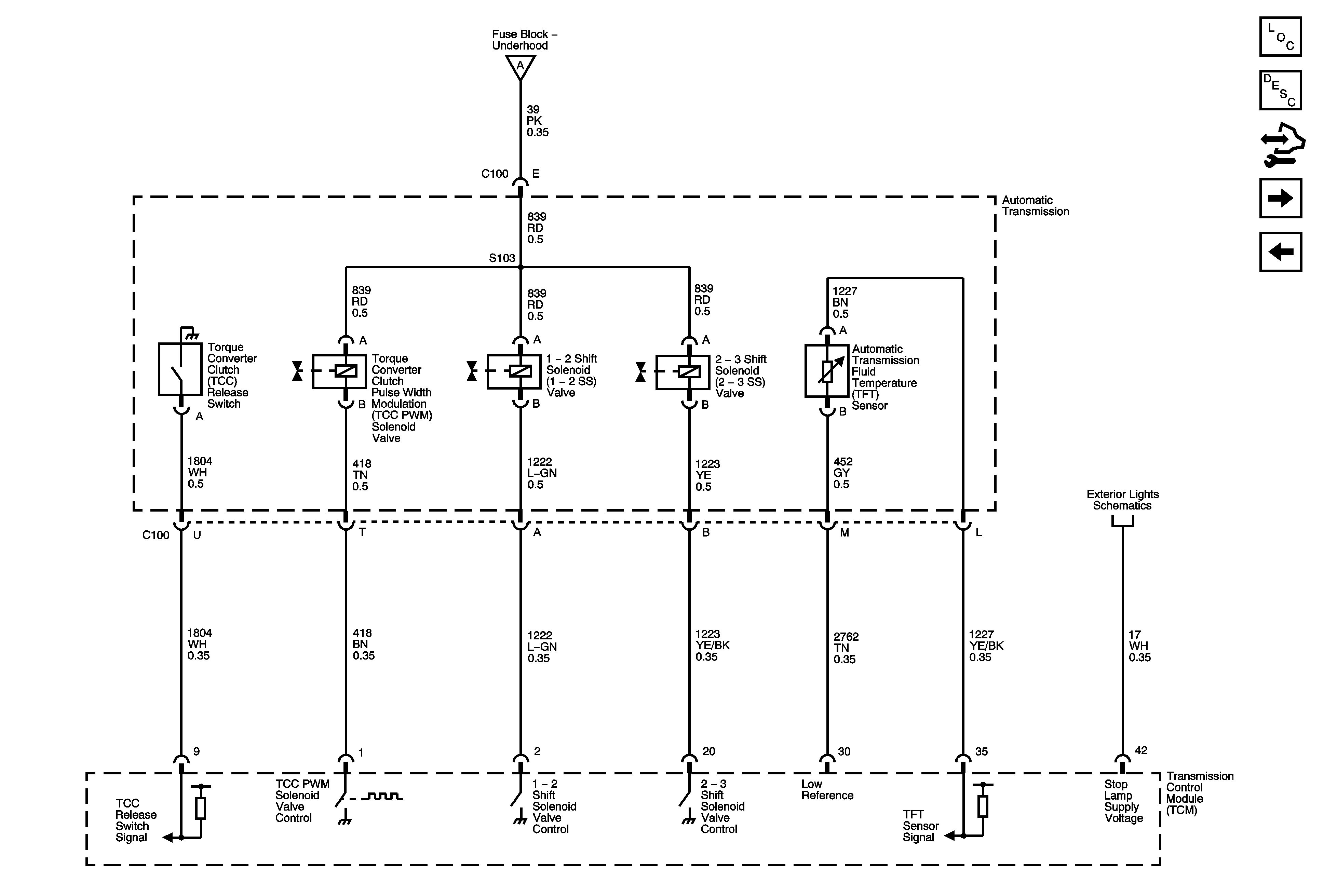
Shift Solenoids, TCC and TFT
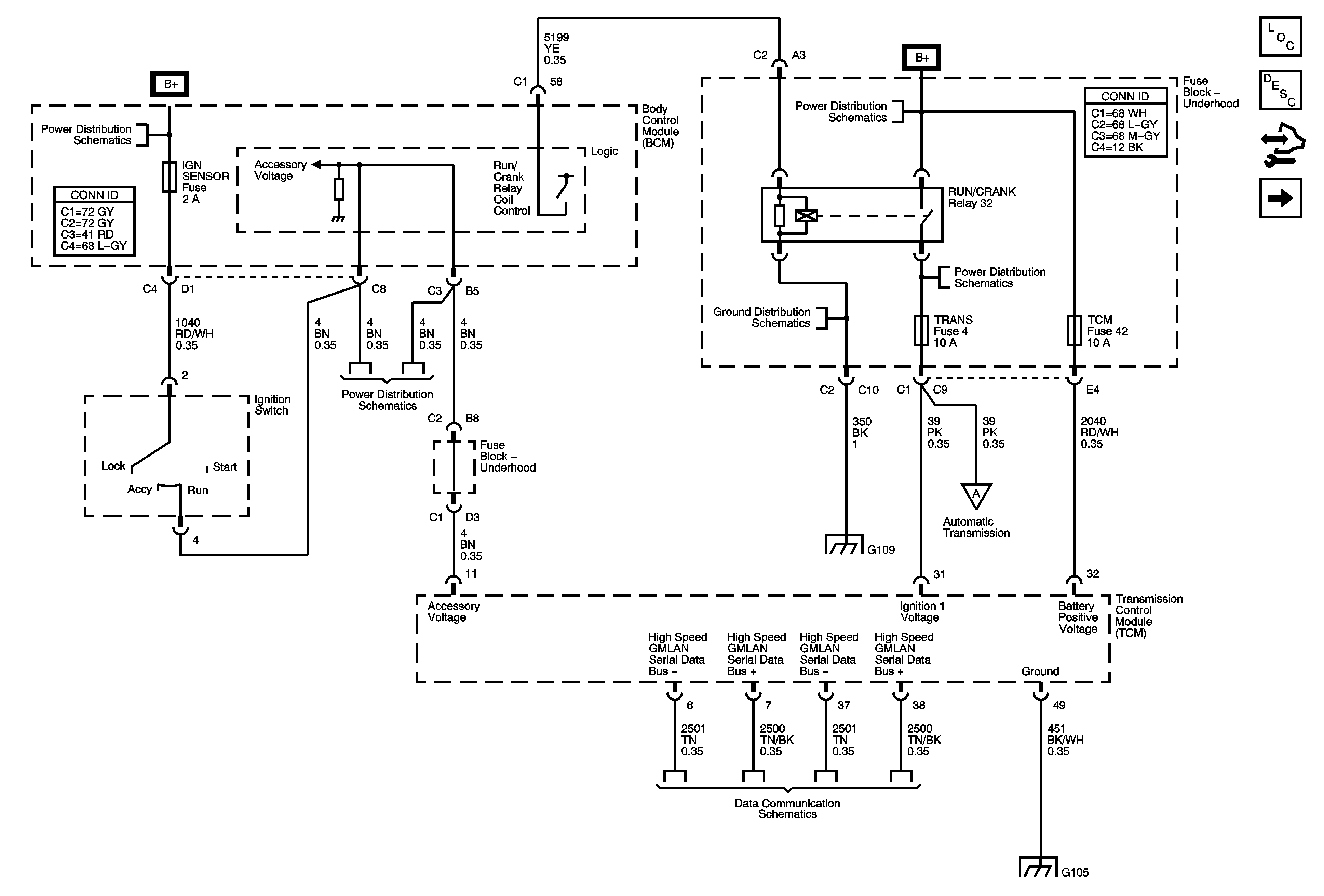
Underhood Fuse Block IBCM 1 Fuse, BCM AIRBAG (BATT), CLUSTER/THEFT, HVAC CTRL (BATT), IGN SENSOR and RADIO Fuses and Ignition Switch
Underhood Fuse Block B+
Underhood Fuse Block RUN/CRANK Relay, ABS, IGN 1, INJ, PCM IGN 1 and TRANS Fuses
G109
Underhood Fuse Block IBCM 1 Fuse, BCM AIRBAG (BATT), CLUSTER/THEFT, HVAC CTRL (BATT), IGN SENSOR and RADIO Fuses and Ignition Switch
G109
Shift Solenoids, TCC and TFT
Power, Ground, High Speed GMLAN Serial Data
G103, G104, and G105
Figure 2:

Shift Solenoids, TCC and TFT


Object Number: 1786693  Size: FS
Master Electrical Component List
Transmission General Description
Control Module References
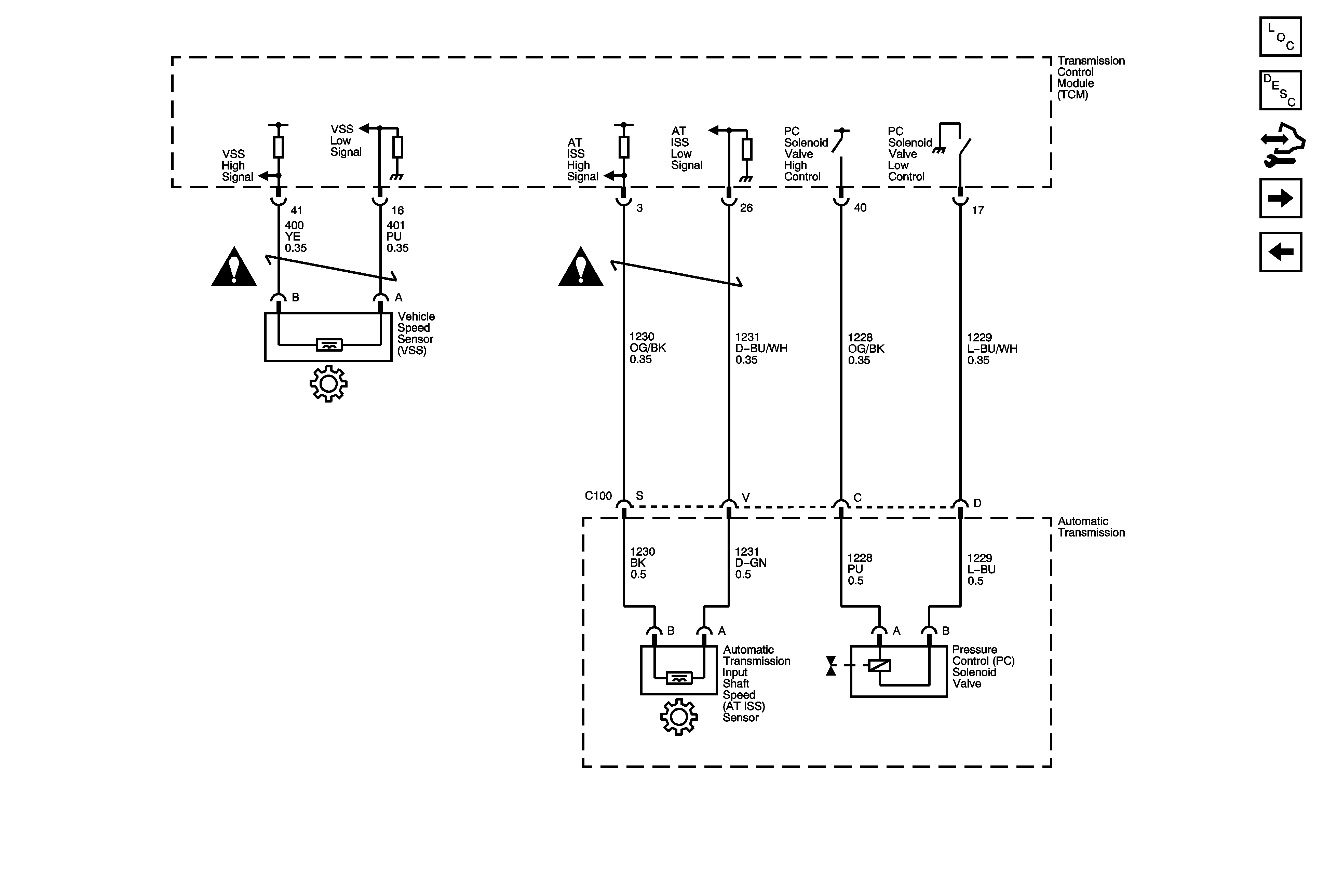
ISS, Pressure Controls and VSS
DLC, Ground and Power
DLC, Ground and Power
Turn Signals and Stop Lamps
Figure 3:

ISS, Pressure Control and VSS


Object Number: 1786697  Size: FS
Master Electrical Component List
Transmission General Description
Control Module References
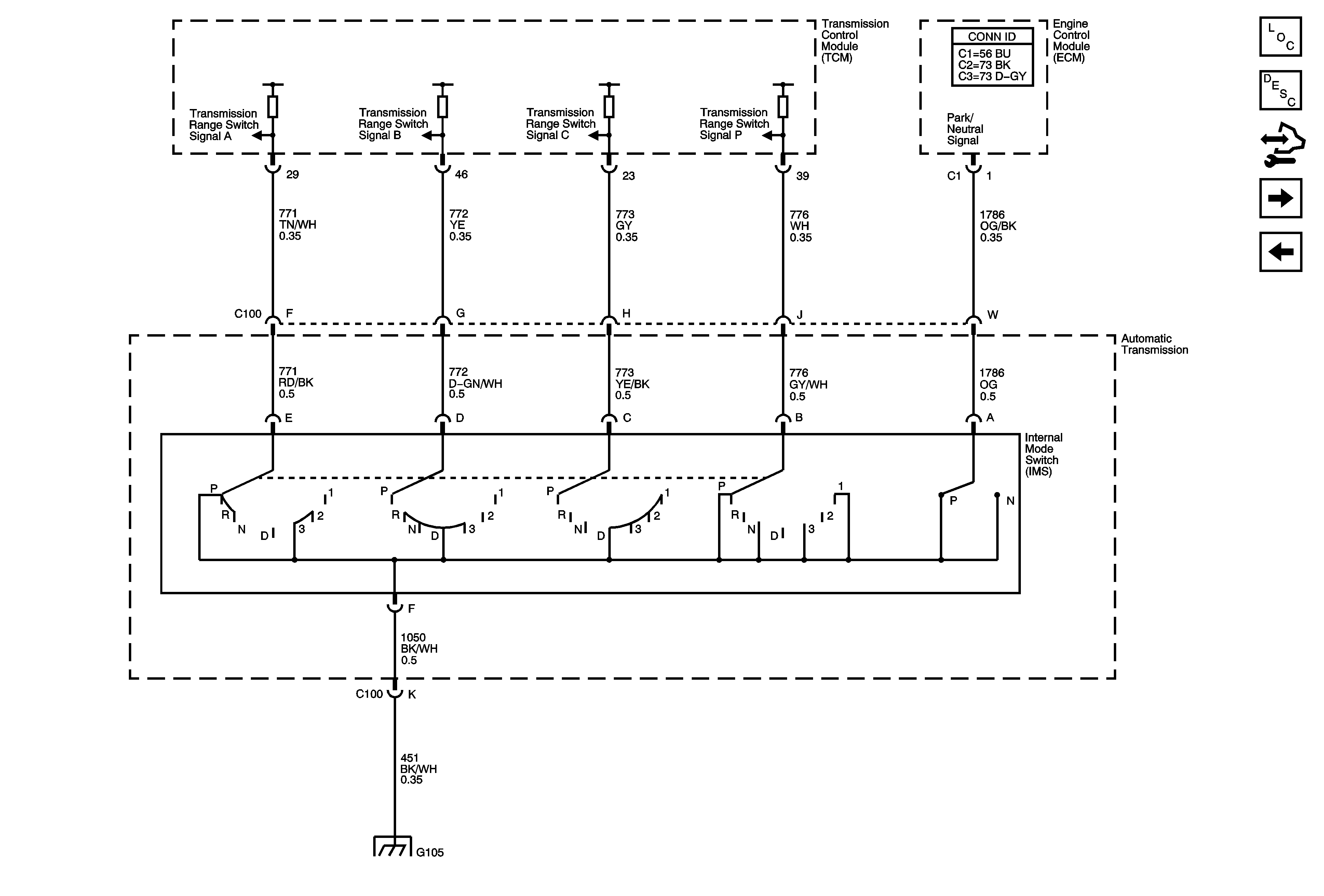
Internal Mode Switch (IMS)
Shift Solenoids, TCC and TFT
Automatic Transmission Schematic Icons
Automatic Transmission Schematic Icons
Figure 4:

Internal Mode Switch (IMS)


Object Number: 1786703  Size: FS
Master Electrical Component List
Transmission General Description
Control Module References
Tap Up/Tap Down Switch
ISS, Pressure Controls and VSS
G103, G104, and G105
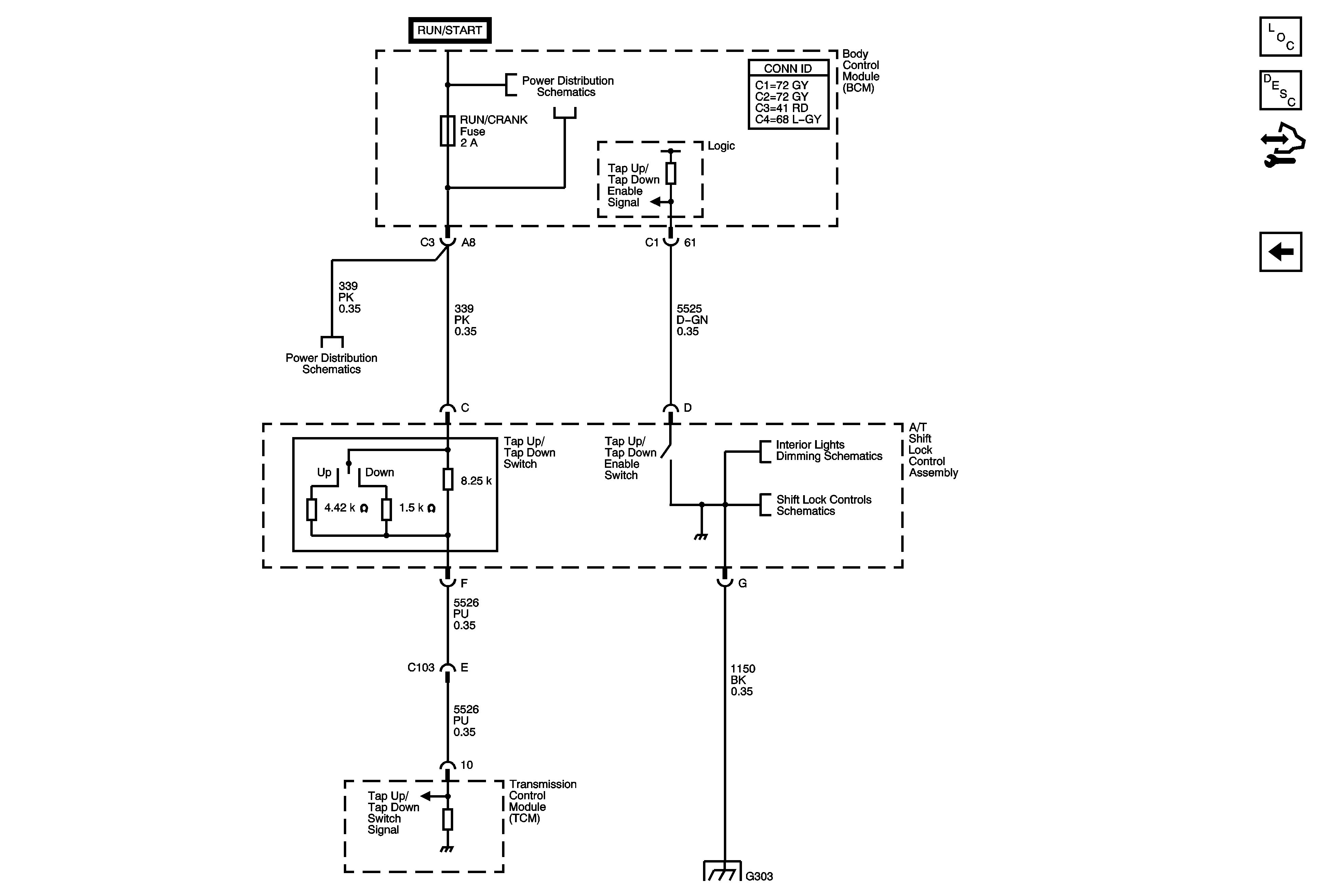
Figure 5:

Tap Up/Tap Down Switch


Object Number: 1786724  Size: FS
Master Electrical Component List
Transmission General Description
Control Module References
Internal Mode Switch (IMS)
Underhood Fuse Block IBCM (RUN/CRANK), BCM AIRBAG (IGN), EPS and RUN/CRANK Fuses
Underhood Fuse Block IBCM (RUN/CRANK), BCM AIRBAG (IGN), EPS and RUN/CRANK Fuses
G303