GM Service Manual Online
For 1990-2009 cars only

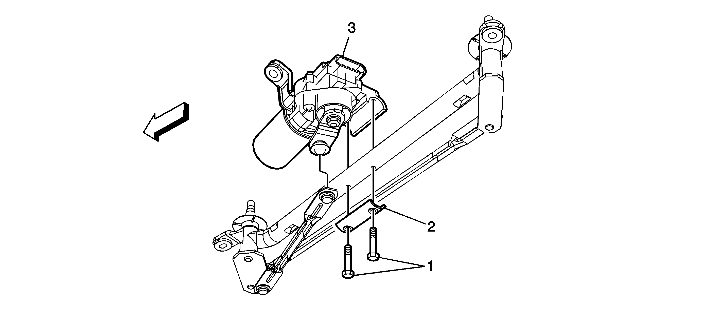
Object Number: 1576131  Size: SF

Callout

Component Name

Notice: Refer to Fastener Notice in the Preface section.

Fastener Tightening Specifications: Refer to Fastener Tightening Specifications .

Preliminary Procedures

  1. Remove the wiper arms. Refer to Windshield Wiper Arm Replacement .
  2. Remove the air inlet grille panel. Refer to Air Inlet Grille Panel Replacement .
  3. Remove the wiper drive system module. Refer to Windshield Wiper System Module Replacement .

1

Bolts, Windshield Wiper Motor (Qty: 2)

Tighten
4.5 N·m (40 lb in)

2

Spacer, Windshield Wiper Motor

3

Motor Assembly, Windshield Wiper

Tip

  1. Use the J 39232 or equivalent to separate the transmission arm from the wiper motor crank arm.
  2. Use the J 39529 or equivalent to install the transmission arm onto the wiper motor crank arm.