GM Service Manual Online
For 1990-2009 cars only
Makes
🢒
Pontiac
🢒
2007
🢒
G6
🢒
Body Systems
🢒
Wipers and Washers
🢒 Wiper/Washer Schematics
Figure
1:
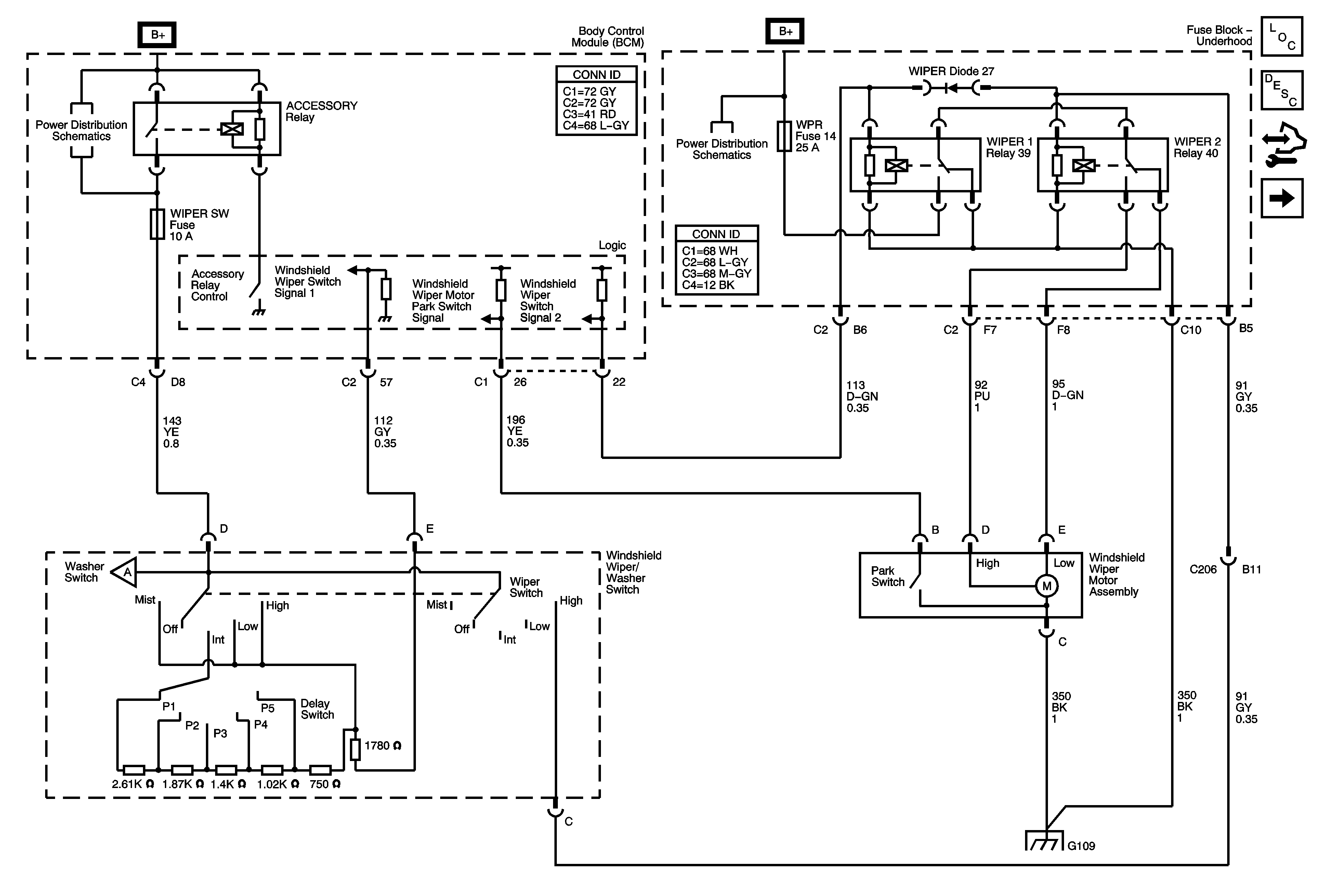
Wiper System
Master Electrical Component List
Wiper/Washer System Description and Operation
Control Module References
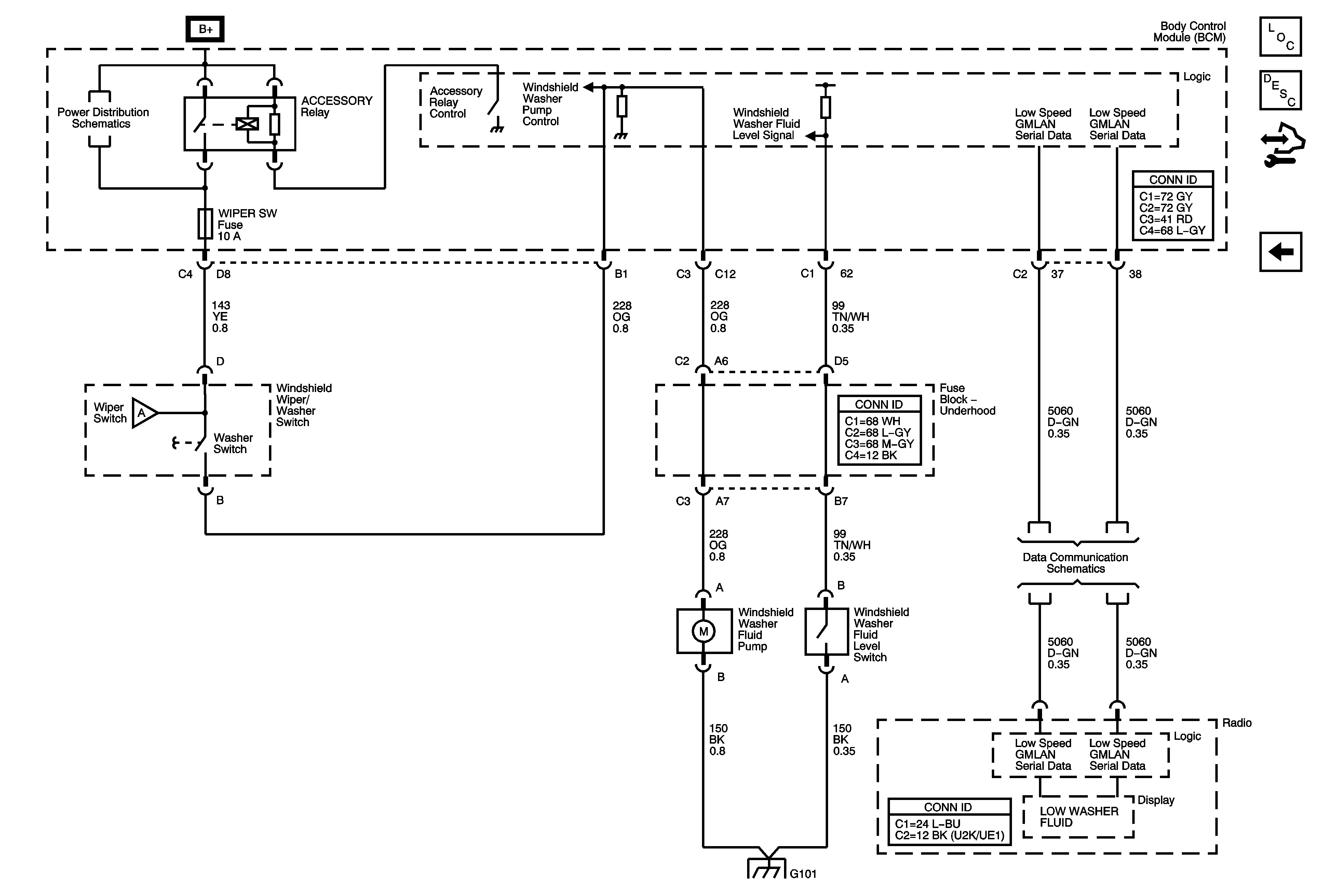
Washer System
07 G6-Underhood Fuse Block IBCM 2 Fuse, BCM ACCESSORY Relay, DOOR LOCK, POWER WINDOWS, ROOF/HEAT SEAT and WIPER SW Fuses
Underhood Fuse Block B+
Washer System
G109
Figure
2:
Washer System
Master Electrical Component List
Wiper/Washer System Description and Operation
Control Module References
Wiper System
07 G6-Underhood Fuse Block IBCM 2 Fuse, BCM ACCESSORY Relay, DOOR LOCK, POWER WINDOWS, ROOF/HEAT SEAT and WIPER SW Fuses
Wiper System
Low Speed GMLAN Serial Data (1 of 2)
G101 and G1012