GM Service Manual Online
For 1990-2009 cars only
Makes
🢒
Pontiac
🢒
2007
🢒
G6
🢒
Driver Information and Entertainment
🢒
Cellular, Entertainment, and Navigation
🢒 OnStar Schematics
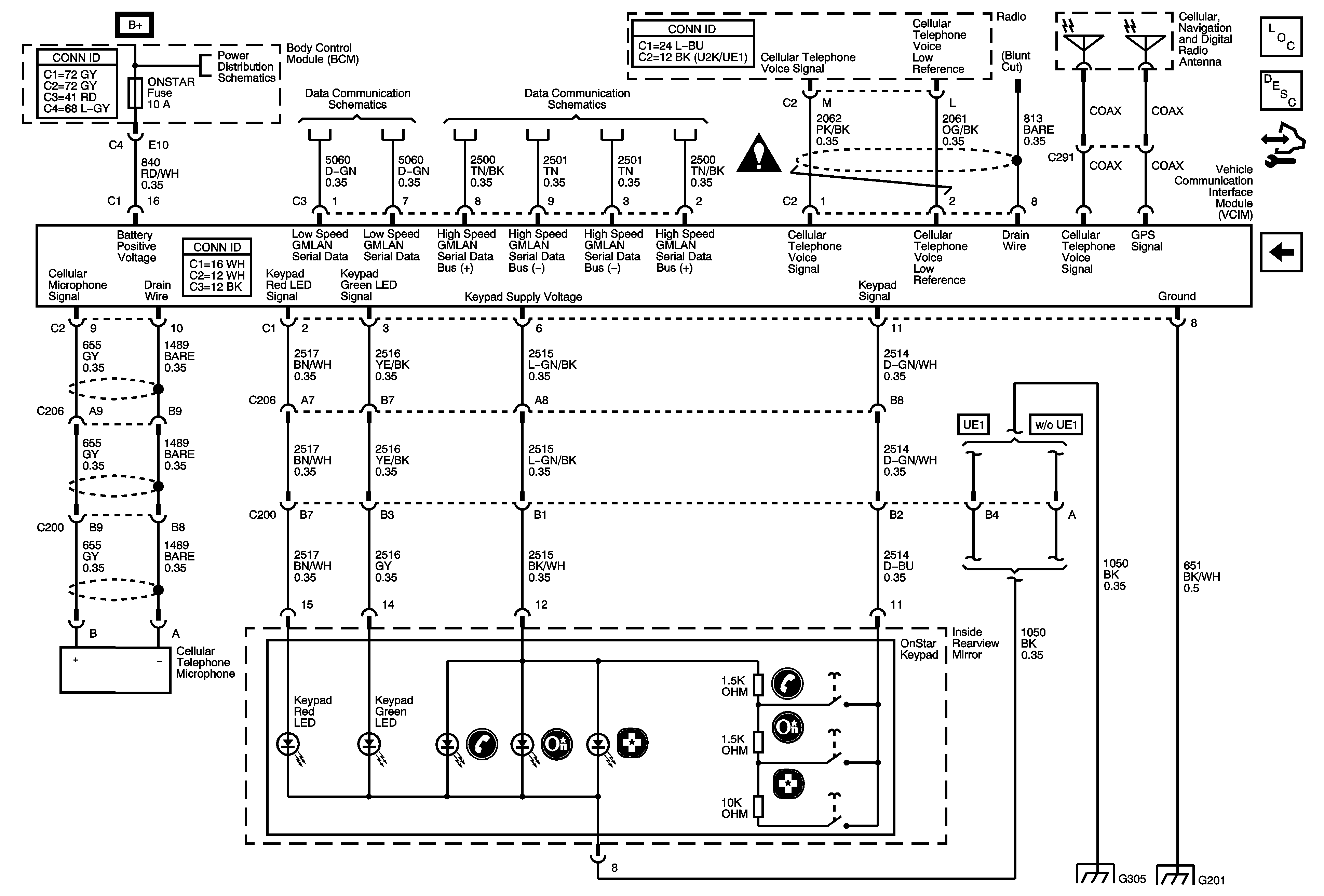
Figure
1:
Onstar (Coupe/Sedan)
Master Electrical Component List
OnStar Description and Operation
Control Module References
Onstar (Convertible)
BCM INTERIOR LIGHTS, ONSTAR, PEDAL and POWER MIRRORS Fuses
Low Speed GMLAN Serial Data (1 of 2)
Power, Ground, High Speed GMLAN Serial Data
Entertainment/Communication Schematic Icons
G304 and G305
G201
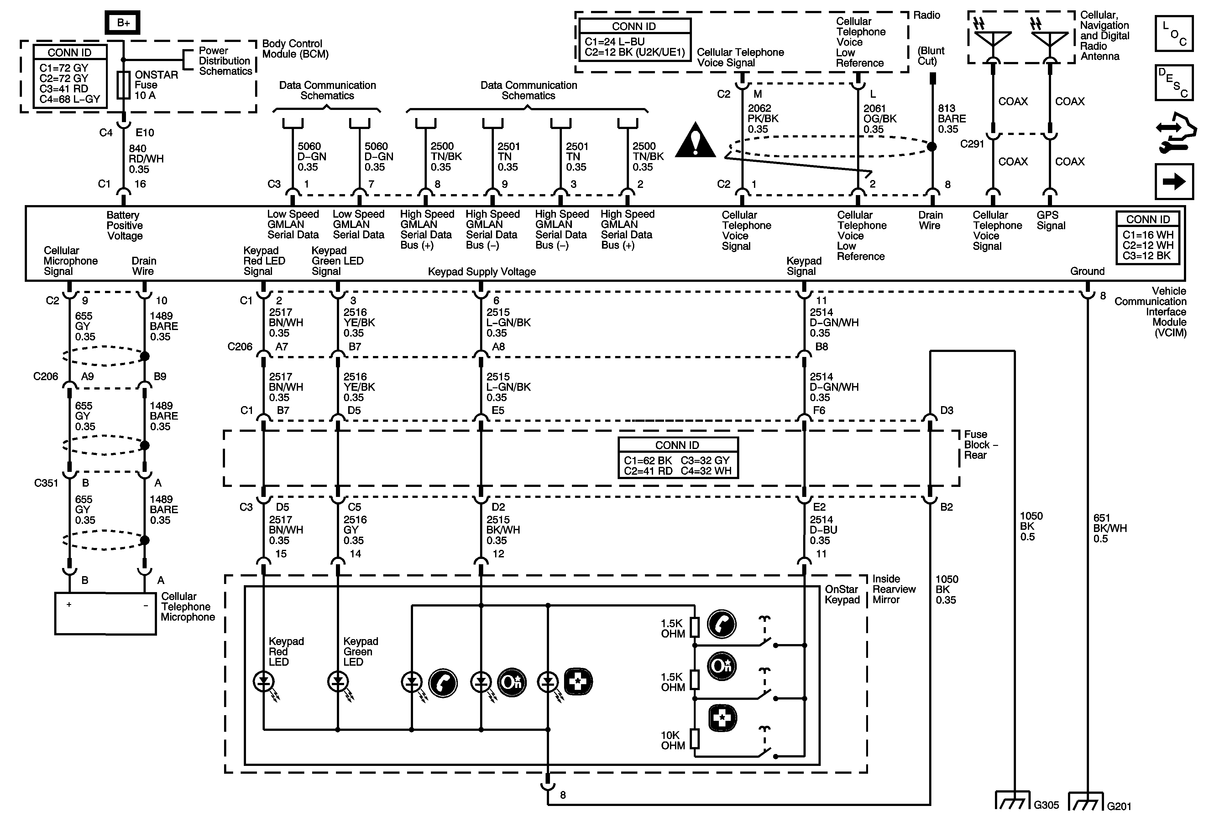
Figure
2:
Onstar (Convertible)
Master Electrical Component List
OnStar Description and Operation
Control Module References
OnStar - Coupe/Sedan
BCM INTERIOR LIGHTS, ONSTAR, PEDAL and POWER MIRRORS Fuses
Low Speed GMLAN Serial Data (1 of 2)
Power, Ground, High Speed GMLAN Serial Data
Entertainment/Communication Schematic Icons
G304 and G305
G201