GM Service Manual Online
For 1990-2009 cars only

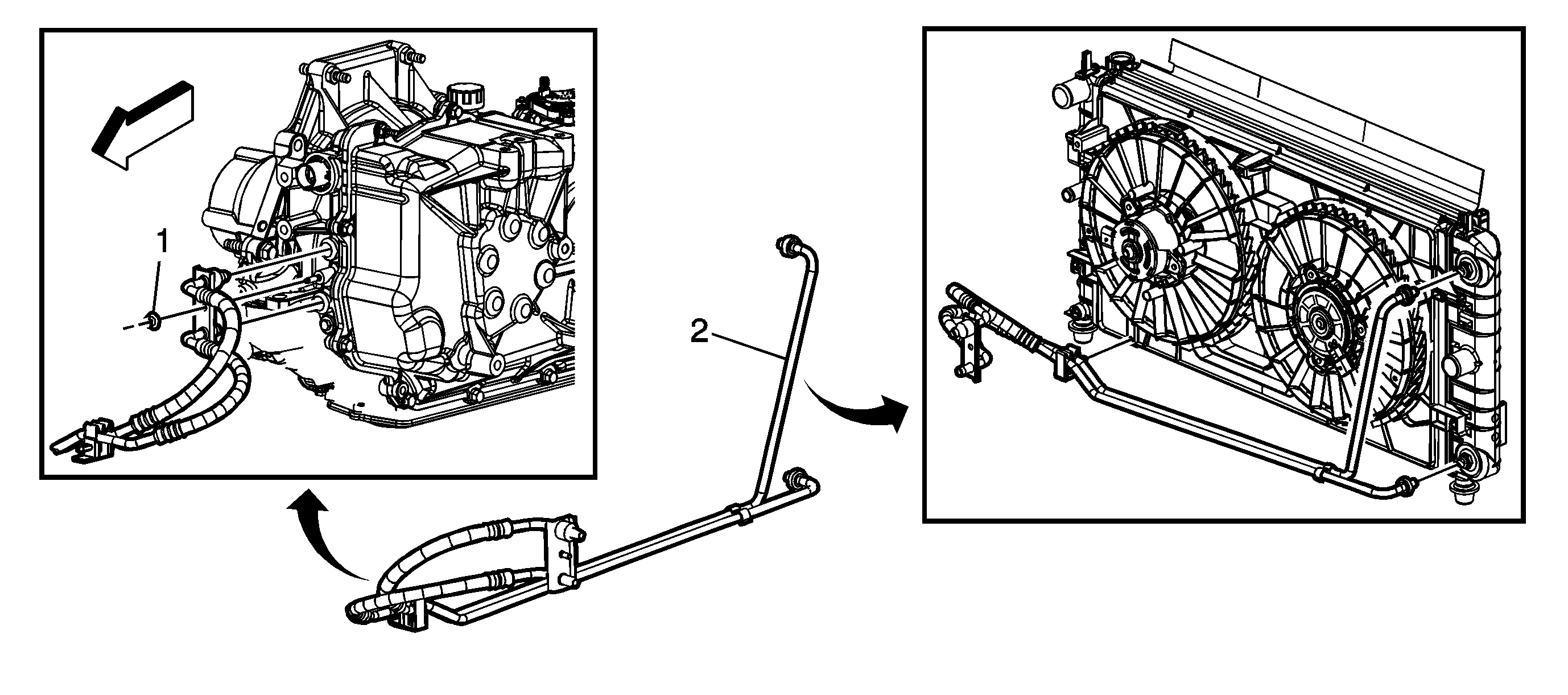
Transmission Fluid Cooler Hose Replacement LE5


Object Number: 1773997  Size: SF

Callout

Component Name

Preliminary Procedure

Remove the front air dam. Refer to Front Air Dam Replacement .

1

Transmission Fluid Cooler Pipe Bracket Nut

Notice: Refer to Fastener Notice in the Preface section.

Tip
Remove and discard the transaxle seals. Refer to Transmission Fluid Cooler Pipe Seal Replacement .

Tighten
22 N·m (16 lb ft)

2

Transmission Fluid Cooler Hose Assembly

Procedure

  1. Disconnect the transmission lines from the radiator. Refer to Transmission Fluid Cooler Hose/Pipe Quick-Connect Fitting Disconnection and Connection .
  2. Note the routing of the transmission line to ensure proper installation.
  3. Inspect the transmission fluid level. Refer to Transmission Fluid Check .

Transmission Fluid Cooler Hose Replacement LZ4


Object Number: 1773996  Size: SF

Callout

Component Name

Preliminary Procedure

Remove the front air dam. Refer to Front Air Dam Replacement .

1

Transmission Fluid Cooler Pipe Bracket Nut

Notice: Refer to Fastener Notice in the Preface section.

Tip
Remove and discard the transaxle seals. Refer to Transmission Fluid Cooler Pipe Seal Replacement .

Tighten
22 N·m (16 lb ft)

2

Transmission Fluid Cooler Hose Assembly

Procedure

  1. Disconnect the transmission lines from the radiator. Refer to Transmission Fluid Cooler Hose/Pipe Quick-Connect Fitting Disconnection and Connection .
  2. Note the routing of the transmission line to ensure proper installation.
  3. Remove the transmission line from the clip securing the lines to the fan shroud.
  4. Inspect the transmission fluid level. Refer to Transmission Fluid Check .