GM Service Manual Online
For 1990-2009 cars only

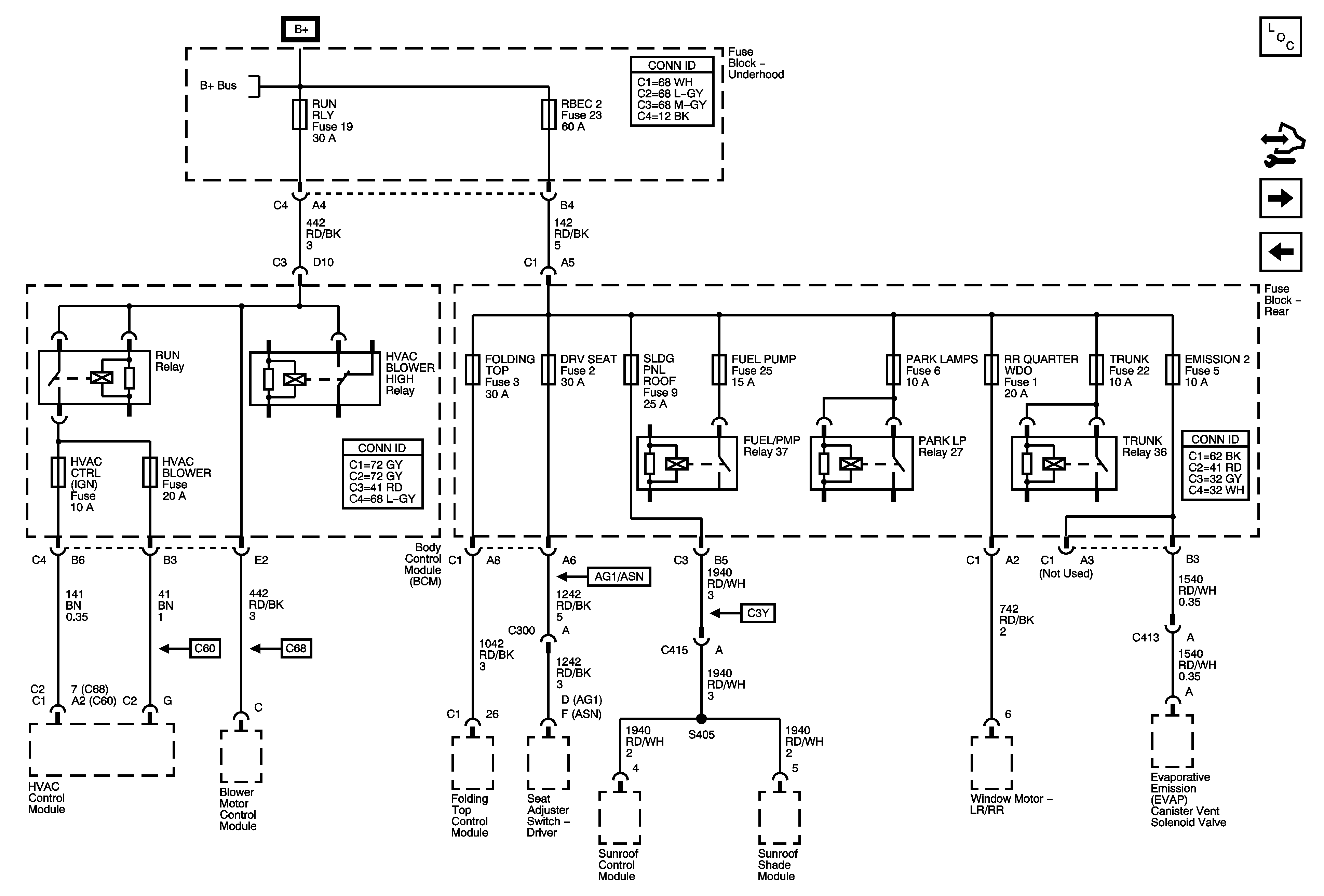
Underhood Fuse Block RBEC 2 Fuse and RUN RLY, BCM HVAC BLOWER HIGH and RUN Relays, HVAC BLOWER and HVAC CTRL (IGN) Fuses, Rear Fuse Block FUEL, PARK LPS and TRUNK Relays, DRV ST, EMISSION 2, FOLDING T

Underhood Fuse Block RBEC 2, RUN RLY, Body Control Module (BCM), HVAC BLOWER HIGH Relay, RUN Relay, HVAC BLOWER, HVAC CTRL (IGN) Rear Fuse Block FUEL Relay, PARK LPS Relay, TRUNK Relay, DRV ST, EMISSION 2, FUEL, PARK LPS and TRUNK Fuses


Object Number: 1782527  Size: FS
Master Electrical Component List
Control Module References
Underhood Fuse Block DRL, LO/BEAM and HI/BEAM Relays, ABS, DRL, EPS, IBCM 1, IBCM 2, LT HI BEAM, LT LOW BEAM, PCM, PWR WDO CPE/CONV, RT HI BEAM, RT LOW BEAM and TCM Fuses
Underhood Fuse Block RBEC 1 Fuse and Rear Fuse Block AUDIO AMP, BACK UP LP, CIG/AUX, FOLDING TOP LOGIC POWER HTD ST, RKE/XM/DVD/UGD, RR DEFOG and SUN RF Fuses and BACK UP LP and RR DEFOG Relays
Underhood Fuse Block B+