GM Service Manual Online
For 1990-2009 cars only
Makes
🢒
Pontiac
🢒
2007
🢒
G6
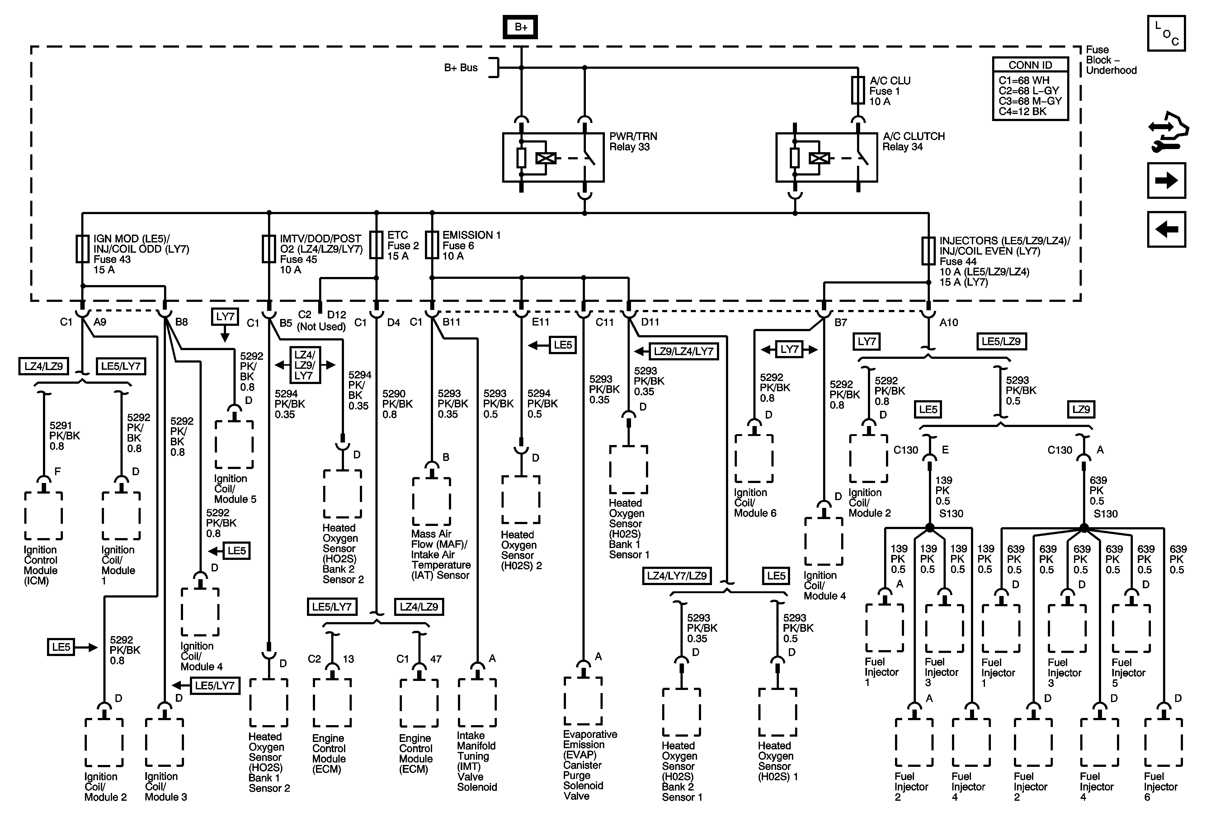
🢒 Underhood Fuse Block A/C CLUTCH and PWR/TRN Relays, EMISSION 1, ETC, IGN MOD and IMTV/DOD Fuses
Underhood Fuse Block A/C CLUTCH and PWR/TRN Relays, EMISSION 1, ETC, IGN MOD and IMTV/DOD Fuses
Underhood Fuse Block A/C CLUTCH Relay, PWR/TRN Relay, A/C CLU, EMISSION 1, ETC, IGN MOD and IMTV/DOD Fuses
Master Electrical Component List
Control Module References
07 G6-Underhood Fuse Block IBCM 2 Fuse, BCM ACCESSORY Relay, DOOR LOCK, POWER WINDOWS, ROOF/HEAT SEAT and WIPER SW Fuses
Underhood Fuse Block RUN/CRANK Relay, ABS, IGN 1, INJ, PCM IGN 1 and TRANS Fuses
Underhood Fuse Block B+