GM Service Manual Online
For 1990-2009 cars only
Makes
🢒
Pontiac
🢒
2007
🢒
G6
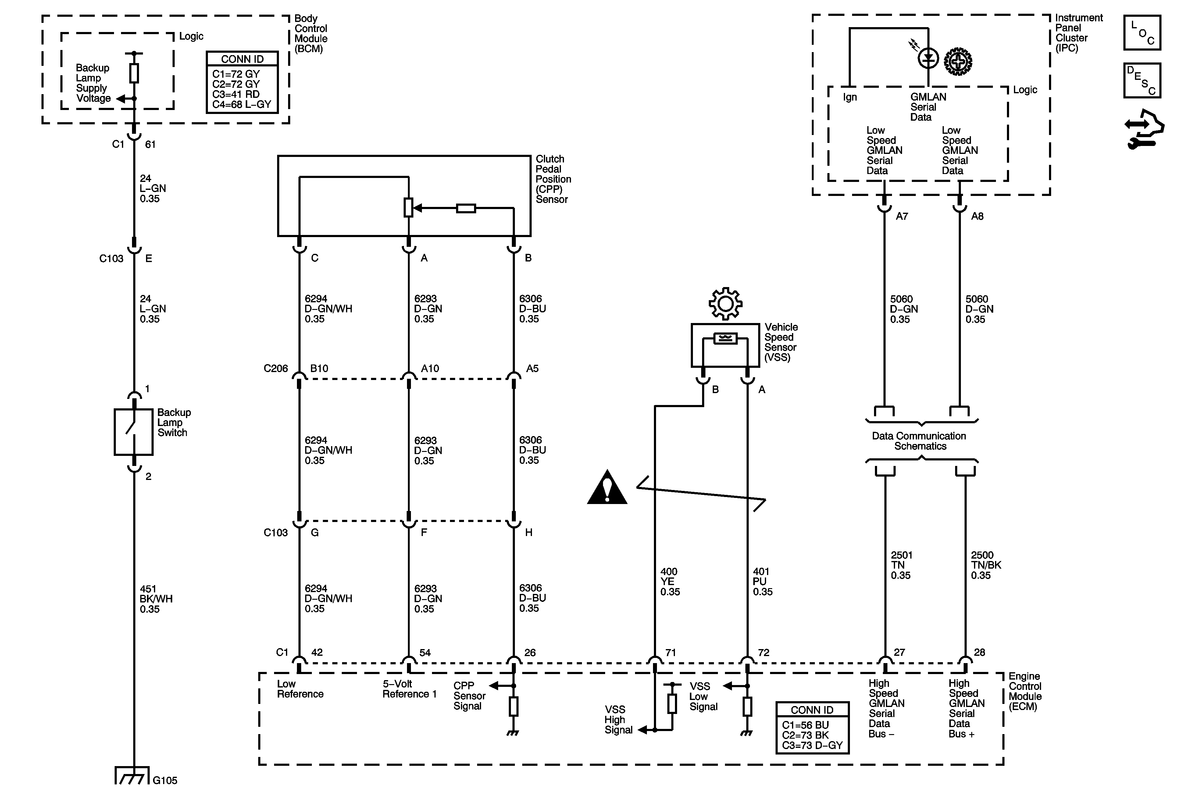
🢒 Manual Transmission Schematics
Manual Transmission Schematics
Master Electrical Component List
Transmission System Description and Operation
Control Module References
G103, G104, and G105
Manual Transmission Schematic Icons
Power, Ground, High Speed GMLAN Serial Data