GM Service Manual Online
For 1990-2009 cars only
Makes
🢒
Pontiac
🢒
2007
🢒
G6
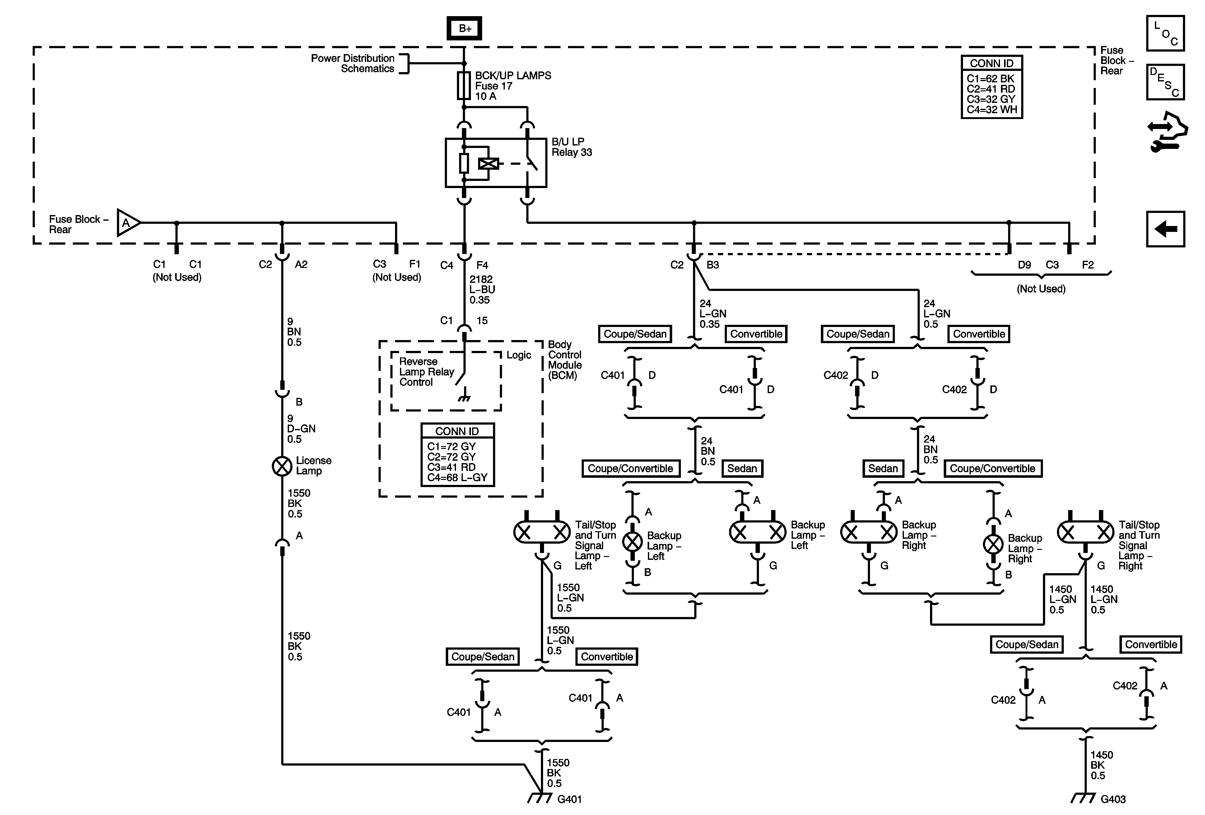
🢒 License Lamps and Backup Lamps
License Lamps and Backup Lamps
License Lamps and Backup Lamps
Master Electrical Component List
Exterior Lighting Systems Description and Operation
Control Module References
Park Lamps
Underhood Fuse Block RBEC 1 Fuse and Rear Fuse Block AUDIO AMP, BACK UP LP, CIG/AUX, FOLDING TOP LOGIC POWER HTD ST, RKE/XM/DVD/UGD, RR DEFOG and SUN RF Fuses and BACK UP LP and RR DEFOG Relays
Park Lamps
G401 and G403
G401 and G403