GM Service Manual Online
For 1990-2009 cars only
Makes
🢒
Pontiac
🢒
2007
🢒
G6
🢒 Switches 2 of 2
Switches 2 of 2
Switches 2 of 2
Master Electrical Component List
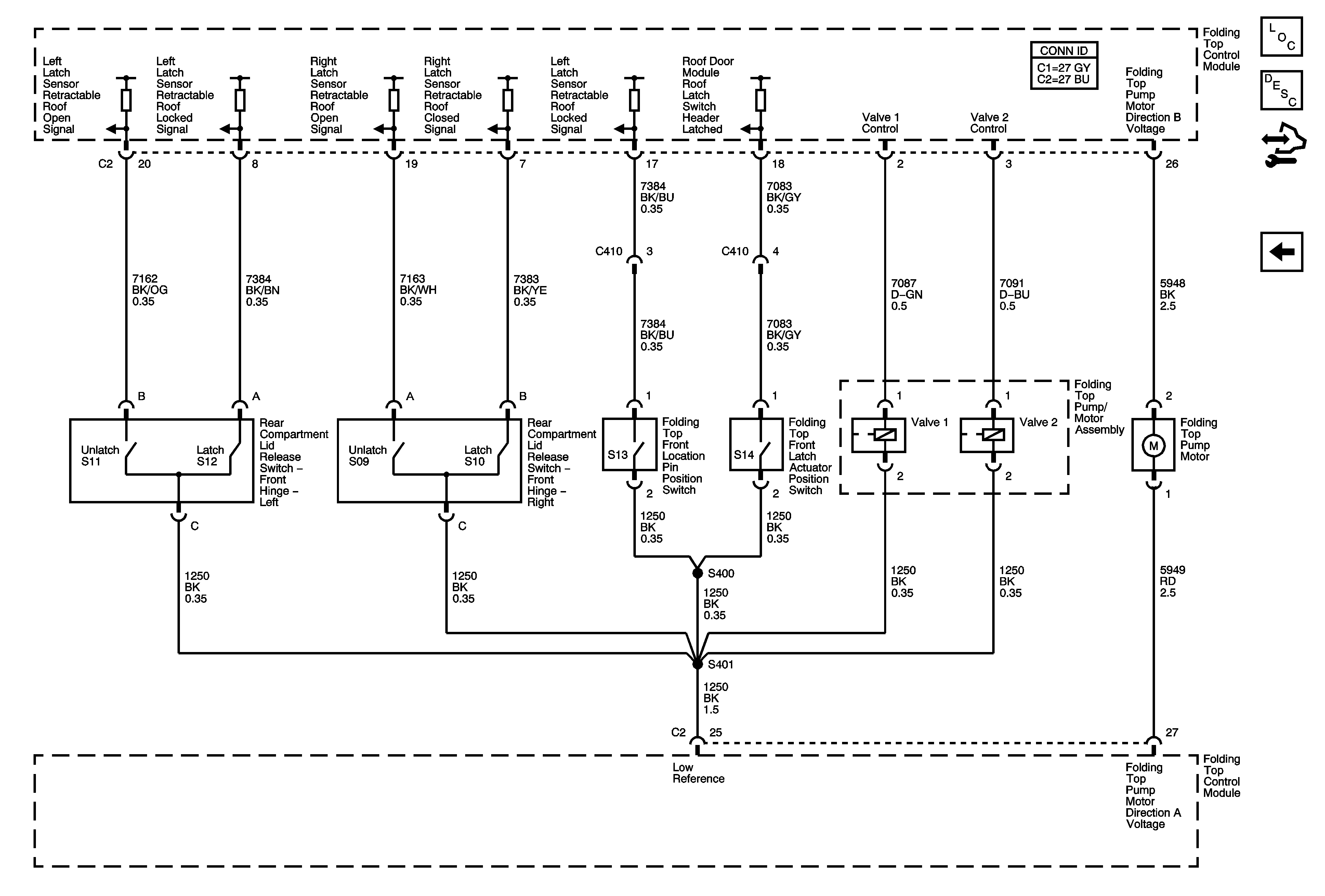
Power Folding Top Description and Operation
Control Module References
Switches 1 of 2