GM Service Manual Online
For 1990-2009 cars only
Makes
🢒
Pontiac
🢒
2007
🢒
G6
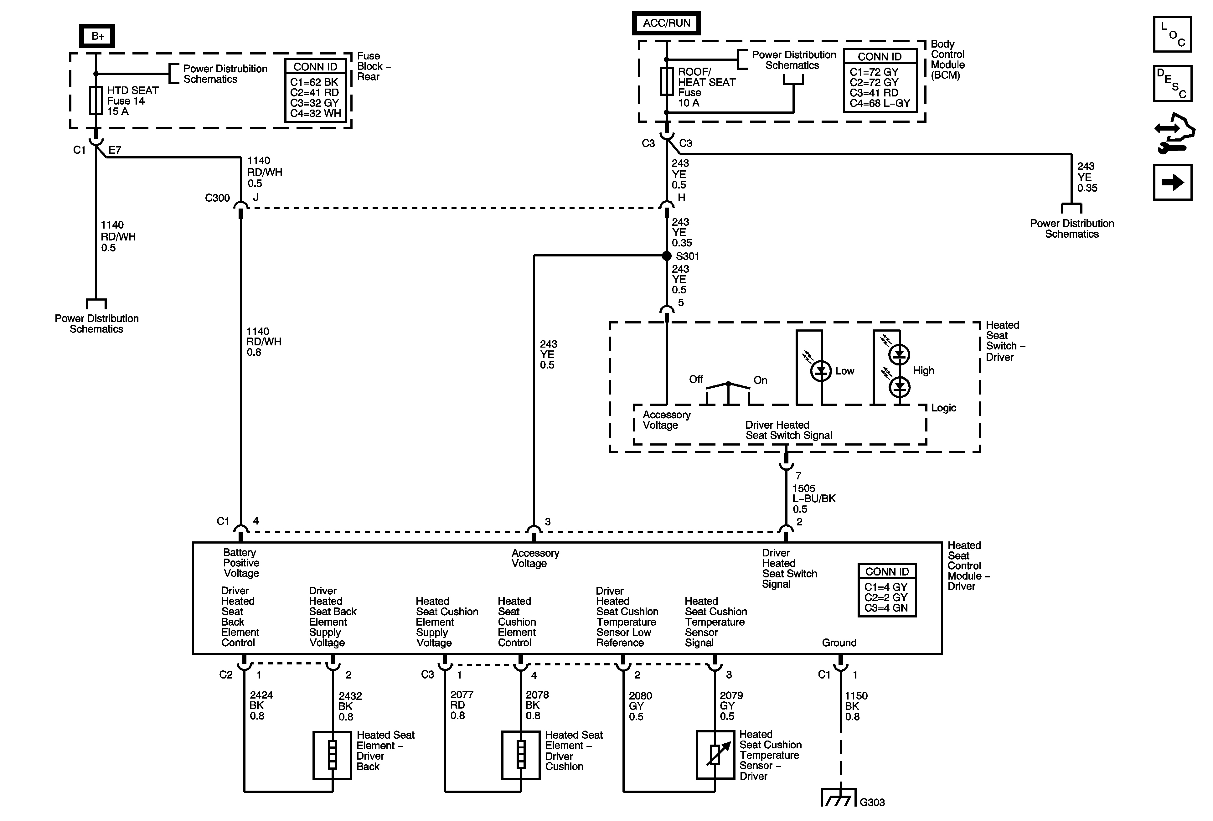
🢒 Heated/Cooled Seat Schematics (Driver)
Heated/Cooled Seat Schematics (Driver)
Heated Driver Seat
Master Electrical Component List
Heated Seats Description and Operation
Control Module References
Heated/Cooled Seat Schematics (Passenger)
07 G6-Underhood Fuse Block IBCM 2 Fuse, BCM ACCESSORY Relay, DOOR LOCK, POWER WINDOWS, ROOF/HEAT SEAT and WIPER SW Fuses
Underhood Fuse Block RBEC 1 Fuse and Rear Fuse Block AUDIO AMP, BACK UP LP, CIG/AUX, FOLDING TOP LOGIC POWER HTD ST, RKE/XM/DVD/UGD, RR DEFOG and SUN RF Fuses and BACK UP LP and RR DEFOG Relays
07 G6-Underhood Fuse Block IBCM 2 Fuse, BCM ACCESSORY Relay, DOOR LOCK, POWER WINDOWS, ROOF/HEAT SEAT and WIPER SW Fuses
G303