GM Service Manual Online
For 1990-2009 cars only
Makes
🢒
Pontiac
🢒
2007
🢒
G6
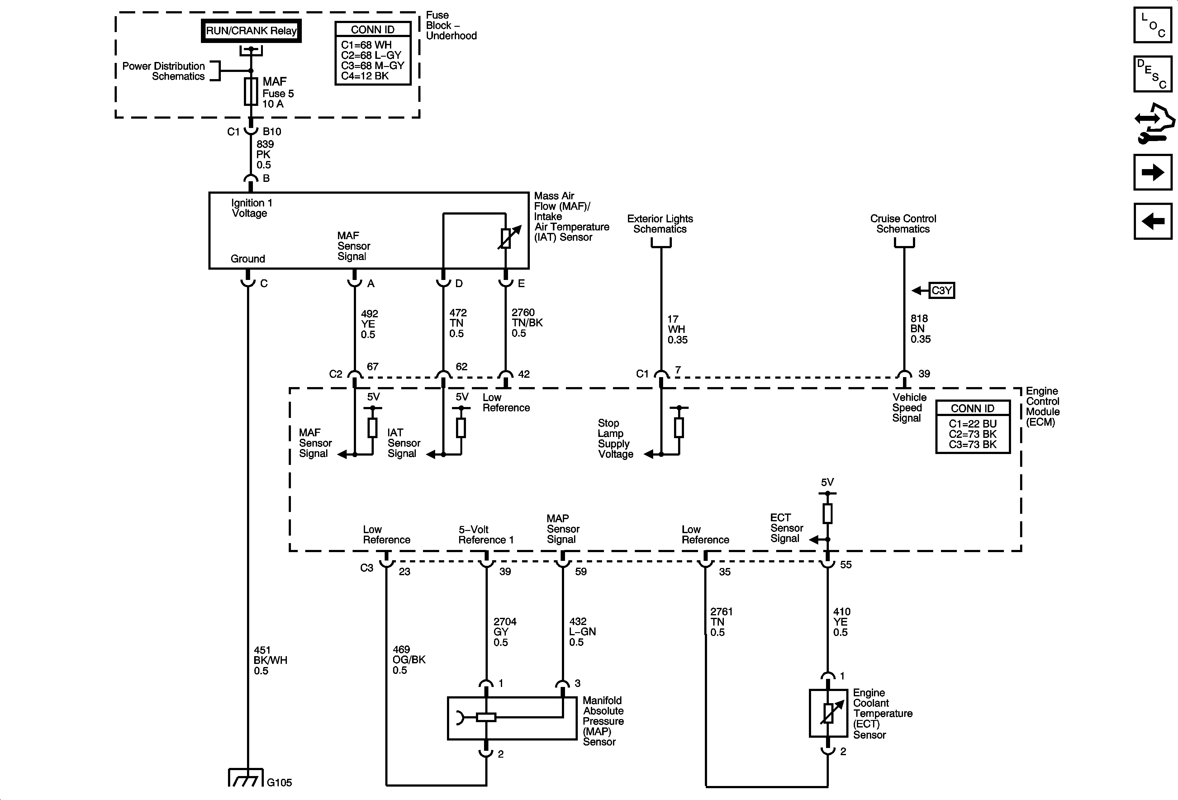
🢒 MAF, VSS and Extended Brake Travel Switch
MAF, VSS and Extended Brake Travel Switch
MAF, VSS and Extended Brake Travel Switch
Master Electrical Component List
Engine Control Module Description
Control Module References
Heated Oxygen Sensors
5-Volt and Low References
Turn Signals and Stop Lamps
Brake Pedal Position Sensor and Stop Lamp Switch Signal
G103, G104, and G105