GM Service Manual Online
For 1990-2009 cars only
Makes
🢒
Pontiac
🢒
2007
🢒
G6
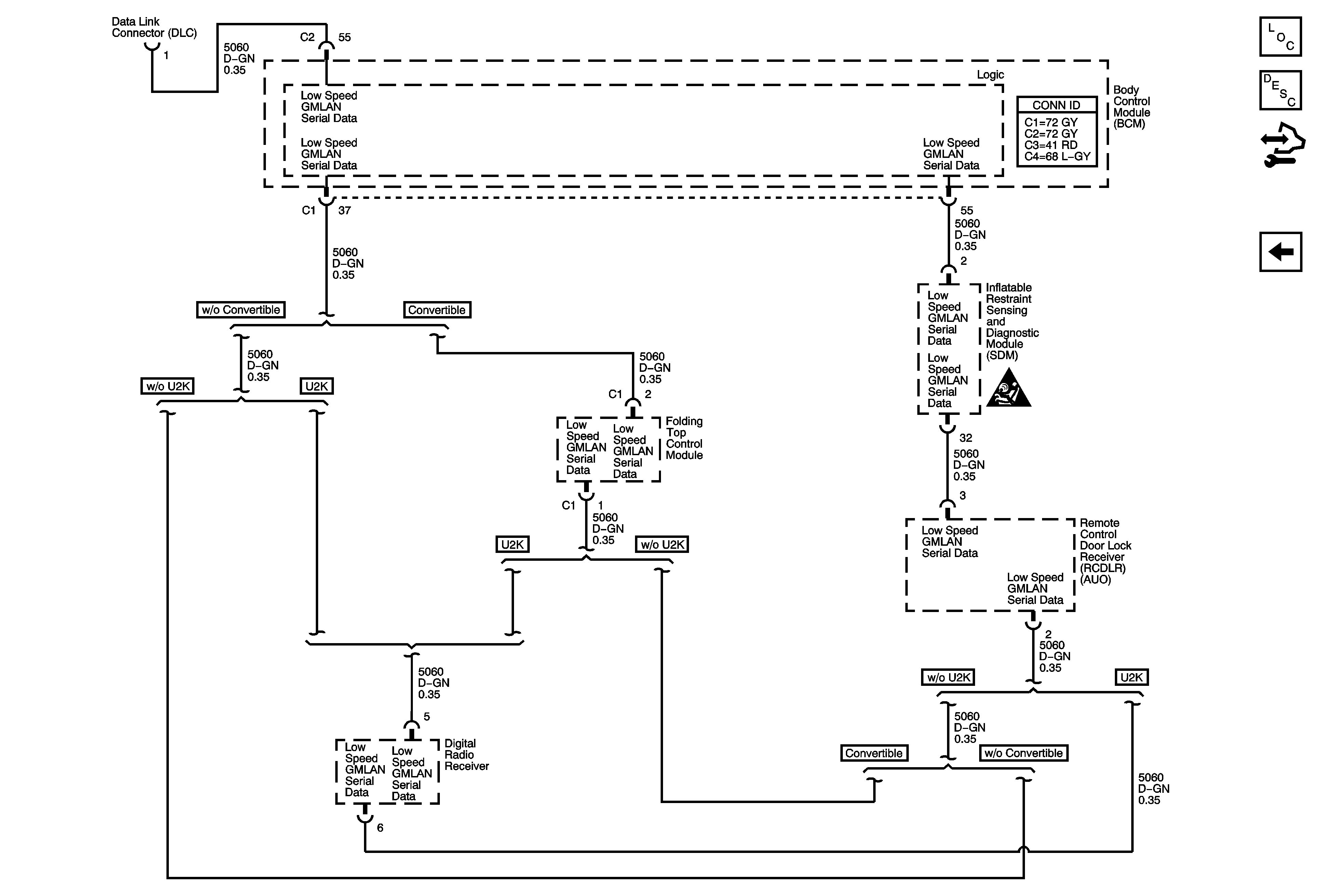
🢒 Low Speed GMLAN Serial Data (2 of 2)
Low Speed GMLAN Serial Data (2 of 2)
Low Speed Serial Data (2 of 2)
Master Electrical Component List
Data Link Communications Description and Operation
Control Module References
Low Speed GMLAN Serial Data (1 of 2)
Data Communication Schematic Icons