GM Service Manual Online
For 1990-2009 cars only

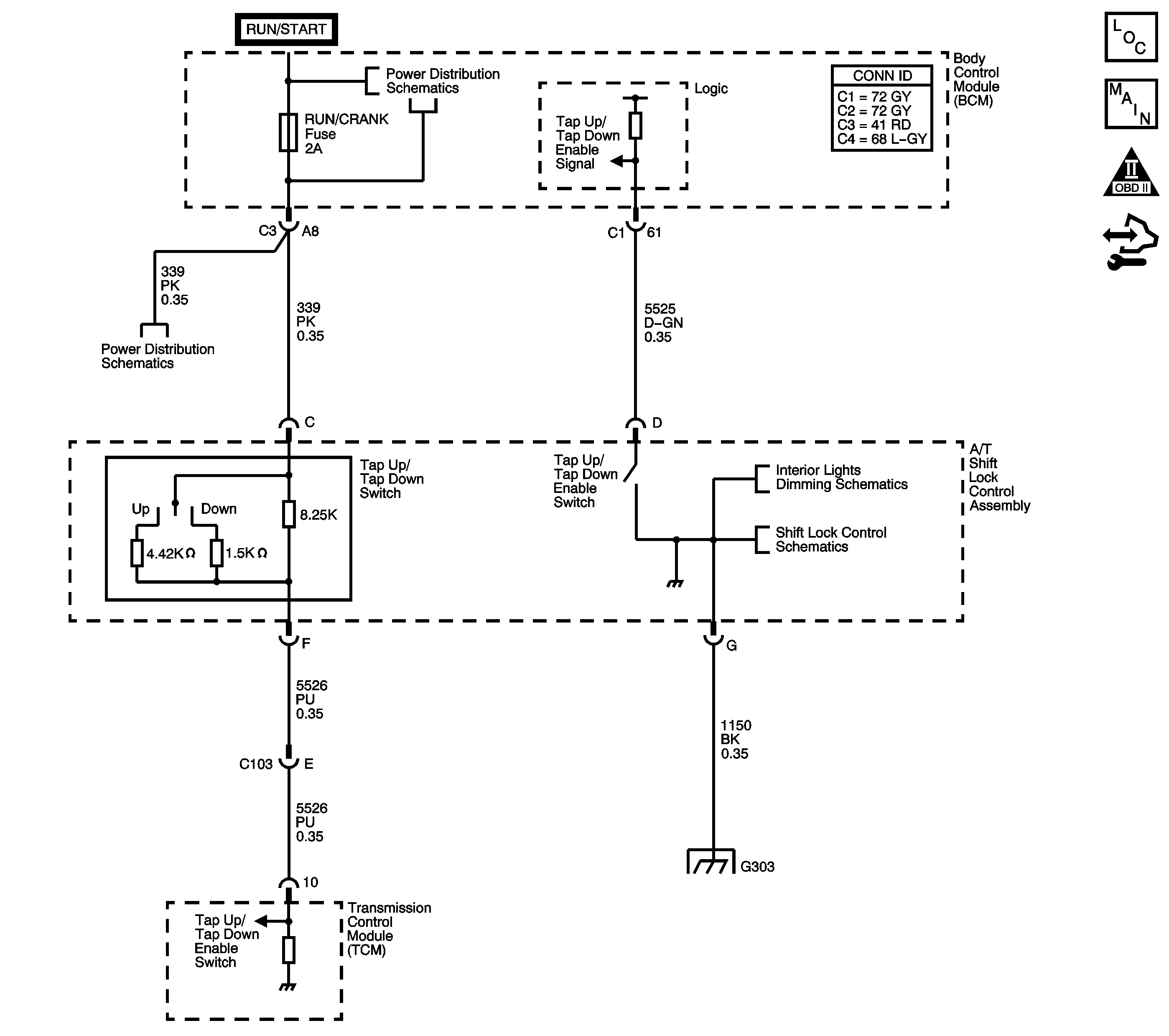
Object Number: 1746986  Size: LF
Master Electrical Component List
Automatic Transmission Controls Schematics
OBD II Symbol Description Notice
Control Module References

Circuit Description

The transmission adaptive pressure (TAP) Shift system allows the driver to manually shift gears by using the TAP Shift switches located on the Automatic Transmission Shifter. Pushing the Up switch will command an upshift and pushing the Down switch will command a downshift. The TAP Shift system is activated when the gear selector is in the D3 position and is deactivated in all other positions.

If the transmission control module (TCM) detects the upshift circuit active for an extended period of time, then DTC P0815 sets. DTC P0815 is a type C DTC.

DTC Descriptor

This diagnostic procedure supports the following DTC:

DTC P0815 Upshift Switch Circuit

Conditions for Running the DTC

    • No TAP up/TAP down DTC P0826.
    • No PSA DTCs P1810, P1816, or P1818.
    • The engine speed is greater than 500 RPM for 5 seconds.
    • The time since last gear selector range change is greater than 6 seconds.

Conditions for Setting the DTC

The TCM detects an upshift request for 1 second in PARK and for 10 minutes in D4.

Action Taken When the DTC Sets

    • The TCM does not illuminate the malfunction indicator lamp (MIL).
    • The TCM commands an alternate coast shift pattern where downshifts occur at higher vehicle speeds while coasting.
    • The TCM disables TAP Shift operation.
    • The TCM records the operating conditions when the Conditions for Setting the DTC are met. The TCM stores this information as Failure Records.
    • The TCM stores DTC P0815 in TCM history.

Conditions for Clearing the DTC

    • A scan tool can clear the DTC.
    • The TCM clears the DTC from TCM history if the vehicle completes 40 warm-up cycles without a non-emission related diagnostic fault occurring.
    • The TCM cancels the DTC default actions when the fault no longer exists and the DTC passes.

DTC P0815

Step

Action

Value(s)

Yes

No

1

Did you perform the Diagnostic System Check - Vehicle?

--

Go to Step 2

Go to Diagnostic System Check - Vehicle

2

  1. Install a scan tool.
  2. Turn ON the ignition with the engine OFF.
  3. Important: Before clearing the DTC, use the scan tool in order to record the Failure Records. Using the Clear DTC Information function erases the Failure Records from the TCM.

  4. Record the DTC Failure Records.
  5. Clear the DTC.
  6. Select Driver Shift Request Status on the scan tool.

Does the scan tool Driver Shift Request parameter display None?

--

Go to Testing for Intermittent Conditions and Poor Connections

Go to Step 3

3

  1. Select Driver Shift Request status on the scan tool.
  2. Disconnect the Floor Shift Control connector.

Does the Driver Shift Request Status change to Invalid?

--

Go to Step 4

Go to Step 5

4

Replace the Floor Shift Control. Refer to Transmission Control Replacement .

Did you complete the replacement?

--

Go to Step 6

--

5

Replace the TCM.

Refer to Control Module References for replacement, setup, and programming.

Did you complete the replacement?

--

Go to Step 6

--

6

Perform the following procedure in order to verify the repair:

  1. Select DTC.
  2. Select Clear DTC Information.
  3. Operate the vehicle under the following conditions:
  4. • Start the engine.
    • Observe Driver Shift Request on the scan tool.
    • Ensure the Driver Shift Request is not displaying upshift for at least 10 seconds.
  5. Select Specific DTC.
  6. Enter DTC P0815.

Has the test run and passed?

--

Go to Step 7

--

7

With a scan tool, observe the stored information, capture info and DTC info.

Does the scan tool display any DTCs that you have not diagnosed?

--

Go to Diagnostic Trouble Code (DTC) List - Vehicle

System OK