GM Service Manual Online
For 1990-2009 cars only

Removal Procedure


    Object Number: 1841323  Size: SH
  1. Remove the air cleaner assembly. Refer to Air Cleaner Assembly Replacement.
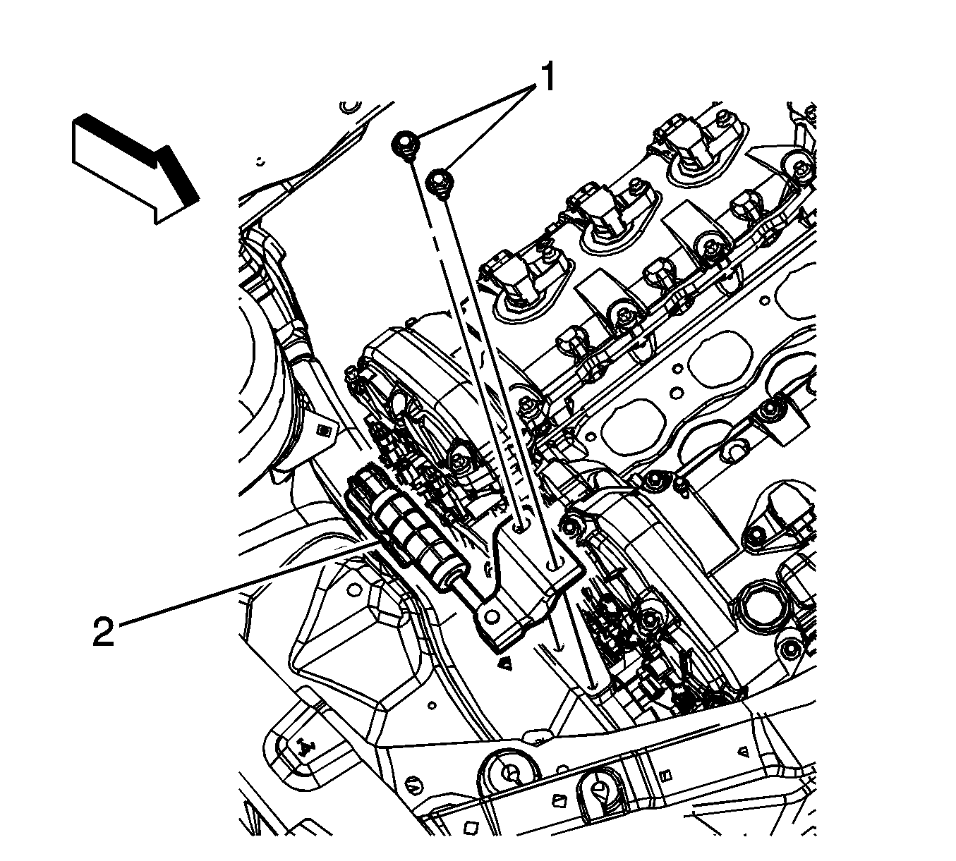
  2. Remove the engine mount snubber to engine mount snubber bracket bolts (1).

  3. Object Number: 1774616  Size: SH
  4. Rotate the engine mount snubber (2) to the vertical position.

  5. Object Number: 1841479  Size: SH
  6. Remove the engine mount snubber bracket bolts (1, 2).
  7. Remove the engine mount snubber bracket.

Installation Procedure


    Object Number: 1841479  Size: SH

    Important: Hand tighten both bolts ensuring the bracket is contacting the engine bosses at both bolt locations.

  1. Position the engine mount snubber bracket.
  2. Notice: Refer to Fastener Notice in the Preface section.

  3. Install the engine mount snubber bracket bolts (1, 2).
  4. Tighten

        • Tighten the bolt (1) to 90 N·m (66 lb ft).
        • Tighten the bolt (2 ) to 90 N·m (66 lb ft).

    Object Number: 1774616  Size: SH
  5. Rotate the engine mount snubber to the horizontal position.

  6. Object Number: 1841323  Size: SH
  7. Install the engine mount snubber to engine mount snubber bracket bolts (1).
  8. Tighten
    Tighten the bolts to 50 N·m (37 lb ft).

  9. Install the air cleaner assembly. Refer to Air Cleaner Assembly Replacement.