GM Service Manual Online
For 1990-2009 cars only

Disconnect Procedure

Caution: Refer to SIR Caution in the Preface section.

Caution: Refer to Battery Disconnect Caution in the Preface section.


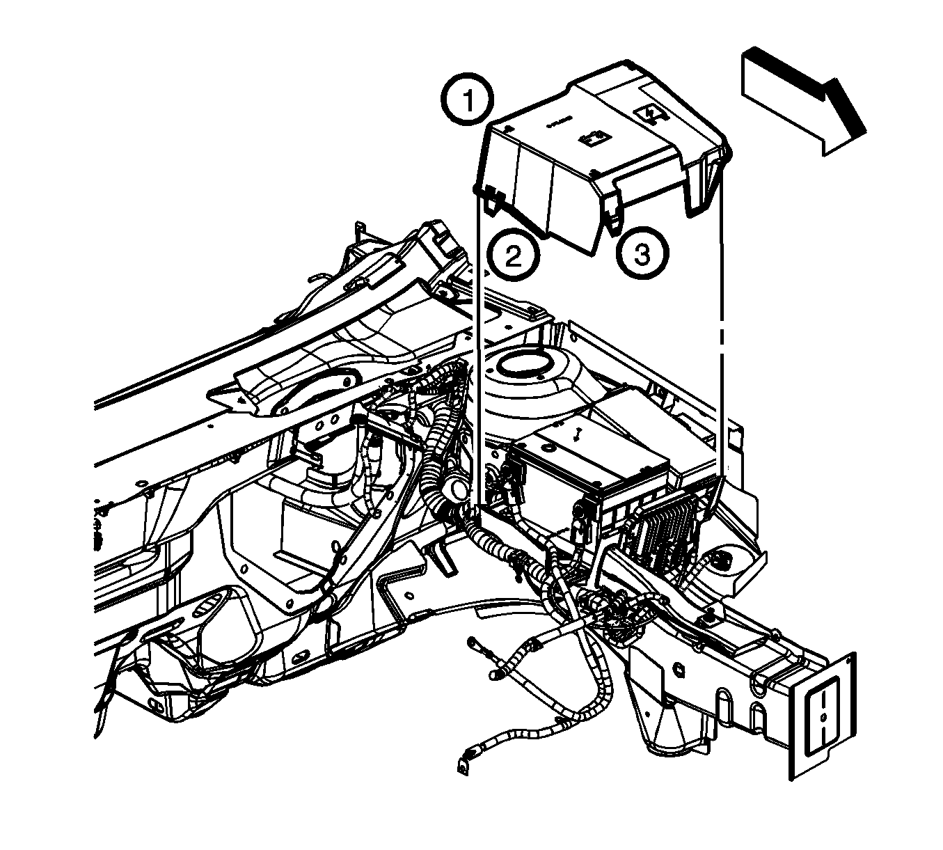
    Object Number: 1578418  Size: SH
  1. Record all of the vehicle preset radio stations.
  2. Turn OFF all the lamps and the accessories.
  3. Make sure the ignition switch is in the OFF position.
  4. Remove the battery cover. Disengage the retainers in order to remove the cover.

  5. Object Number: 1275980  Size: SH
  6. Disconnect the negative battery cable from the battery.

Connect Procedure

    Notice: Refer to Fastener Notice in the Preface section.


    Object Number: 1275980  Size: SH

    Important: Clean any existing oxidation from the contact face of the battery terminal and battery cable using a wire brush before installing the battery cable to the battery terminal.

  1. Connect the negative battery cable to the battery.
  2. Tighten
    Tighten the bolt to 17 N·m (13 lb ft).


    Object Number: 1578418  Size: SH
  3. Install the battery cover.
  4. 2.1. Install the locking tab next to the strut tower first.
    2.2. Install the locking tab next to the engine second.
    2.3. Install the locking tab next to the powertrain control module (PCM) last.
  5. Reset the radio stations and the clock.
  6. For coupe and convertible models, perform the Reinitialization of the Power Windows. Refer to Power Window Reinitialization .