GM Service Manual Online
For 1990-2009 cars only
Figure 1:

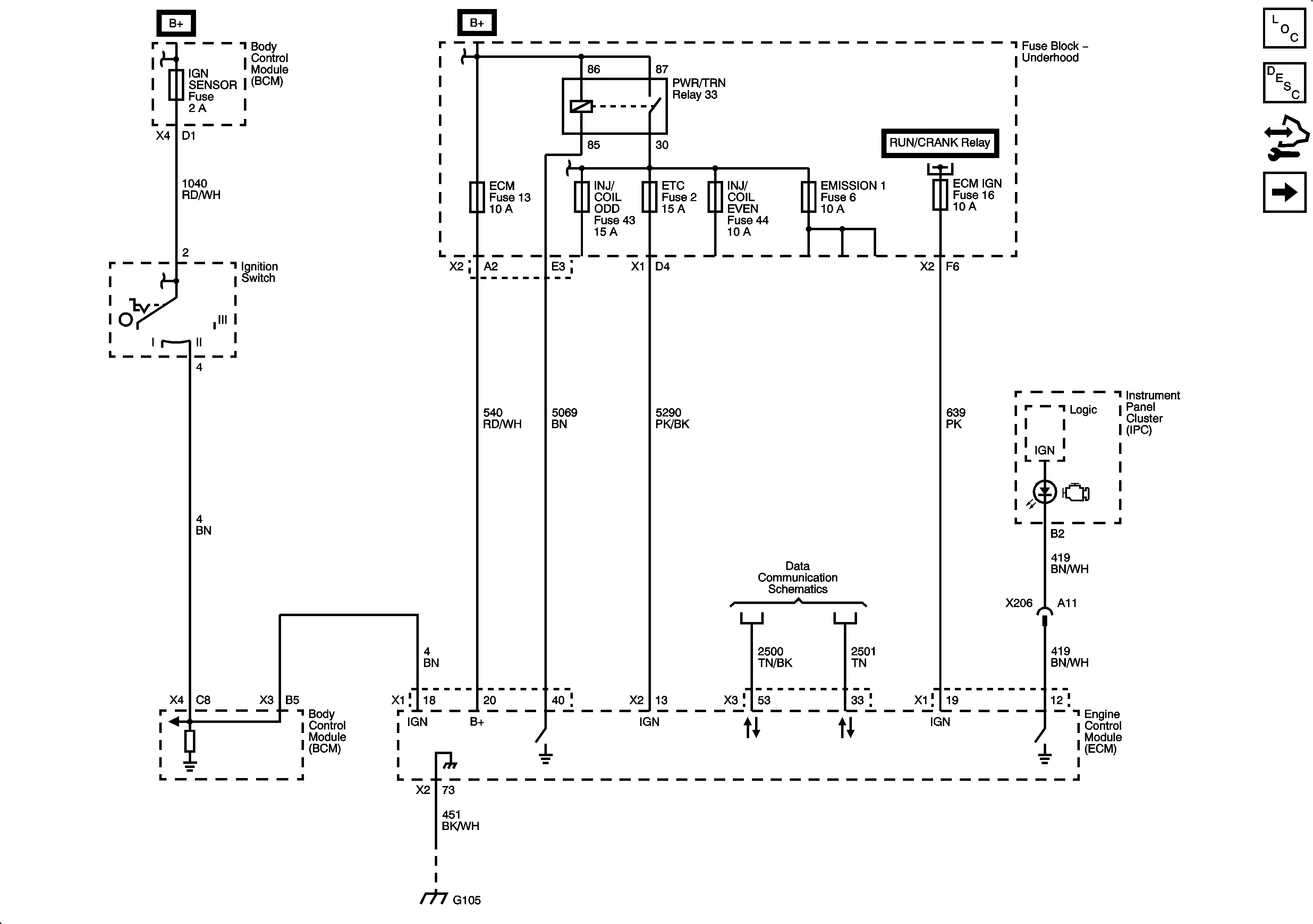
Module Power, Ground, Serial Data, and MIL


Object Number: 1912584  Size: FS
Master Electrical Component List
Engine Control Module Description
Control Module References
5 Volt and Low References
Figure 2:

5 Volt and Low References


Object Number: 1912586  Size: FS
Master Electrical Component List
Engine Control Module Description
Control Module References
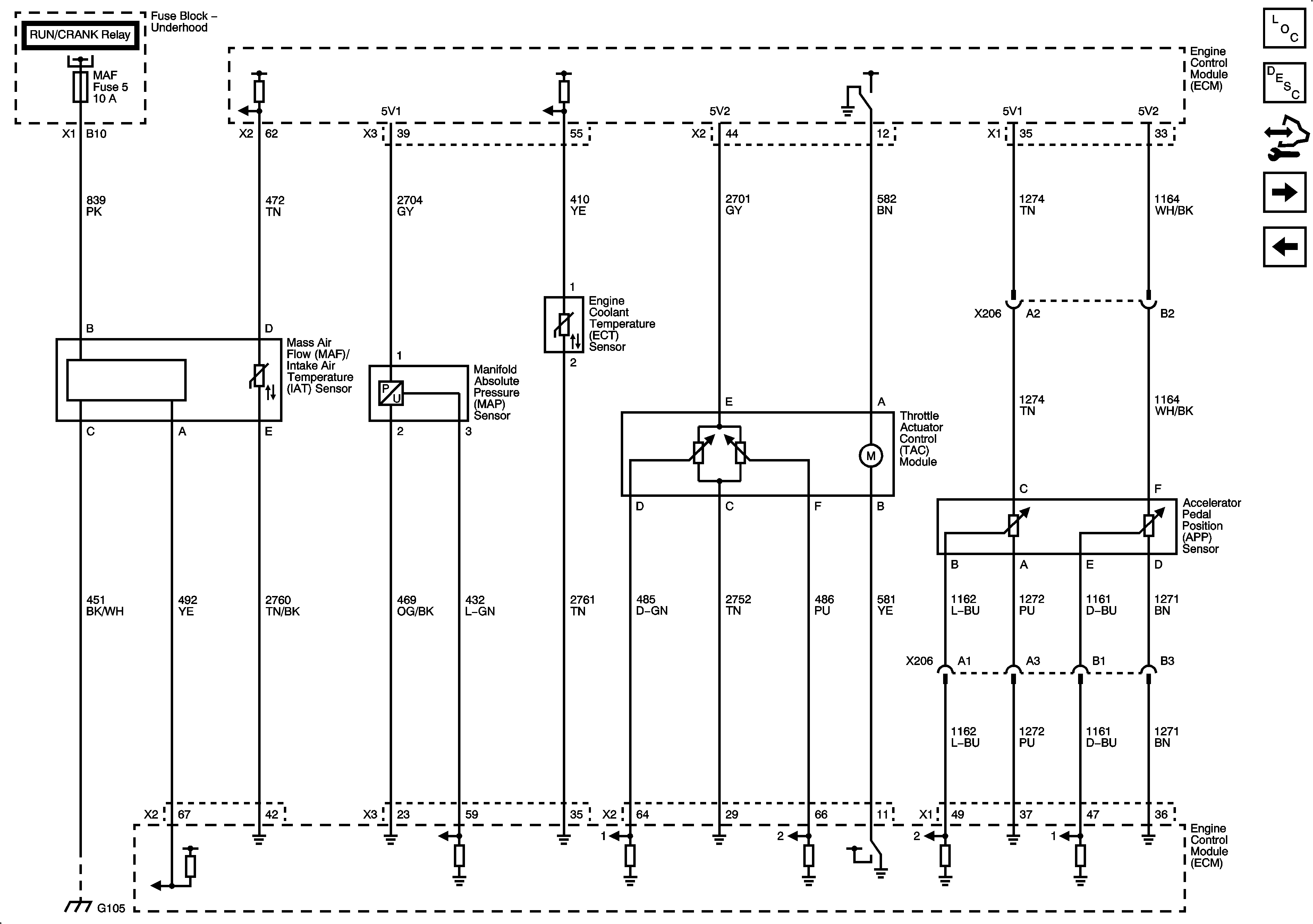
Engine Data Sensors - Pressure, Temperature, and Throttle Controls
Module Power, Ground, Serial Data, and MIL
Figure 3:

Engine Data Sensors - Pressure, Temperature, and Throttle Controls


Object Number: 1912588  Size: FS
Master Electrical Component List
Engine Control Module Description
Control Module References
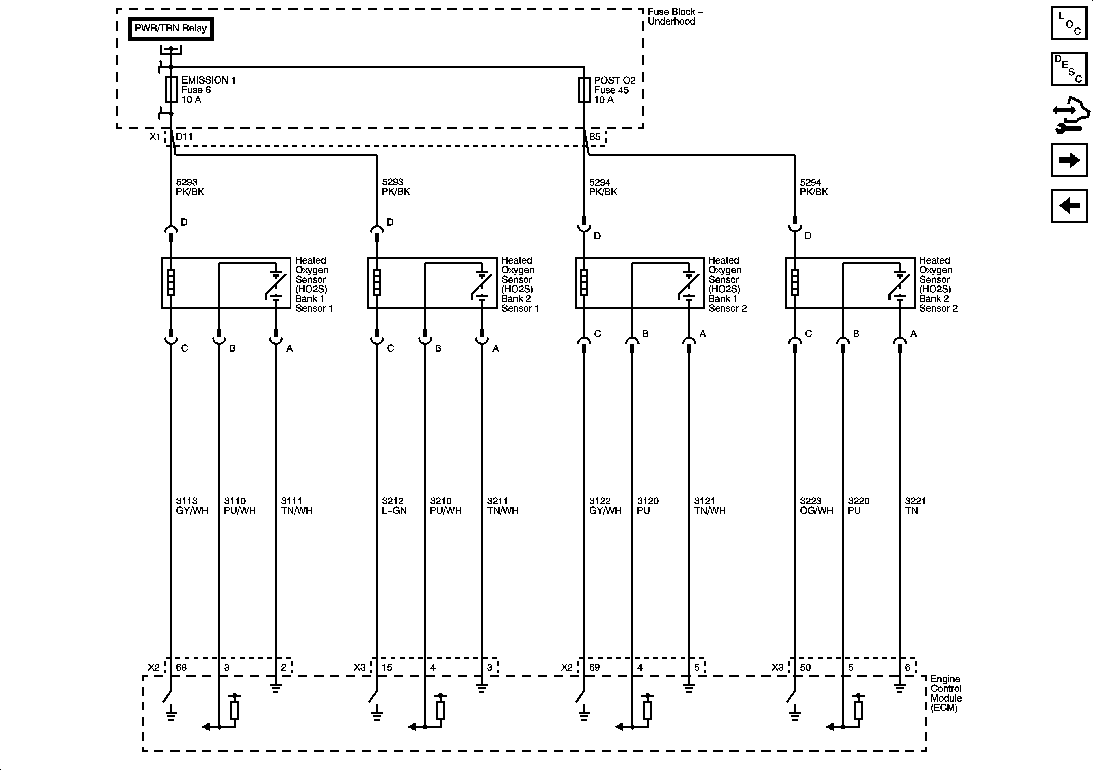
Engine Data Sensors - HO2S
5 Volt and Low References
Figure 4:

Engine Data Sensors - HO2S


Object Number: 1912591  Size: FS
Master Electrical Component List
Engine Control Module Description
Control Module References
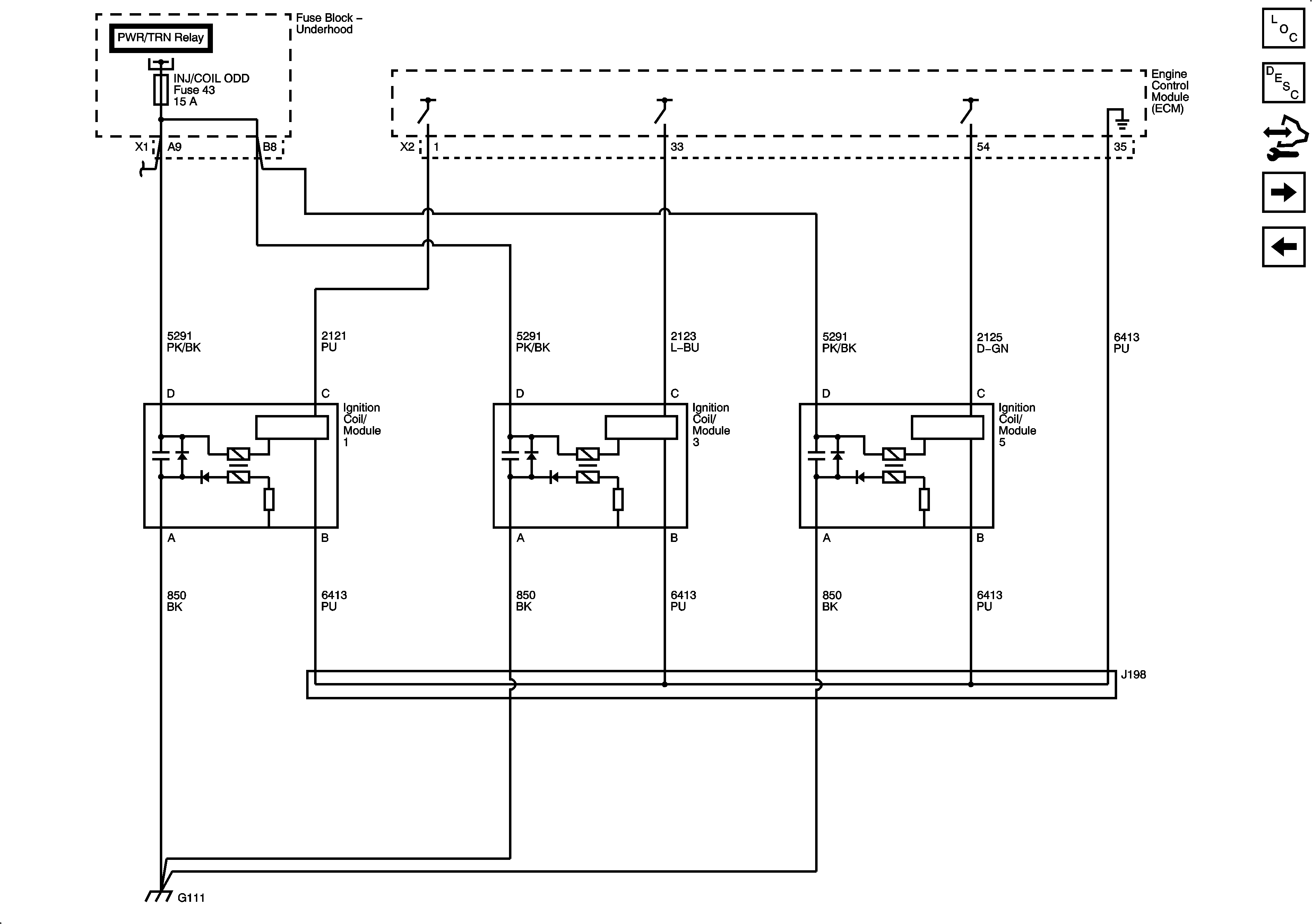
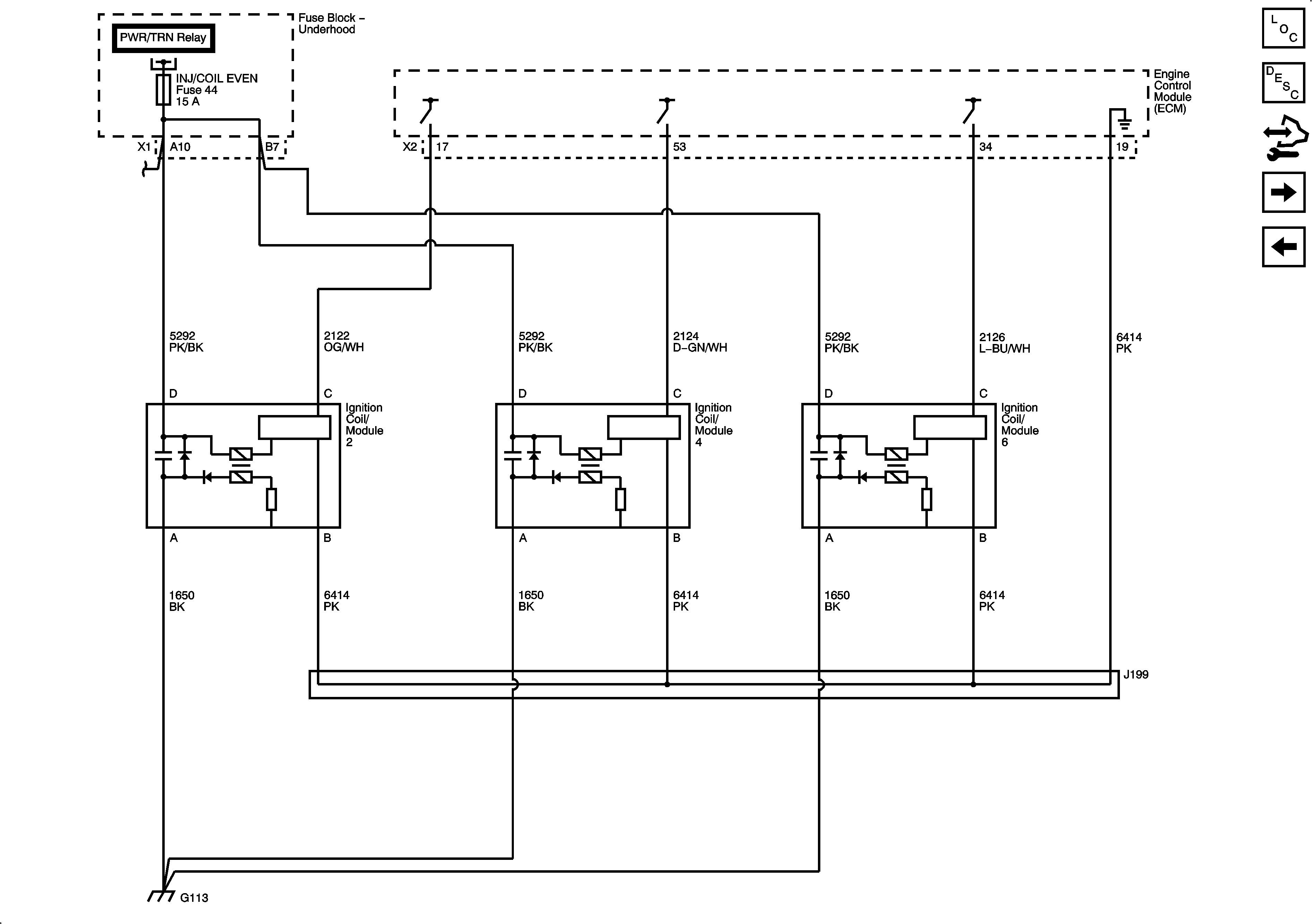
Ignition Controls - Ignition System Coils 1, 3, and 5
Engine Data Sensors - Pressure, Temperature, and Throttle Controls
Figure 5:

Ignition Controls - Ignition System Coils 1, 3, and 5


Object Number: 1912594  Size: FS
Master Electrical Component List
Engine Control Module Description
Control Module References
Ignition Controls - Ignition System Coils 2, 4, and 6
Engine Data Sensors - HO2S
Figure 6:

Ignition Controls - Ignition System Coils 2, 4, and 6


Object Number: 1912598  Size: FS
Master Electrical Component List
Engine Control Module Description
Control Module References
Ignition Controls - Camshaft Sensors/Actuators
Ignition Controls - Ignition System Coils 1, 3, and 5
Figure 7:

Ignition Controls - Camshaft Sensors/Actuators


Object Number: 1912600  Size: FS
Master Electrical Component List
Engine Control Module Description
Control Module References
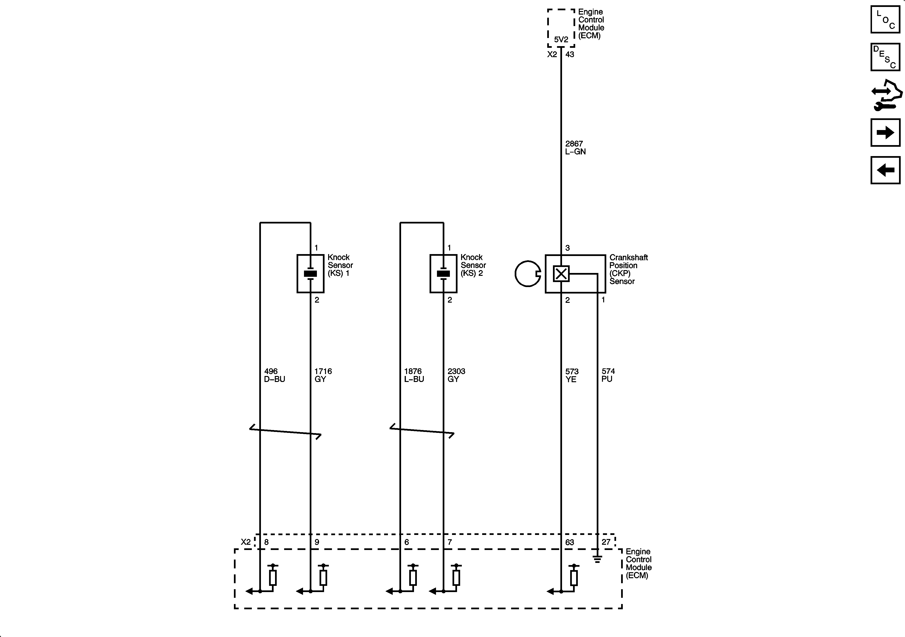
Ignition Controls - Crankshaft/Knock Sensors
Ignition Controls - Ignition System Coils 2, 4, and 6
Figure 8:

Ignition Controls - Crankshaft/Knock Sensors


Object Number: 1912602  Size: FS
Master Electrical Component List
Engine Control Module Description
Control Module References
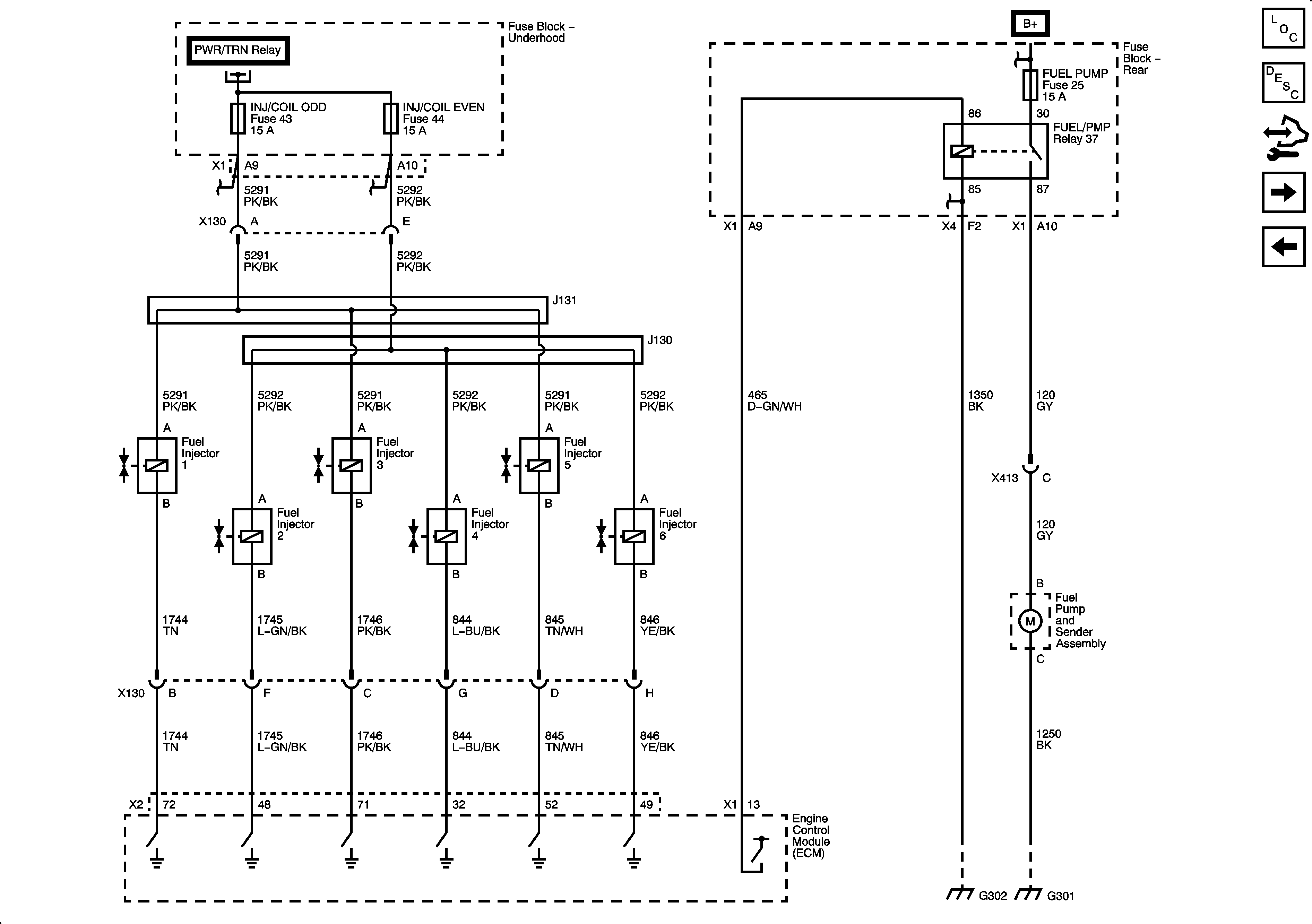
Fuel Controls - Fuel Injectors and Fuel Pump Control
Ignition Controls - Camshaft Sensors/Actuators
Figure 9:

Fuel Controls - Fuel Injectors and Fuel Pump Controls


Object Number: 1912604  Size: FS
Master Electrical Component List
Engine Control Module Description
Control Module References
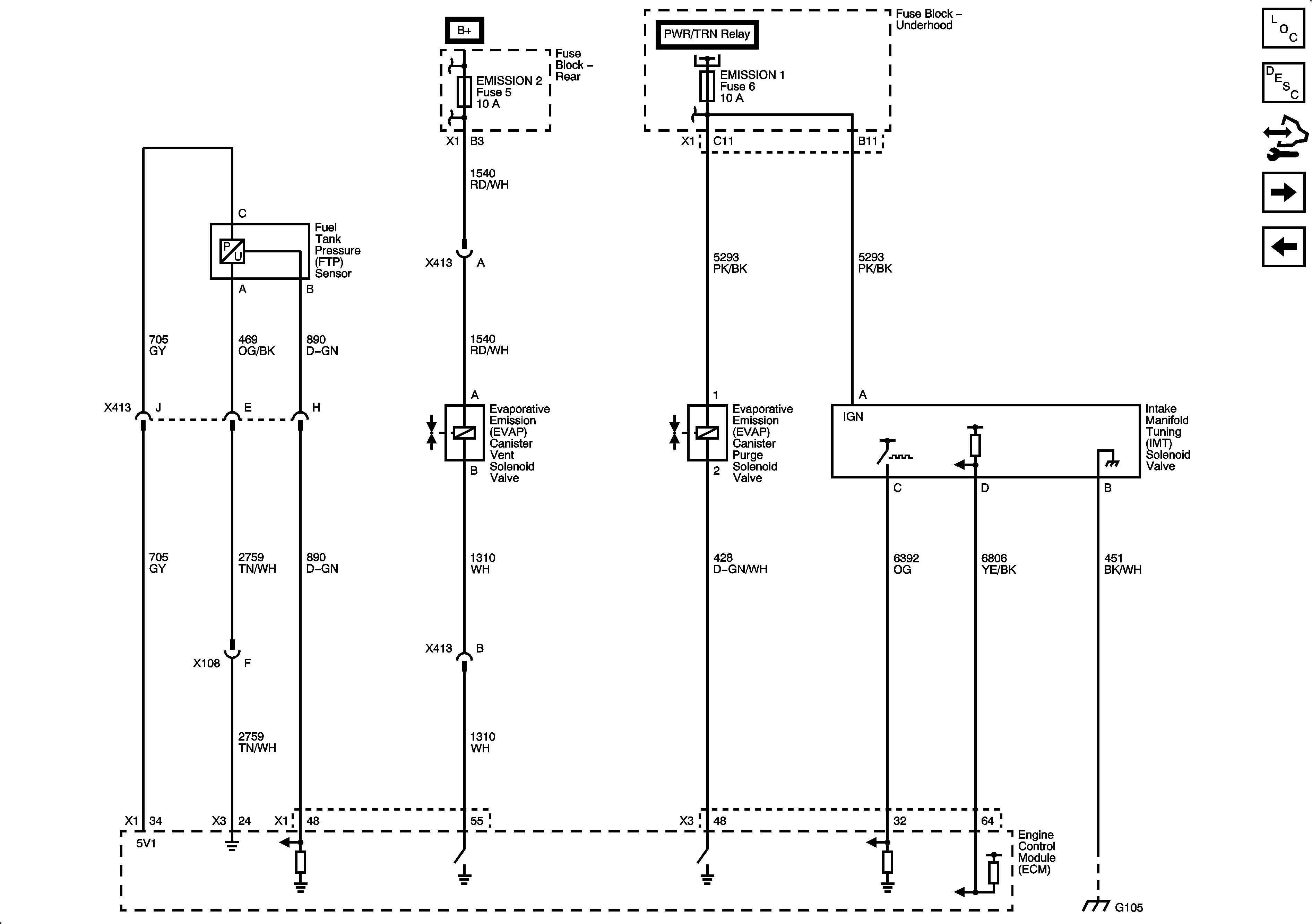
Fuel Controls - EVAP Controls and Manifold Tuning
Ignition Controls - Crankshaft/Knock Sensors
Figure 10:

Fuel Controls - EVAP Controls and Manifold Tuning


Object Number: 1912607  Size: FS
Master Electrical Component List
Engine Control Module Description
Control Module References
Monitored/Controlled Subsystem Reference
Fuel Controls - Fuel Injectors and Fuel Pump Control
Figure 11:

Monitored/Controlled Subsystem References


Object Number: 1912609  Size: FS
Master Electrical Component List
Engine Control Module Description
Control Module References
Controlled/Monitored Subsystem References
Fuel Controls - EVAP Controls and Manifold Tuning