GM Service Manual Online
For 1990-2009 cars only
Figure 1:

Window Motors - Coupe


Object Number: 1913128  Size: FS
Master Electrical Component List
Power Windows Description and Operation
Control Module References
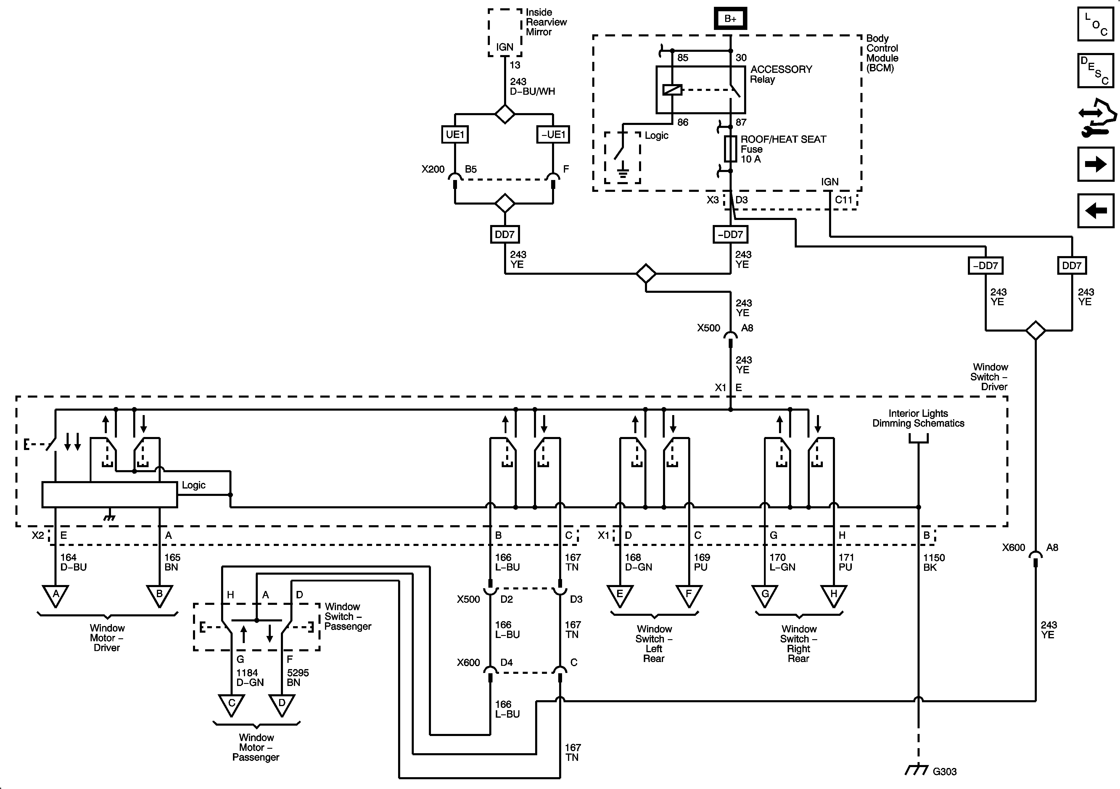
Ajar Switches - Coupe
Figure 2:

Ajar Switches - Coupe


Object Number: 1913130  Size: FS
Master Electrical Component List
Power Windows Description and Operation
Control Module References
Sedan
Window Motors - Coupe
Figure 3:

Sedan


Object Number: 1913132  Size: FS
Master Electrical Component List
Power Windows Description and Operation
Control Module References
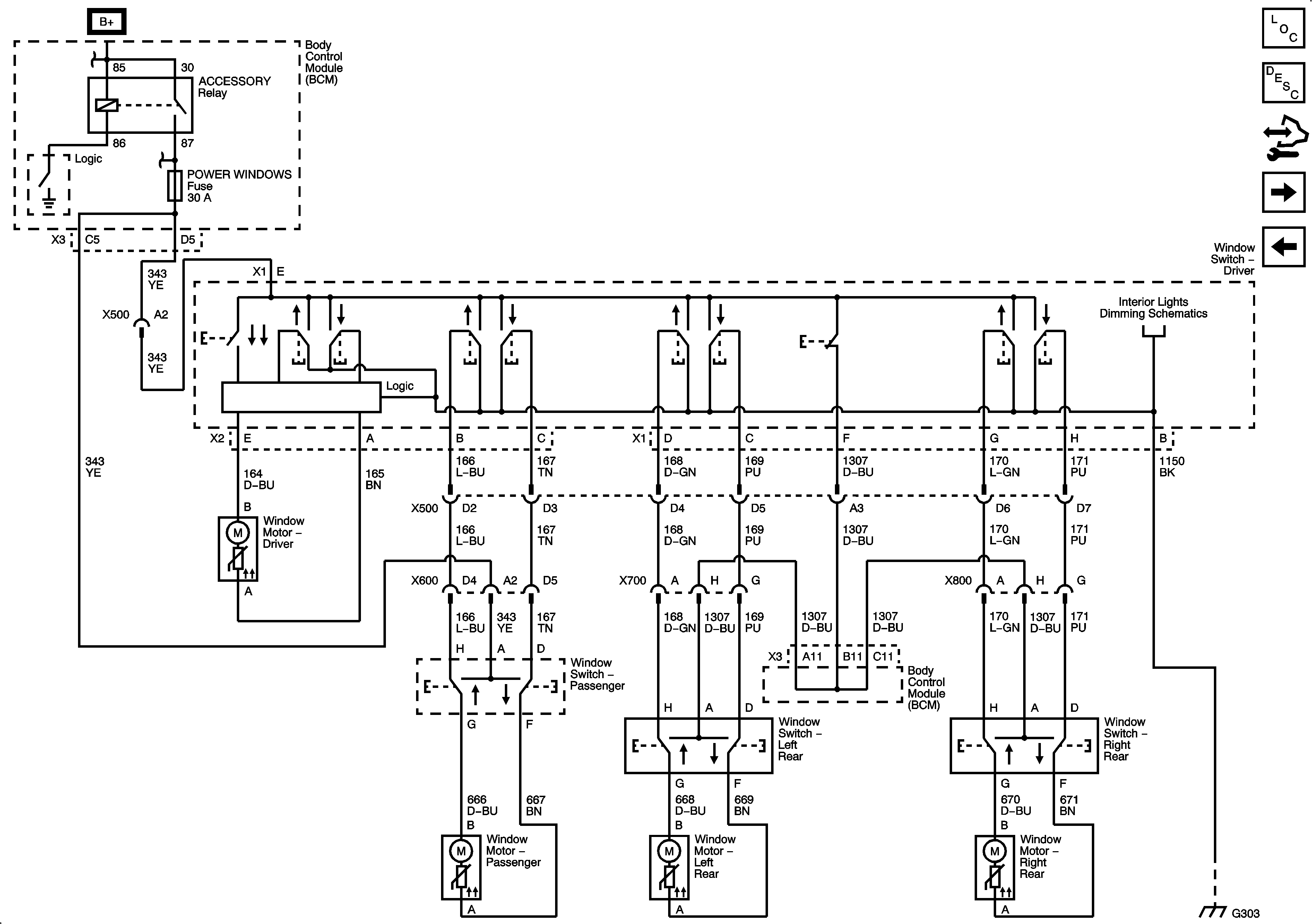
Window Switches - Convertible
Ajar Switches - Coupe
Figure 4:

Window Switches - Convertible


Object Number: 1913134  Size: FS
Master Electrical Component List
Power Windows Description and Operation
Control Module References
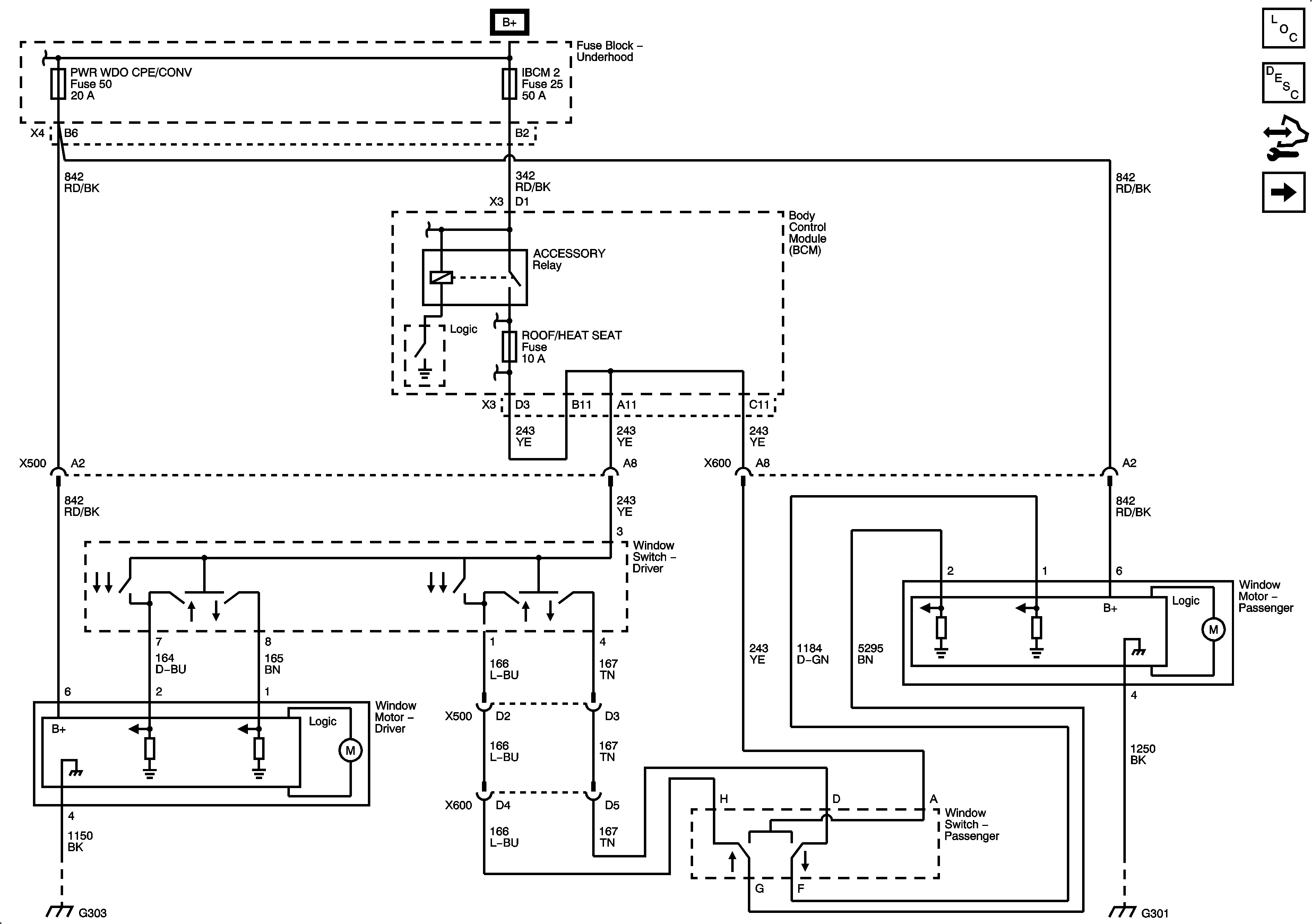
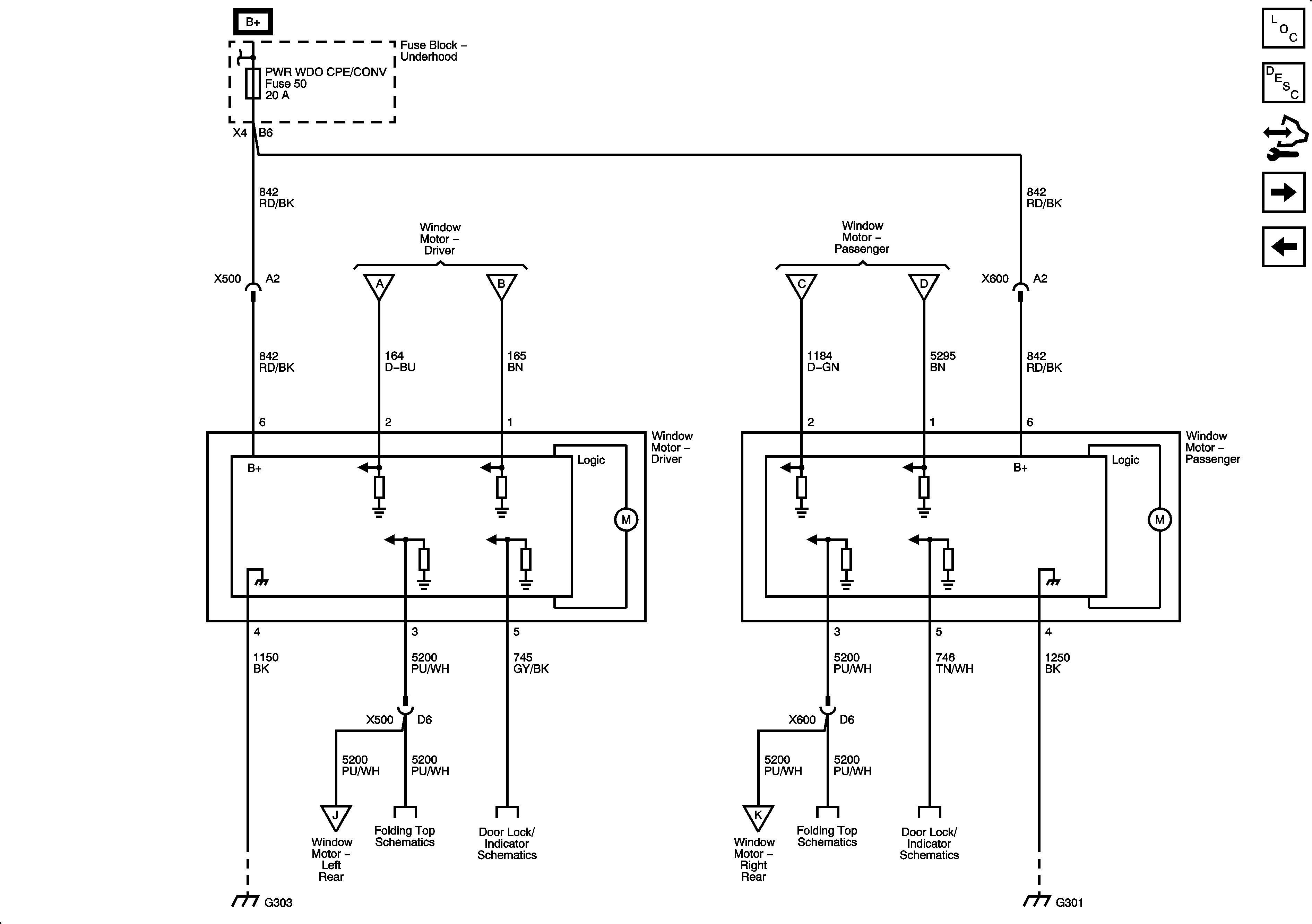
Front Window Motors - Convertible
Sedan
Figure 5:

Front Window Motors - Convertible


Object Number: 1913136  Size: FS
Master Electrical Component List
Power Windows Description and Operation
Control Module References
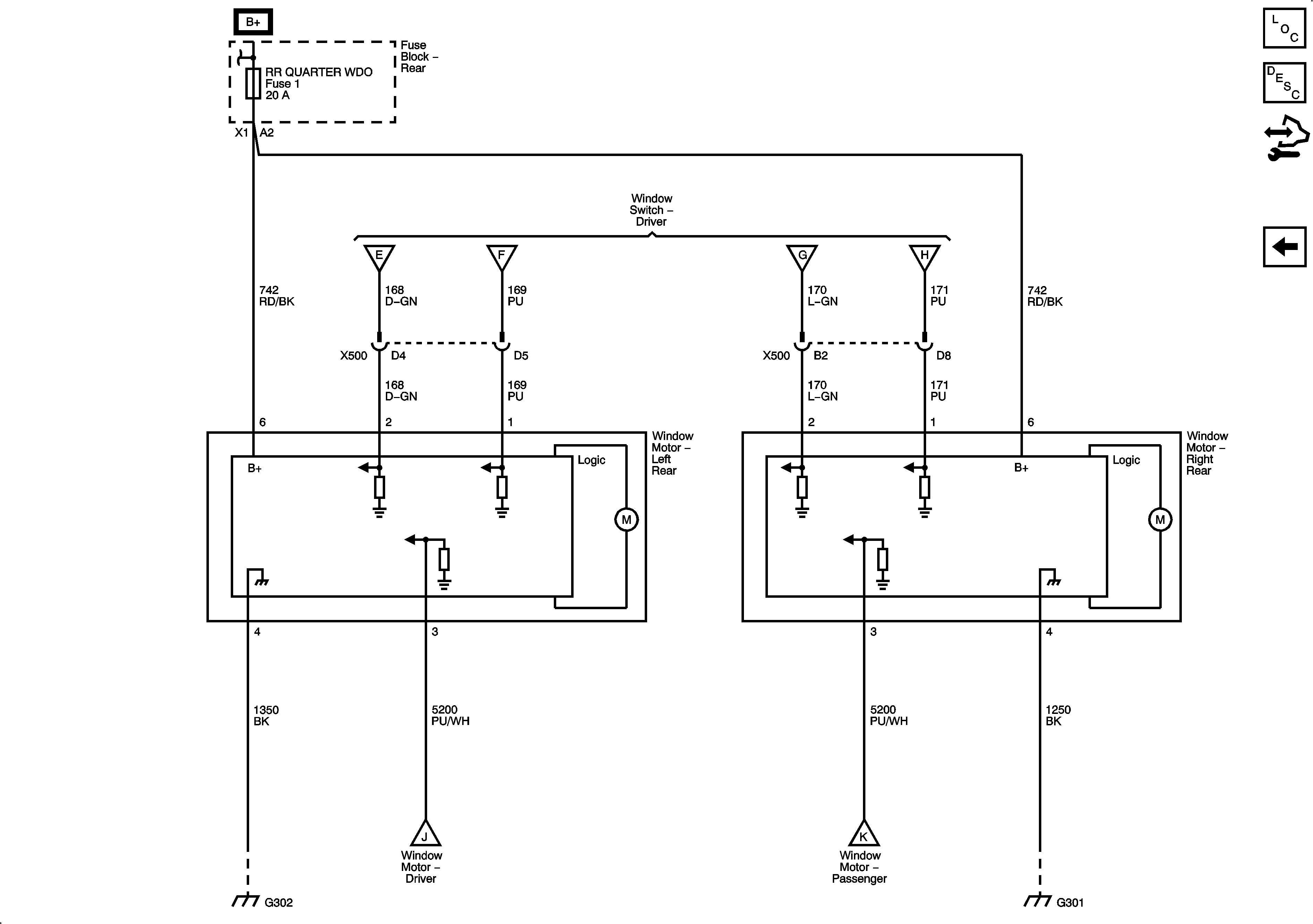
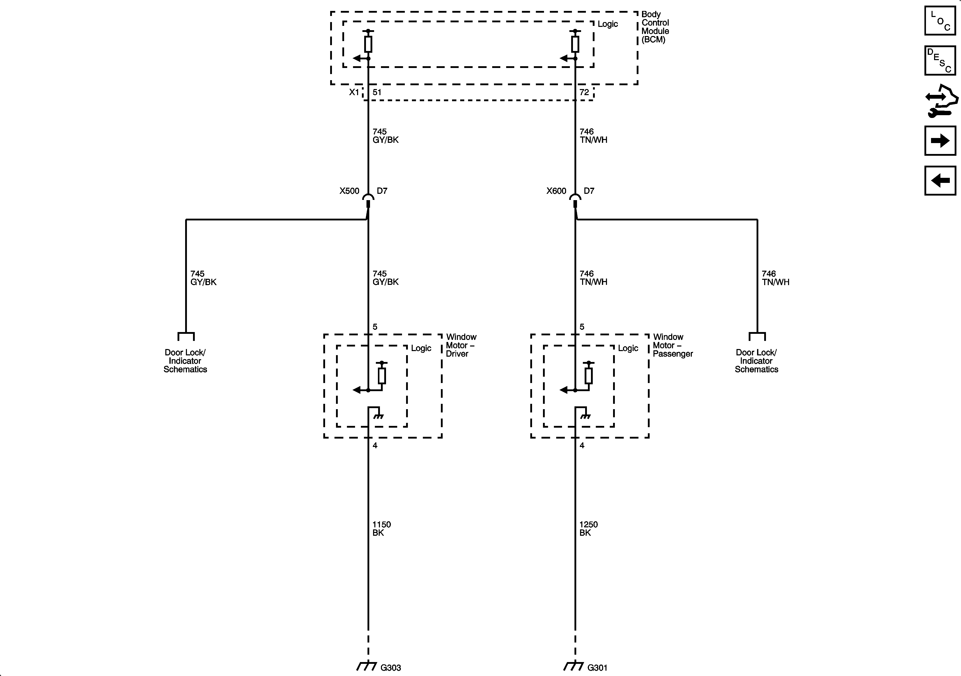
Rear Window Motors - Convertible
Window Switches - Convertible
Figure 6:

Rear Window Motors - Convertible


Object Number: 1913139  Size: FS
Master Electrical Component List
Power Windows Description and Operation
Control Module References
Front Window Motors - Convertible