GM Service Manual Online
For 1990-2009 cars only

Removal Procedure

  1. Set the park brake and chock the wheels.

  2. Object Number: 627381  Size: SH
  3. Remove the retainer from the transaxle range selector cable mechanism.

  4. Object Number: 627375  Size: SH
  5. Disconnect the transaxle range selector cable terminal from the transaxle manual shift lever pin.
  6. Press the locking tabs inward in order to release the transaxle range selector cable from the bracket.
  7. Remove the console. Refer to Console Replacement .

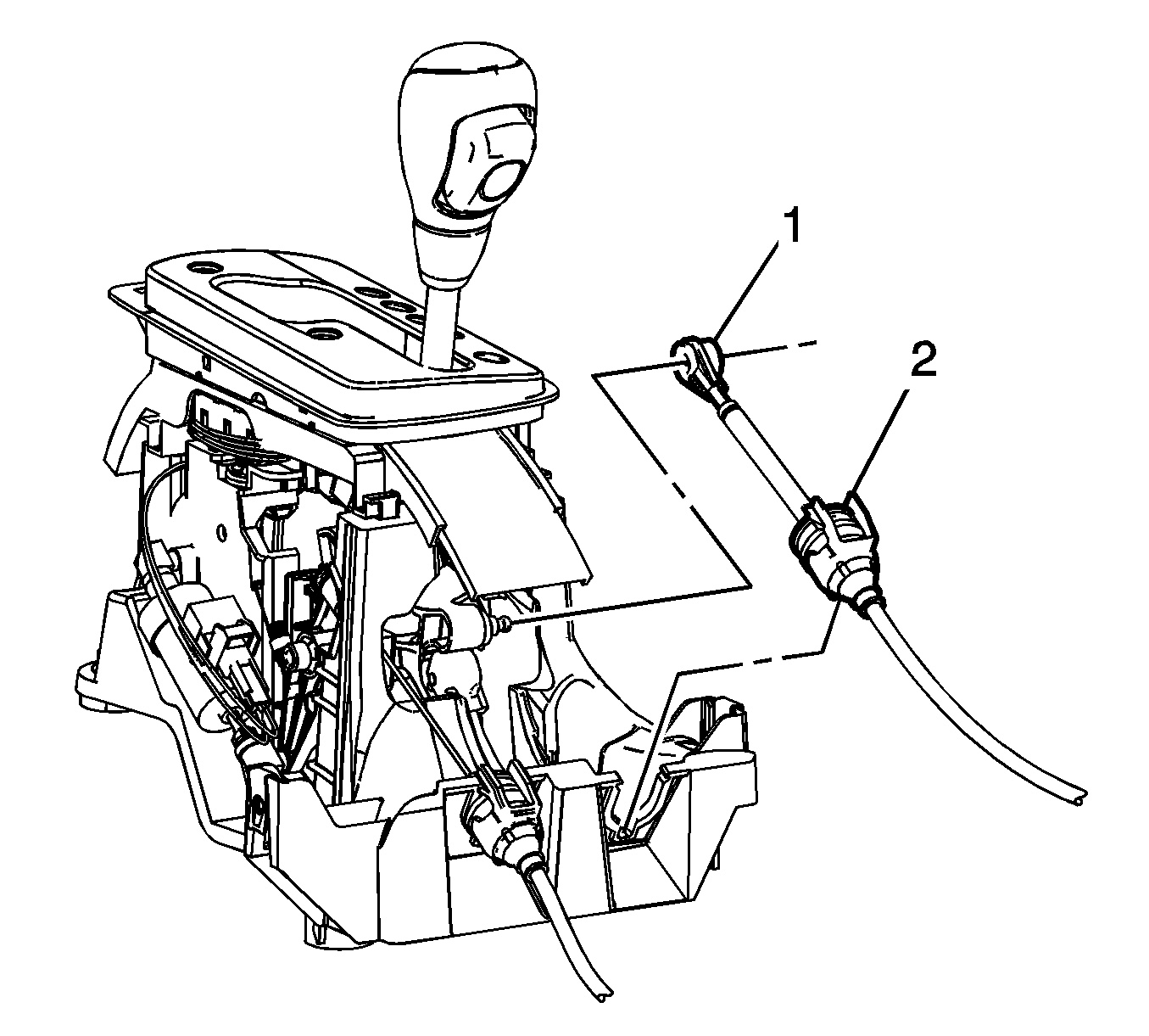
  8. Object Number: 1793562  Size: SH
  9. Disconnect the transaxle shift control cable terminal (1) from the shift lever pin.
  10. Release the transaxle shift control cable retainer (2) and remove the transaxle range selector cable from the transaxle control lever base.

  11. Object Number: 944396  Size: SH
  12. Remove the transaxle shift control cable grommet from the cowl panel.
  13. Remove the transaxle shift control cable from the vehicle.

Installation Procedure


    Object Number: 944396  Size: SH
  1. Guide the transaxle shift control cable through the pass-through in the cowl panel.
  2. Secure the transaxle shift control cable grommet by pressing the grommet into the pass-through hole in the cowl panel.

  3. Object Number: 1793562  Size: SH
  4. Install the transaxle shift control cable to the transaxle control lever base. Insure the cable retainer (2) is fully secured to the transaxle control lever base.
  5. Connect the transaxle shift control cable terminal (1) to the shift lever pin.
  6. Install the console. Refer to Console Replacement .

  7. Object Number: 627375  Size: SH
  8. Install the transaxle range selector cable into the bracket.
  9. Connect the transaxle range selector cable terminal to the transaxle manual shift lever pin.

  10. Object Number: 627381  Size: SH
  11. Install the retainer to the transaxle range selector cable.
  12. Adjust the automatic transmission range selector cable. Refer to Range Selector Lever Cable Adjustment .