GM Service Manual Online
For 1990-2009 cars only
Figure 1:

Power, Ground, and DLC


Object Number: 1913303  Size: FS
Master Electrical Component List
Body Control System Description and Operation
Control Module References
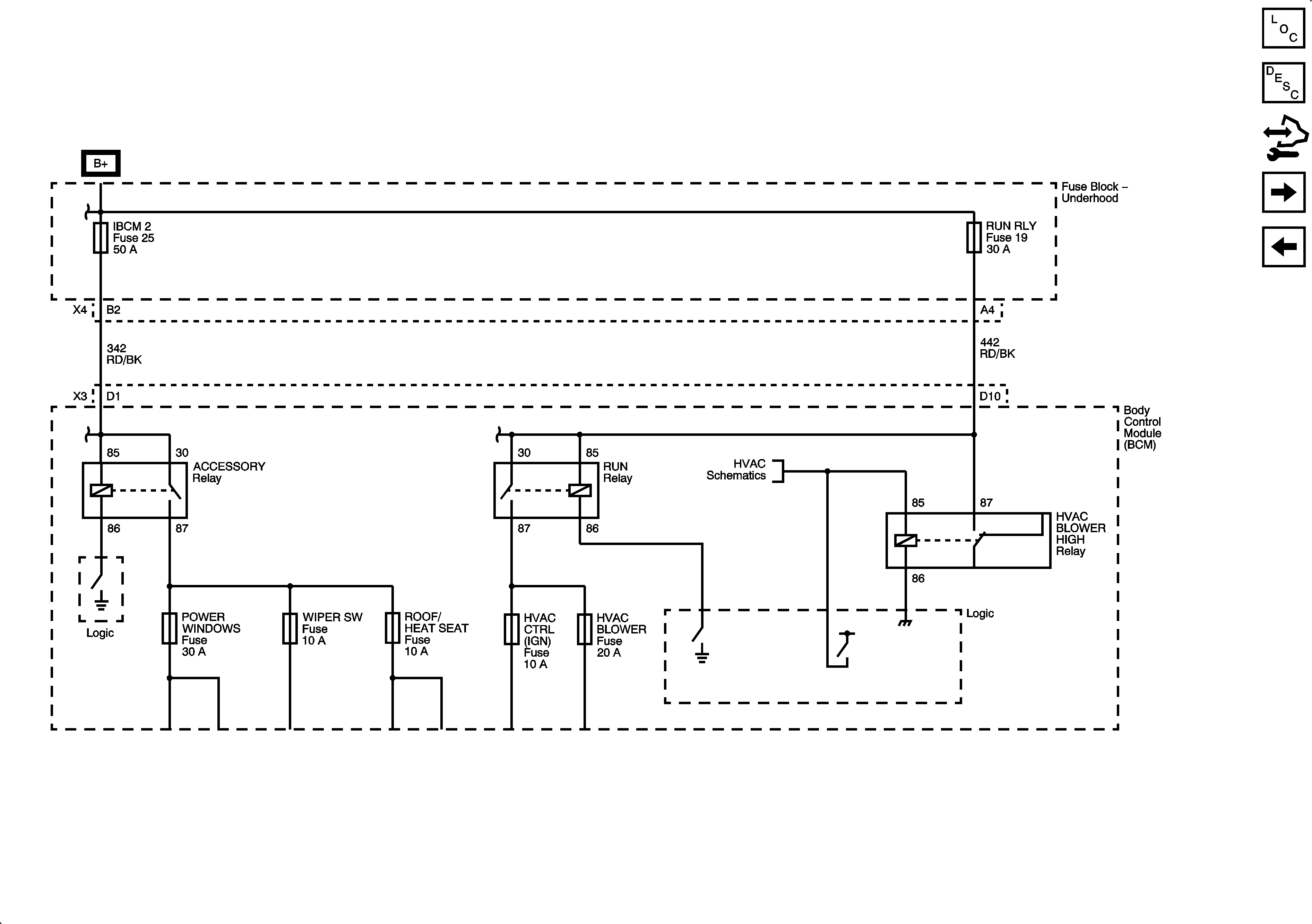
Accessory, HVAC Blower High and Run Relay
Figure 2:

ACCESSORY, HVAC BLOWER HIGH and RUN Relays


Object Number: 1913307  Size: FS
Master Electrical Component List
Body Control System Description and Operation
Control Module References
Controlled/Monitored Subsystem References 1 of 3
Power, Ground and DLC
Figure 3:

Controlled/Monitored Subsystem References (1 of 3)


Object Number: 1913311  Size: FS
Master Electrical Component List
Body Control System Description and Operation
Control Module References
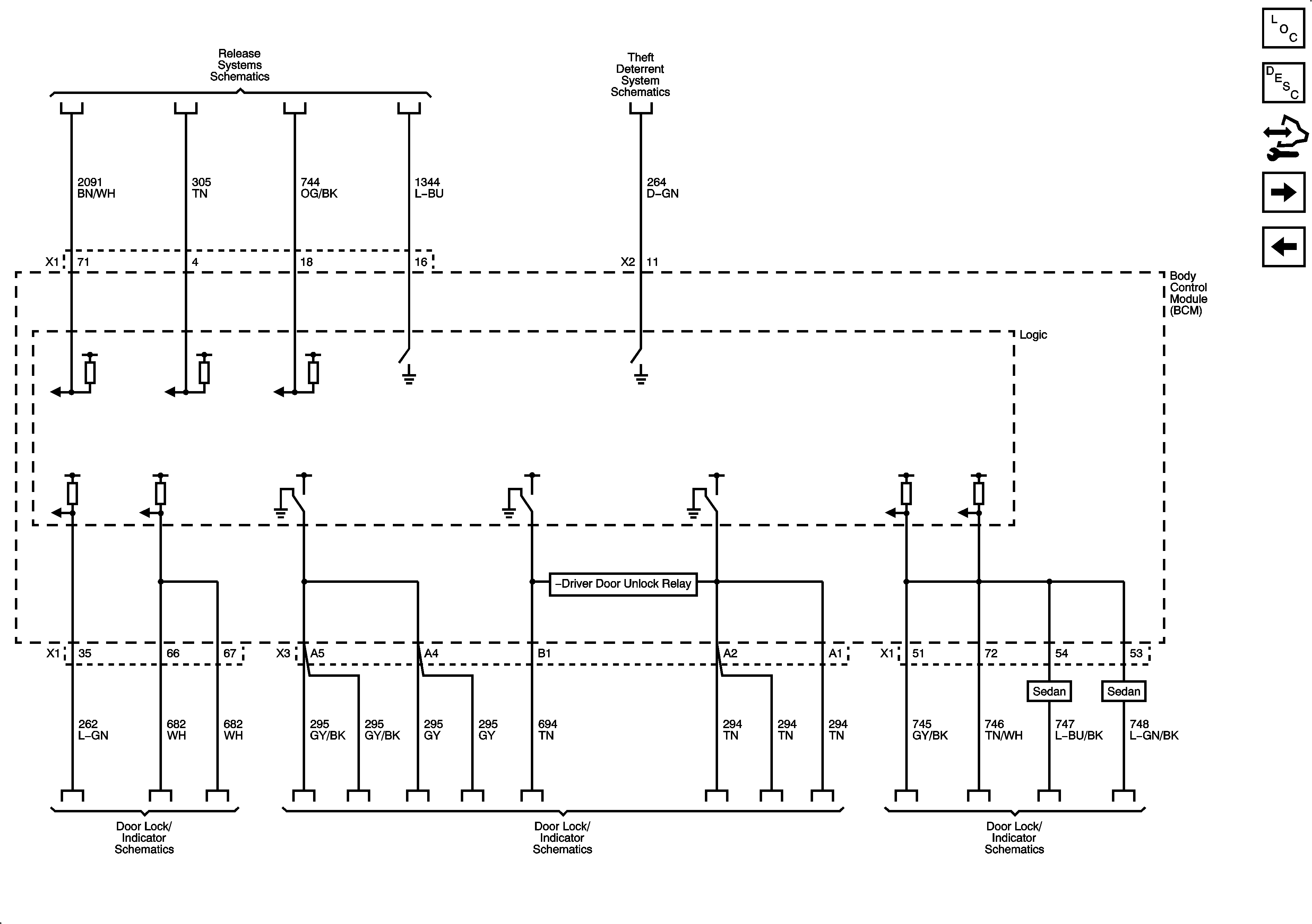
Controlled/Monitored Subsystem References 2 of 3
Accessory, HVAC Blower High and Run Relay
Figure 4:

Controlled/Monitored Subsystem References (2 of 3)


Object Number: 1913314  Size: FS
Master Electrical Component List
Body Control System Description and Operation
Control Module References
Controlled/Monitored Subsystem References 3 of 3
Controlled/Monitored Subsystem References 1 of 3
Figure 5:

Controlled/Monitored Subsystem References (3 of 3)


Object Number: 1913317  Size: FS
Master Electrical Component List
Body Control System Description and Operation
Control Module References
Controlled/Monitored Subsystem References 2 of 3