GM Service Manual Online
For 1990-2009 cars only
Figure 1:

G101 and G102


Object Number: 1913434  Size: FS
Master Electrical Component List
Control Module References
G103, G104, and G105
Figure 2:

G103, G104, and G105


Object Number: 1913437  Size: FS
Master Electrical Component List
Control Module References
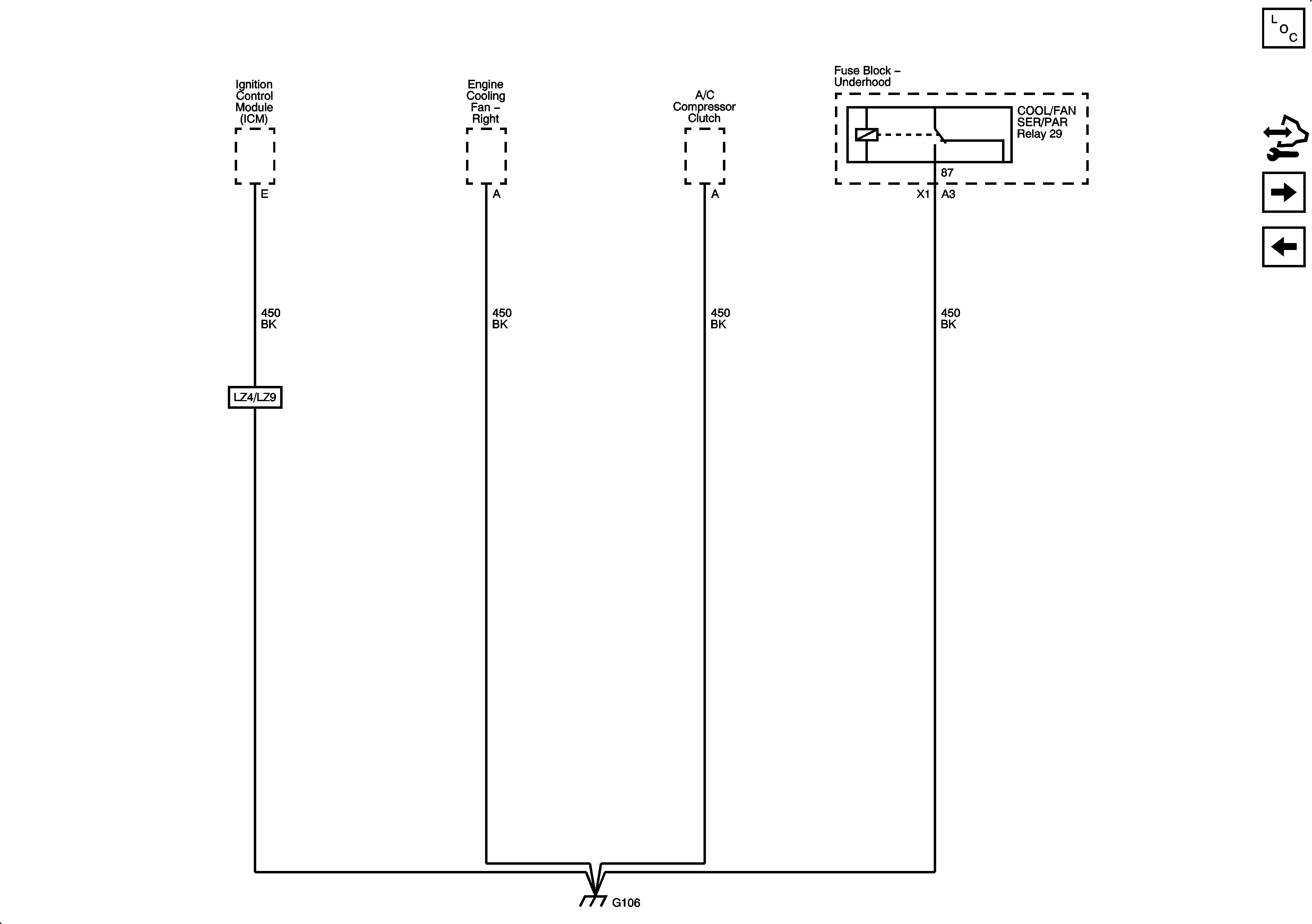
G106
G101 and G102
Figure 3:

G106


Object Number: 1913440  Size: FS
Master Electrical Component List
Control Module References
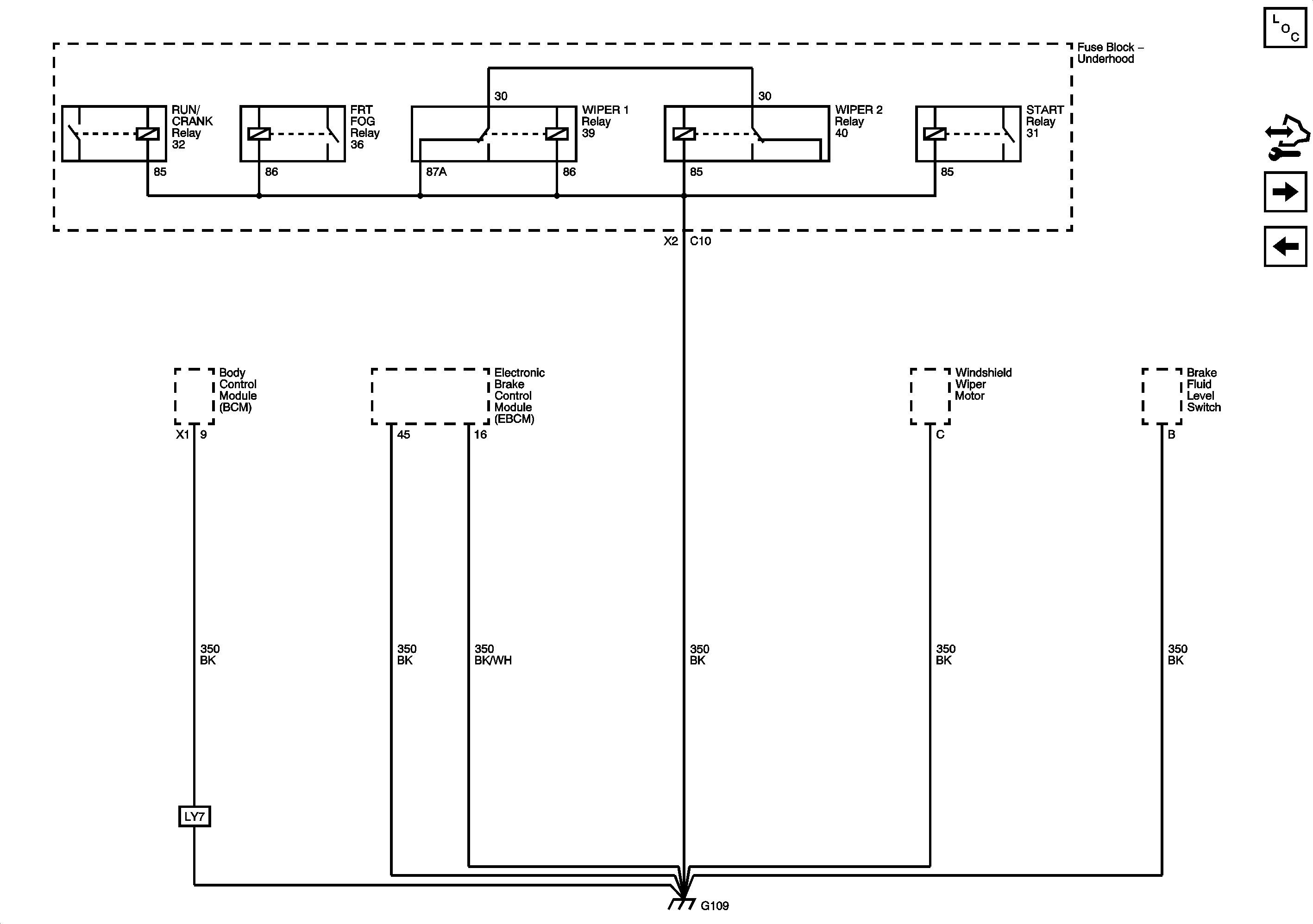
G109
G103, G104, and G105
Figure 4:

G108 (LY7)


Object Number: 1913475  Size: FS
Master Electrical Component List
Control Module References
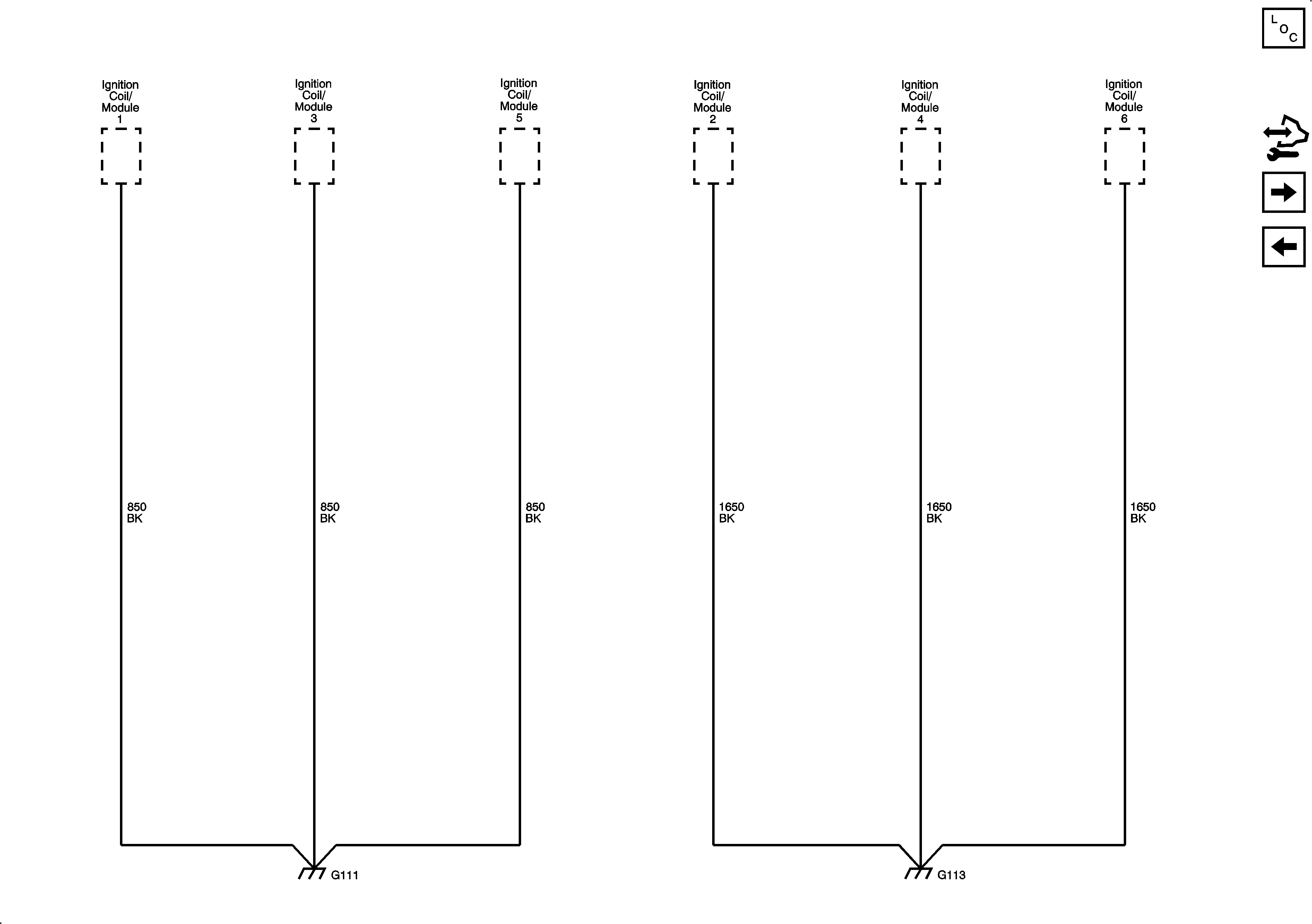
G111 and G113
Figure 5:

G109


Object Number: 1913444  Size: FS
Master Electrical Component List
Control Module References
G110 - LE5
G106
Figure 6:

G110 (LE5)


Object Number: 1913448  Size: FS
Master Electrical Component List
Control Module References
G201
G109
Figure 7:

G111 and G113


Object Number: 1913473  Size: FS
Master Electrical Component List
Control Module References
G108 - LY7
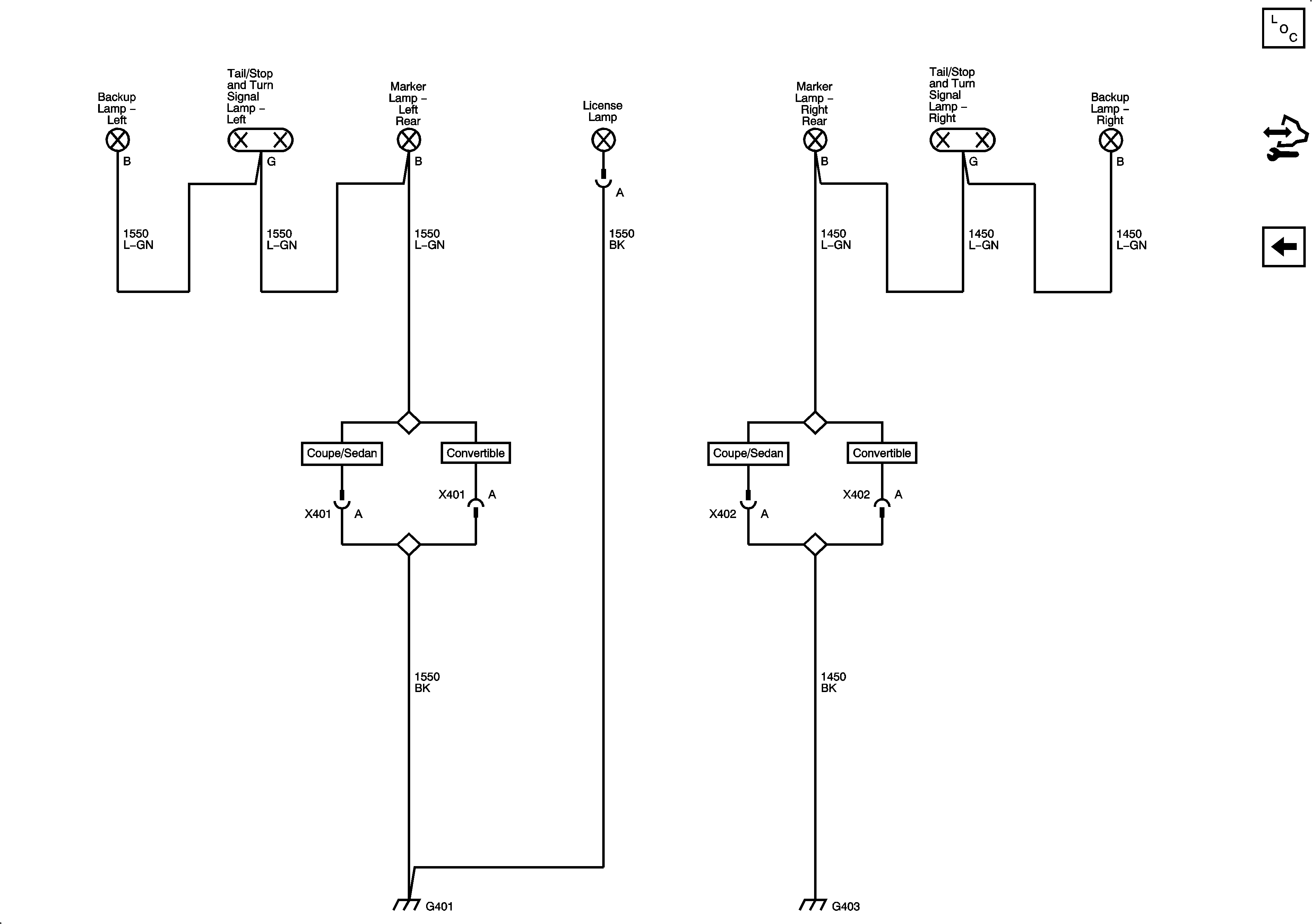
G401 and G403
Figure 8:

G201


Object Number: 1913451  Size: FS
Master Electrical Component List
Control Module References
G203
G110 - LE5
Figure 9:

G203


Object Number: 1913455  Size: FS
Master Electrical Component List
Control Module References
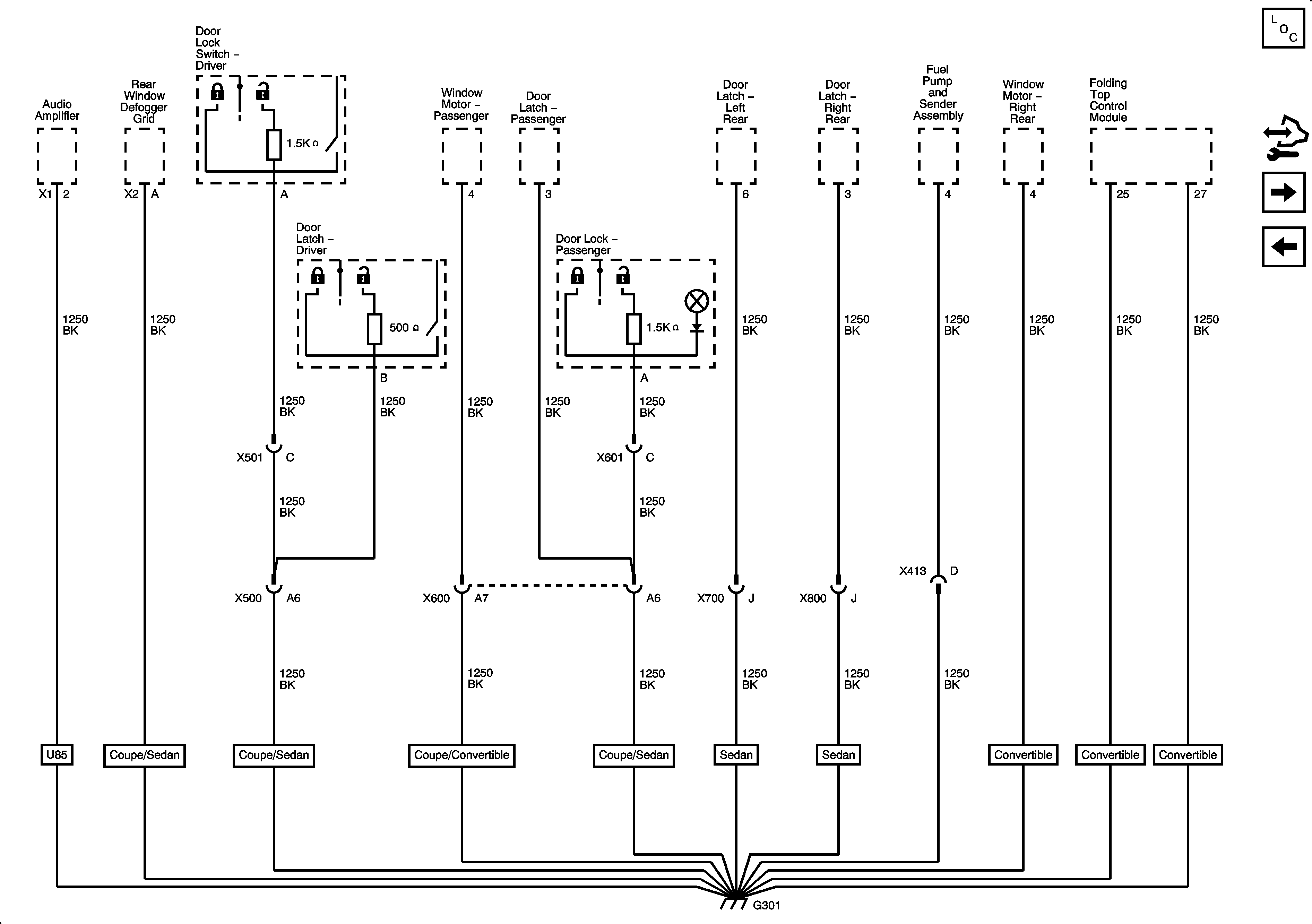
G301
G201
Figure 10:

G301


Object Number: 1913459  Size: FS
Master Electrical Component List
Control Module References
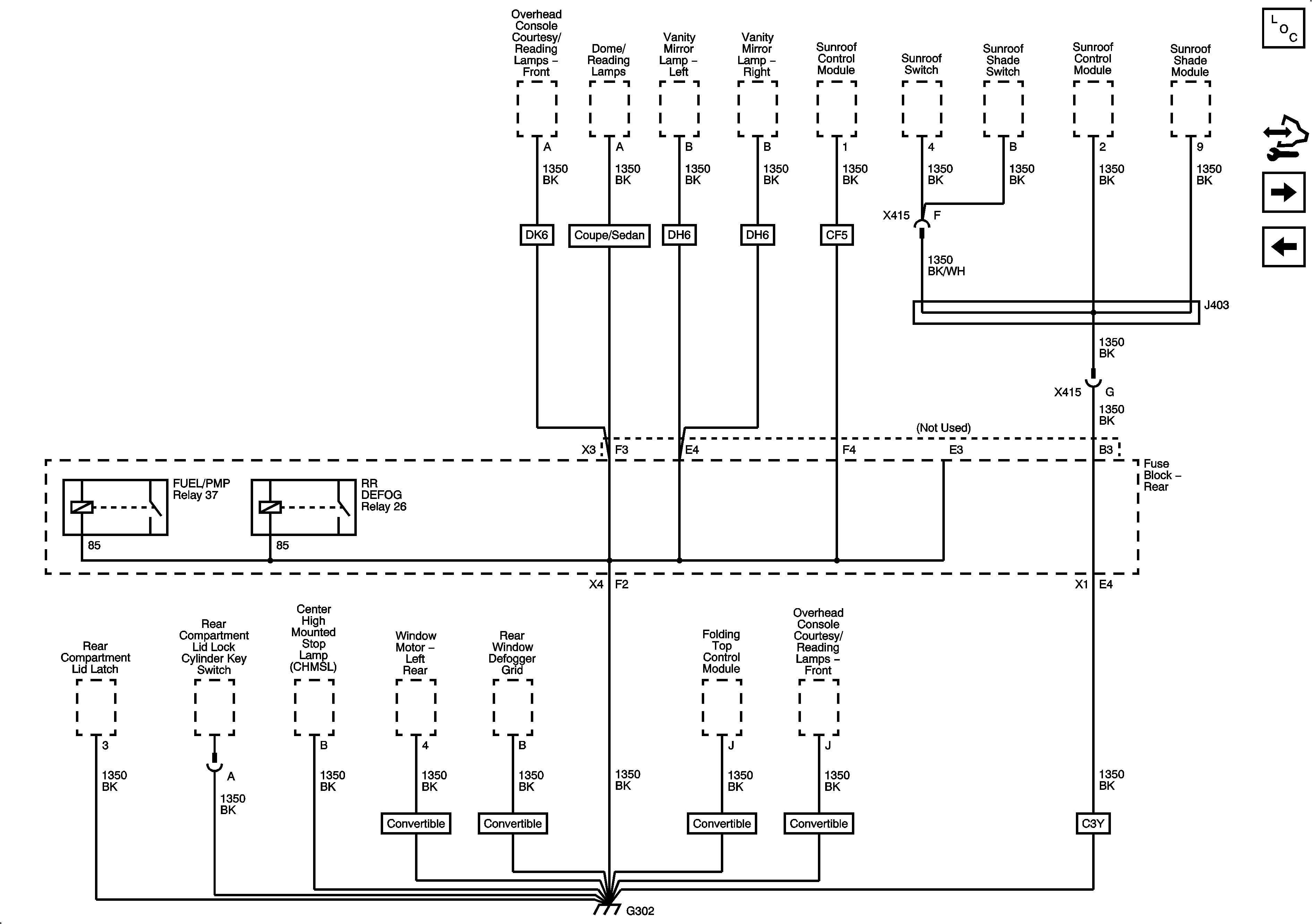
G302
G203
Figure 11:

G302


Object Number: 1913463  Size: FS
Master Electrical Component List
Control Module References
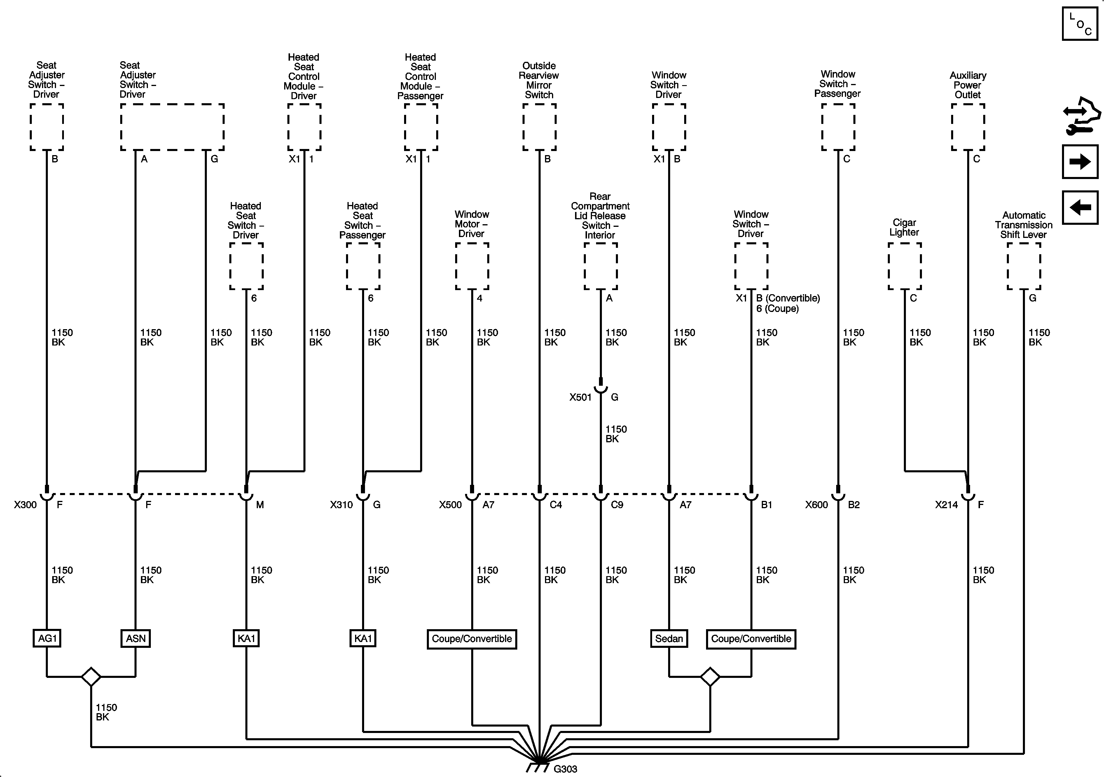
G303
G301
Figure 12:

G303


Object Number: 1913465  Size: FS
Master Electrical Component List
Control Module References
G304 and G305
G302
Figure 13:

G304 and G305


Object Number: 1913468  Size: FS
Master Electrical Component List
Control Module References
G401 and G403
G303
Figure 14:

G401 and G403


Object Number: 1913471  Size: FS
Master Electrical Component List
Control Module References
G111 and G113
G304 and G305