GM Service Manual Online
For 1990-2009 cars only

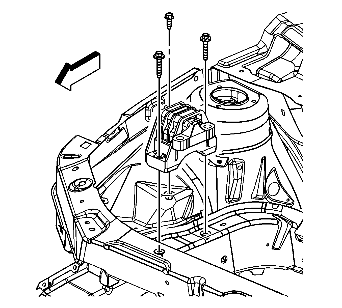
Engine Mount Replacement Coupe

Removal Procedure


    Object Number: 1583831  Size: SH
  1. Remove the tire and wheel. Refer to Tire and Wheel Removal and Installation .
  2. Remove the engine splash shield. Refer to Radiator Air Lower Baffle and Deflector Replacement .
  3. Remove the engine mount to engine mount bracket nuts.
  4. Remove the engine mount to frame nuts.
  5. Using an adjustable jack, raise the engine.
  6. Remove the engine mount from the frame.

Installation Procedure


    Object Number: 1583831  Size: SH
  1. Position the engine mount onto the frame
  2. Lower the engine using the adjustable jack.
  3. Notice: Refer to Fastener Notice in the Preface section.

  4. Install the engine mount to frame nuts.
  5. Tighten
    Tighten the nuts to 50 N·m (37 lb ft).

  6. Install the engine mount to engine mount bracket nuts.
  7. Tighten
    Tighten the nuts to 50 N·m (37 lb ft).

  8. Remove the adjustable jack from under the vehicle.
  9. Install the engine splash shield. Refer to Radiator Air Lower Baffle and Deflector Replacement .
  10. Install the tire and wheel. Refer to Tire and Wheel Removal and Installation .

Engine Mount Replacement Convertible

Removal Procedure


    Object Number: 1749870  Size: SH
  1. Remove the air cleaner assembly. Refer to Air Cleaner Assembly Replacement.
  2. Place a block of wood on a adjustable floor jack, and place the jack under the oil pan in order to support the engine.
  3. Remove the engine mount to engine mount bracket nuts.

  4. Object Number: 1749873  Size: SH
  5. Remove the engine mount bolts.
  6. Remove the engine mount.

Installation Procedure


    Object Number: 1749873  Size: SH
  1. Place the engine mount into position on the engine compartment side rail.
  2. Notice: Refer to Fastener Notice in the Preface section.

  3. Install the engine mount bolts.
  4. Tighten
    Tighten the bolts to 50 N·m (37 lb ft).


    Object Number: 1749870  Size: SH
  5. Install the engine mount to engine mount bracket nuts.
  6. Tighten
    Tighten the nuts to 50 N·m (37 lb ft).

  7. Remove the floor jack and block of wood from under the oil pan.
  8. Install the air cleaner assembly. Refer to Air Cleaner Assembly Replacement.