GM Service Manual Online
For 1990-2009 cars only

Transmission Rear Mount Replacement First Design

Removal Procedure

  1. Raise and support the vehicle. Refer to Lifting and Jacking the Vehicle .
  2. Remove the left tire and wheel. Refer to Tire and Wheel Removal and Installation .
  3. Using a suitable jack stand, support the rear of the powertrain.

  4. Object Number: 1229802  Size: SH
  5. Remove the transmission mount to bracket through bolt.

  6. Object Number: 1229809  Size: SH
  7. Remove the transmission mount to transmission bolts.
  8. Disconnect the HO2 sensor Harness from the transmission mount bracket.

  9. Object Number: 1229804  Size: SH
  10. Remove the transmission mount to frame nuts.
  11. Remove the transmission mount and bracket.

Installation Procedure

  1. Install the transmission mount and bracket.
  2. Notice: Refer to Fastener Notice in the Preface section.


    Object Number: 1229804  Size: SH
  3. Install the transmission bracket to frame nuts.
  4. Tighten
    Tighten the nuts to 50 N·m (37 lb ft).

  5. Connect the HO2 sensor harness to the transmission mount bracket.

  6. Object Number: 1229809  Size: SH
  7. Install the transmission mount to transmission bolts.
  8. Tighten
    Tighten the bolts to 90 N·m (66 lb ft).


    Object Number: 1229802  Size: SH
  9. Install the transmission mount to bracket through bolt.
  10. Tighten
    Tighten the bolt to 90 N·m (66 lb ft).

  11. Remove the jack stand.
  12. Install the left tire and wheel. Refer to Tire and Wheel Removal and Installation .
  13. Lower the vehicle.

Transmission Rear Mount Replacement Second Design

Removal Procedure

  1. Raise and support the vehicle. Refer to Lifting and Jacking the Vehicle .
  2. Remove the left tire and wheel. Refer to Tire and Wheel Removal and Installation .
  3. Using a suitable jack stand, support the rear of the powertrain.

  4. Object Number: 1975902  Size: SH
  5. Remove the transmission mount to bracket through bolt (1).

  6. Object Number: 1975904  Size: SH
  7. Remove the transmission mount to transmission bolts (1).
  8. Remove the transmission mount (2).
  9. Disconnect the HO2 sensor Harness from the transmission mount bracket.

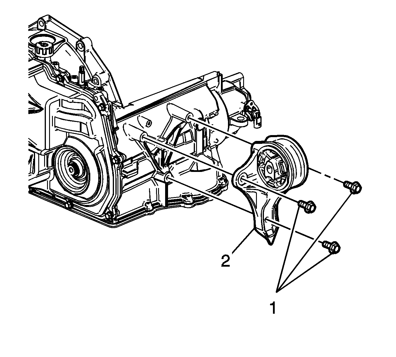
  10. Object Number: 1975906  Size: SH
  11. Remove the transmission mount to frame bolts (1).
  12. Remove the transmission mount bracket (2).

Installation Procedure


    Object Number: 1975906  Size: SH
  1. Install the transmission mount bracket (2).
  2. Notice: Refer to Fastener Notice in the Preface section.

  3. Install the transmission bracket to frame bolts (1).
  4. Tighten
    Tighten the bolts to 50 N·m (37 lb ft).

  5. Connect the HO2 sensor harness to the transmission mount bracket.

  6. Object Number: 1975904  Size: SH
  7. Install the transmission mount (2).
  8. Install the transmission mount to transmission bolts (1).
  9. Tighten
    Tighten the bolts to 90 N·m (66 lb ft).


    Object Number: 1975902  Size: SH
  10. Install the transmission mount to bracket through bolt (1).
  11. Tighten
    Tighten the bolt to 90 N·m (66 lb ft).

  12. Remove the jack stand.
  13. Install the left tire and wheel. Refer to Tire and Wheel Removal and Installation .
  14. Lower the vehicle.