GM Service Manual Online
For 1990-2009 cars only

Special Tools

    • J 2619-01 Slide Hammer
    • J 29794 Axle Shaft Remover Extension
    • J 33008-A Axle Shaft Remover
    • J 42129 Hub Spindle Remover
    • J 44394 Seal Protector

Removal Procedure

Caution: To prevent personal injury and/or component damage, do not allow the weight of the vehicle to load the front wheels, or attempt to operate the vehicle, when the wheel drive shaft(s) or wheel drive shaft nut(s) are removed. To do so may cause the inner bearing race to separate, resulting in damage to brake and suspension components and loss of vehicle control.

Notice: Wheel drive shaft boots, seals and clamps should be protected from sharp objects any time service is performed on or near the wheel drive shaft(s). Damage to the boot(s), the seal(s) or the clamp(s) may cause lubricant to leak from the joint and lead to increased noise and possible failure of the wheel drive shaft.


    Object Number: 2001520  Size: SH
  1. Raise and suitably support the vehicle. Refer to Lifting and Jacking the Vehicle .
  2. Remove the wheel and the tire. Refer to Tire and Wheel Removal and Installation .
  3. Insert a brass drift or punch (1) between the brake rotor cooling fins (2) and the brake caliper mounting bracket (4).
  4. Using the appropriate size socket and breaker bar (4), loosen the wheel drive shaft nut (3).
  5. Important: DO NOT re-use the wheel drive shaft nut. Discard the nut and replace with NEW.

  6. Remove the wheel drive shaft nut (2) from the wheel drive shaft (1).

  7. Object Number: 2001518  Size: SH
  8. Using the J 42129  (2), separate the brake rotor and wheel bearing/hub assembly (1).
  9. Remove the outer tie rod assembly from the steering knuckle. Refer to Steering Linkage Inner Tie Rod Replacement - Off Vehicle .
  10. Remove the ball joint from the steering knuckle. Refer to Lower Control Arm Replacement .

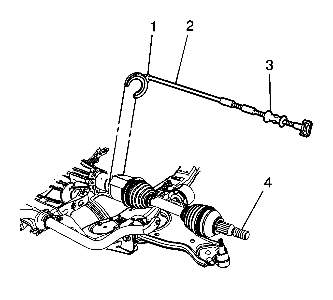
  11. Object Number: 2002465  Size: SH
  12. Using the J 2619-01  (3), the J 29794  (2), and the J 33008-A  (3), remove the wheel drive shaft (4) from the vehicle.

Installation Procedure


    Object Number: 814135  Size: SH

    Notice: J-44394 must be installed into the differential output shaft seal prior to removing and installing the wheel drive shaft. Failure to install J-44394 as indicated may cause the splines of the wheel drive shaft to cut the differential output seal.

  1. Install the J 44394 into the differential output shaft seal.

  2. Object Number: 814136  Size: SH

    Important: In order to prevent lubricant leaks, use care when installing the wheel drive shaft to the differential. Do not damage the oil seal. Replace the oil seal if it becomes nicked, distorted, or otherwise damaged.

  3. Carefully install the wheel drive shaft into the differential until the splines are past the J 44394 .

  4. Object Number: 814137  Size: SH
  5. Remove the J 44394 from the differential output shaft seal.
  6. Installing the wheel drive shaft into the differential until the retaining ring is fully seated.
  7. Confirm that the front wheel drive shaft retaining ring is properly seated by holding the inner housing and pull the inner housing outward.

  8. Object Number: 1237342  Size: SH
  9. Install the front wheel drive shaft into the front wheel bearing/hub.
  10. Install the ball joint to the steering knuckle. Refer to Lower Control Arm Replacement .
  11. Install the outer tie rod assembly to the steering knuckle. Refer to Steering Linkage Inner Tie Rod Replacement - Off Vehicle .

  12. Object Number: 2001520  Size: SH
  13. Install the NEW wheel drive shaft nut (2) on the wheel drive shaft (1).

  14. Object Number: 2001522  Size: SH
  15. Insert a drift or punch (5) into the cooling fin of the brake rotor (4) caliper and against the brake caliper mounting (1) bracket.
  16. Notice: Refer to Fastener Notice in the Preface section.

  17. Using a torque wrench and the appropriate size socket (3), tighten the wheel drive shaft nut (2).
  18. Tighten
    Tighten the nut to 215 N·m (159 lb ft).

  19. Install the wheel and the tire. Refer to Tire and Wheel Removal and Installation .
  20. Lower the vehicle.
  21. Inspect the transaxle fluid level. Refer to Transmission Fluid Check .