GM Service Manual Online
For 1990-2009 cars only

Catalytic Converter Replacement - Right Side LZ4

Tools Required

J 39194-B Heated Oxygen Sensor Wrench

Removal Procedure


    Object Number: 1492091  Size: SH
  1. Remove the muffler assembly. Refer to Muffler Replacement .
  2. Remove the connector position assurance (CPA) retainer (1).
  3. Important: The heated oxygen sensor (HO2S) 2 uses a permanently attached pigtail and connector. This pigtail should not be removed from the sensor. Damage or removal of the pigtail or connector will affect proper operation of the sensor.

  4. Disconnect the HO2S electrical connector (2).

  5. Object Number: 1492088  Size: SH
  6. Remove the HO2S (2) using the J 39194-B .

  7. Object Number: 1492086  Size: SH
  8. Remove the left catalytic converter to right catalytic converter nuts (3). (Powertrain shown removed for clarity).

  9. Object Number: 1492085  Size: SH
  10. Remove the catalytic converter bolt (4) and nuts (1) at the exhaust manifold allowing the catalytic converter (3) to rest on the cradle.
  11. Reposition the frame until the catalytic converter can be removed.
  12. Remove and discard the gasket (2).

Installation Procedure


    Object Number: 1492085  Size: SH
  1. Install a NEW gasket (2) to the catalytic converter studs.
  2. Install the right catalytic converter (3).
  3. Notice: Refer to Fastener Notice in the Preface section.

  4. Install the catalytic converter bolt (4) and nuts (1) at the exhaust manifold.
  5. Tighten
    Tighten the bolt and nuts to 31 N·m (23 lb ft).


    Object Number: 1492086  Size: SH
  6. Install the left catalytic converter to right catalytic converter nuts (3). (Powertrain shown removed for clarity).
  7. Tighten
    Tighten the nuts to 31 N·m (23 lb ft).


    Object Number: 1492088  Size: SH
  8. Install the HO2S (2) using the J 39194-B .
  9. Tighten
    Tighten the sensor to 42 N·m (31 lb ft).


    Object Number: 1492091  Size: SH
  10. Connect the HO2S electrical connector (2).
  11. Install the CPA retainer (1).
  12. Install the muffler assembly. Refer to Muffler Replacement .
  13. Start the engine, and check for exhaust leaks.

Catalytic Converter Replacement - Right Side LZ9 w/RPO MT2

Tools Required

J 39194-B Heated Oxygen Sensor Wrench

Removal Procedure


    Object Number: 1684189  Size: SH
  1. Remove the connector position assurance (CPA) retainer (5).
  2. Disconnect the engine harness electrical connector (4) from the heated oxygen sensor (HO2S).
  3. Remove the HO2S clip (3) from the oil level indicator tube bracket.

  4. Object Number: 1585279  Size: SH
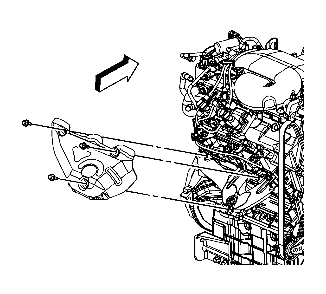
  5. Remove the exhaust manifold heat shield bolts.
  6. Remove the exhaust manifold heat shield.

  7. Object Number: 1684174  Size: SH
  8. Remove the right (rear) catalytic converter nuts (1).

  9. Object Number: 1492091  Size: SH
  10. Remove the muffler assembly. Refer to Muffler Replacement .
  11. Remove the rear stabilizer shaft. Refer to Stabilizer Shaft Replacement .
  12. Remove the connector position assurance (CPA) retainer (1).
  13. Disconnect the HO2S electrical connector (2).

  14. Object Number: 1492088  Size: SH

    Notice: The oxygen sensor uses a permanently attached pigtail and connector. Do not remove the pigtail from the oxygen sensor. Damage to or removal of the pigtail connector could affect proper operation of the oxygen sensor.

  15. Remove the HO2S (2) using the J 39194-B .

  16. Object Number: 1684175  Size: SH
  17. Remove the left (front) catalytic converter to right (rear) catalytic converter nuts (2).
  18. Remove the right (rear) catalytic converter (1).
  19. Remove and discard the gasket.
  20. Inspect the catalytic converter-to-exhaust manifold flange.
  21. Catalytic Converter to Manifold Flange Warpage:

        • Service Limit: 0.7 mm (0.028 in) max.
        • Standard: 0.7 mm (0.028 in) max.

Installation Procedure


    Object Number: 1684175  Size: SH
  1. Install a NEW gasket to the catalytic converter studs.
  2. Install the right (rear) catalytic converter (1).
  3. Notice: Refer to Fastener Notice in the Preface section.

  4. Install the left (front) catalytic converter to right (rear) catalytic converter nuts (2).
  5. Tighten
    Tighten the nuts to 31 N·m (23 lb ft).


    Object Number: 1492088  Size: SH

    Important: A special anti-seize compound is used on the HO2S threads. The compound consists of liquid graphite and glass beads. The graphite tends to burn away but the beads remain, making the sensor easier the remove. New, or service replacement sensors already have the compound applied to the threads. If the sensor is removed from an exhaust component and if for any reason the sensor is to be reinstalled, the threads must be have anti-seize compound applied before the reinstallation.

  6. If reinstalling the old HO2S, coat the threads with anti-seize compound GM P/N 12377953 or equivalent.
  7. Install the HO2S (2) using the J 39194-B .
  8. Tighten
    Tighten the sensor to 42 N·m (31 lb ft).

  9. Lower the vehicle to the ground, start the engine, and check for exhaust leaks.

  10. Object Number: 1492091  Size: SH
  11. Connect the HO2S electrical connector (2).
  12. Install the CPA retainer (1).
  13. Install the muffler assembly. Refer to Muffler Replacement .
  14. Install the rear stabilizer shaft. Refer to Stabilizer Shaft Replacement .

  15. Object Number: 1684174  Size: SH
  16. Install the right (rear) catalytic converter nuts (1).
  17. Tighten
    Tighten the nuts to 31 N·m (23 lb ft).


    Object Number: 1585279  Size: SH
  18. Install the exhaust manifold heat shield.
  19. Install the exhaust manifold heat shield bolts.
  20. Tighten
    Tighten the bolts to 10 N·m (89 lb in).


    Object Number: 1684189  Size: SH
  21. Connect the engine harness electrical connector (4) to the HO2S.
  22. Install the CPA retainer (5).
  23. Install the HO2S clip (3) to the oil level indicator tube bracket.
  24. Perform the engine mount position adjustment procedure. Refer to Engine Mount Position Adjustment .
  25. Start the engine, and check for exhaust leaks.

Catalytic Converter Replacement - Right Side LZ9 w/RPO M15

Tools Required

J 39194-B Heated Oxygen Sensor Wrench

Removal Procedure


    Object Number: 1586008  Size: SH
  1. Remove the muffler assembly. Refer to Muffler Replacement .
  2. Remove the rear stabilizer shaft. Refer to Stabilizer Shaft Replacement .
  3. Remove the connector position assurance (CPA) retainer (1).
  4. Disconnect the lower right heated oxygen sensor (HO2S) electrical connector (2).

  5. Object Number: 1492088  Size: SH

    Notice: The oxygen sensor uses a permanently attached pigtail and connector. Do not remove the pigtail from the oxygen sensor. Damage to or removal of the pigtail connector could affect proper operation of the oxygen sensor.

  6. Remove the lower right HO2S (2) using the J 39194-B .

  7. Object Number: 1684169  Size: SH
  8. Remove the left (front) catalytic converter to right (rear) catalytic converter nuts (3).
  9. Remove the right (rear) catalytic converter bolt (5) and nuts (1) at the exhaust manifold.
  10. Remove the right catalytic converter (2).
  11. Remove and discard the gasket (6).
  12. Inspect the catalytic converter-to-exhaust manifold flange.
  13. Catalytic Converter to Manifold Flange Warpage:

        • Service Limit: 0.7 mm (0.028 in) max.
        • Standard: 0.7 mm (0.028 in) max.

Installation Procedure


    Object Number: 1684169  Size: SH
  1. Install a NEW gasket to the catalytic converter.
  2. Install the right (rear) catalytic converter (2).
  3. Notice: Refer to Fastener Notice in the Preface section.

  4. Install the right (rear) catalytic converter bolt (4) and nuts (1) at the exhaust manifold.
  5. Tighten
    Tighten the nuts to 31 N·m (23 lb ft).

  6. Install the left (front) catalytic converter to right (rear) catalytic converter nuts (3).
  7. Tighten
    Tighten the nuts to 31 N·m (23 lb ft).


    Object Number: 1492088  Size: SH

    Important: A special anti-seize compound is used on the HO2S threads. The compound consists of liquid graphite and glass beads. The graphite tends to burn away but the beads remain, making the sensor easier the remove. New, or service replacement sensors already have the compound applied to the threads. If the sensor is removed from an exhaust component and if for any reason the sensor is to be reinstalled, the threads must be have anti-seize compound applied before the reinstallation.

  8. If reinstalling the old HO2S, coat the threads with anti-seize compound GM P/N 12377953 or equivalent.
  9. Install the HO2S (2) using the J 39194-B .
  10. Tighten
    Tighten the sensor to 42 N·m (31 lb ft).


    Object Number: 1586008  Size: SH
  11. Connect the lower right HO2S electrical connector (2).
  12. Install the CPA retainer (1).
  13. Ensure that the HO2S connector clip (3) is attached to the stud on the engine.
  14. Install the rear stabilizer shaft. Refer to Stabilizer Shaft Replacement .
  15. Install the muffler assembly. Refer to Muffler Replacement .
  16. Perform the engine mount position adjustment procedure. Refer to Engine Mount Position Adjustment .
  17. Start the engine, and check for exhaust leaks.

Catalytic Converter Replacement - Right Side LY7

Removal Procedure

Caution: Refer to Exhaust Service Caution in the Preface section.

Caution: Refer to Protective Goggles and Glove Caution in the Preface section.


    Object Number: 1840274  Size: SH
  1. Remove the exhaust manifold heat shield. Refer to Exhaust Manifold Heat Shield Replacement - Right Side .
  2. Remove the catalytic converter to exhaust manifold nuts (1).
  3. Remove the bank 1 sensor 2 heated oxygen sensor (HO2S). Refer to Heated Oxygen Sensor Replacement - Bank 1 Sensor 2 .

  4. Object Number: 1840317  Size: SH
  5. Remove the left catalytic converter (3) to right catalytic converter (1) nuts (2).

  6. Object Number: 1586013  Size: SH
  7. Remove the exhaust pipe to right catalytic converter nuts.

  8. Object Number: 1840348  Size: SH
  9. Remove the catalytic converter from the vehicle.
  10. Remove and discard the catalytic converter to exhaust manifold gasket (1).
  11. Remove and discard the left catalytic converter to right catalytic converter gasket (2).

Installation Procedure


    Object Number: 1840348  Size: SH
  1. Install a NEW catalytic converter to exhaust manifold gasket (1) onto the catalytic converter.
  2. Install the catalytic converter to the vehicle.
  3. Install a NEW left catalytic converter to right catalytic converter gasket (2) between the converters.
  4. Notice: Refer to Fastener Notice in the Preface section.


    Object Number: 1840317  Size: SH
  5. Install the left catalytic converter to right catalytic converter nuts.
  6. Tighten
    Tighten the nuts to 25 N·m (18 lb ft).


    Object Number: 1586013  Size: SH
  7. Install the exhaust pipe to right catalytic converter nuts.
  8. Tighten
    Tighten the nuts to 25 N·m (18 lb ft).

  9. Install the bank 1 sensor 2 HO2S. Refer to Heated Oxygen Sensor Replacement - Bank 1 Sensor 2 .

  10. Object Number: 1840274  Size: SH
  11. Install the catalytic converter to exhaust manifold nuts (1).
  12. Tighten
    Tighten the nuts to 45 N·m (33 lb ft).

  13. Install the exhaust manifold heat shield. Refer to Exhaust Manifold Heat Shield Replacement - Right Side .